Brauche Hilfe beim L298 Berechnung Im Unterforum Projekte im Selbstbau - Beschreibung: Selbstbau von Elektronik und Elektro
| Autor |
|
Brauche Hilfe beim L298 Berechnung |
|
|
|
|
BID = 487485
weizenbier Gerade angekommen
Beiträge: 4 Wohnort: Bielefeld
|
|
Hallo Gemeinde,
nachdem ich mein Problem mit dem Anschluss des Schrittmotors gelöst habe, kommt nun ein neues auf mich zu!
Ich habe eine Schrittmotorstufe bestehend aus dem L297 und dem L298N gebaut. Der Takt kommt von einem Schmitttrigger.
Die Schaltung hat zwei Spannungen die eine gemeinsame Masse haben!
12V für den Motor und 5V für die Logik. Im 12V Betrieb läuft der Motor bestens
sobald ich jedoch anstatt der 12V, 24V anlege, so entschliesst sich der L298 sich im Raum zu verteilen d.h er explodiert!!
Der Motor kann die 24V locker vertragen. Laut Datenblatt kann man den L298N bis 46V betreiben. Somit stellt sich bei mir die Frage, warum das Teil explodiert ist?
Ich muss dazu sagen, dass ich die "Sense" Widerstände weggelassen habe. Soweit ich weiss, sind diese dazu da, "Die Spannung anzuschauen und den Strom zu begrenzen"-stimmt das?
Meine Theorie ist nun, dass auf Grund der fehlenden Sense Widerstände der Strom im Einschaltaugenblick so groß wird, dass der L298 sich verabschiedet. Wie schon erwähnt passiert das bei 12V nicht..
Wer hat eine Lösung für mein Prob? Und falls ich mit meiner Annahme für den Fehler richtig liege, wie dimensioniere ich die Sense Widerstände?
unter www.strippenstrolch.de findet man die schaltung die nachgebaut habe. Pfad: 4 Projekte->schrittmotortreiber mit L297/L298 |
|
BID = 487494
Jornbyte Moderator
      
Beiträge: 7345
|
|
Zitat :
| | Ich muss dazu sagen, dass ich die "Sense" Widerstände weggelassen habe |
Genau, das ist auch der Grund sich in Luft aufzulösen.
Zitat :
| | wie dimensioniere ich die Sense Widerstände? |
So wie es im Datenblatt zu lesen ist (0,5 Ohm).
Bei der von dir genannte Schaltung fehlt auch die Ref für den 297.
Da stellt sich mir auch die Frage was der da zusammengebaut und veröffentlicht hat...
_________________
mfg Jornbyte
Es handelt sich bei dem Tipp nicht um eine Rechtsverbindliche Auskunft und
wer Tippfehler findet, kann sie behalten.
[ Diese Nachricht wurde geändert von: Jornbyte am 3 Jan 2008 21:10 ] |
|
BID = 487498
Jornbyte Moderator
      
Beiträge: 7345
|
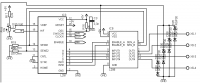
mal einen Schaltungsauszug mit allem was du brauchst...
Noch ne Anmerkung.
Der L298 fühlt sich auf einem großen Kühlkörper am wohlsten. Wenn es ihm zu heiß wird, werden die Ausgänge drastisch gedrosselt (Selbstcschutz)! Zweitens liefert er max. 3A pro Kanal, will der Verbraucher mehr haben, dann tritt die Strombegrenzung in Kraft (noch ein Selbstschutz). Drittens soll die Versorgungsspannung gut gesiebt sein (keine Satbilisierung nötig!), als Faustregel gilt etwa 1000µF pro A -> 2 Kanäle à 3Ampere = 6000µF. Wenn ich es richtig in Erinnerung habe, dann gibt es für jeden Kanal noch einen Enable, der muß auf '1' liegen damit überhaupt was geht. Achtung, beide Eingänge auf gleichem Potential und Enable auf '1' aktiviert die EMK-Bremse!!! Mit 0.5Ohm und 3A fallen allein am Shunt 1,5V ab, etwa 2V bis 3V gehen aufs Konto des L298. Diese Verlustleistung wird im Wärme umgesezt. Übrigens möchte der L298 auch die externen Diodennetzwerke sehen, die für induktive Lasten Pflicht sind. Wenn Du die nicht dran hast und einen Motor anschließt geht der L298 ruckzuck kaputt.
_________________
mfg Jornbyte
Es handelt sich bei dem Tipp nicht um eine Rechtsverbindliche Auskunft und
wer Tippfehler findet, kann sie behalten.
[ Diese Nachricht wurde geändert von: Jornbyte am 3 Jan 2008 21:35 ]
|
BID = 487507
weizenbier Gerade angekommen
Beiträge: 4 Wohnort: Bielefeld
|
vielen dank für die schnelle antwort!
einerseits gut, dass ich selbst die ursache nahezu rausgefunden habe:) anderseits schlecht dass der 298 durch ist..
bezüglich deiner schaltung habe ich noch nen paar fragen:
1. was stell ich mit dem poti am Vref ein (R18)
2.was genau machen die inh?
3.wohin gehen die anschlüsse: hf , cw/ccw, enable,
4. den clock kann ich noch immer mit meinem schmitttrigger füttern?
vielen dank schonmal
die dioden habe ich drin. die sind ja zum löschen bekanntlich.
mein prob. bestand darin, dass ich mit den ausgängen die ich freilies nix anfangen konnte und deshalb frei gelassen habe..
[ Diese Nachricht wurde geändert von: weizenbier am 3 Jan 2008 21:43 ]
|
BID = 487522
Jornbyte Moderator
      
Beiträge: 7345
|
Da könnte ich auf das Datenblatt vom 297 verweisen.
Mal sehen ob meine alten grauen Zellen noch wollen..
1. + 2. an der Vref stellst du den Strom für deinen Motor ein.
Der wird mit den "Sense" Widerstände verglichen. Übersteigt der eingestellte Strom den Referenzwert wird über die Inhibit der Ausgangstreiber (im 298) abgeschaltet.
3. HF: Half/Full an diesem Eingang kannst du den Motor im Halb oder Vollschritt schalten. Wenn dein Motor 200 Schritte benötigt um eine Runde zu drehen kannst du das am Half/Full-Eingang auf 400 Schritte umschalten. Damit sind höhere Auflösungen bei gleichzeitigem Verlust an Leistung und Drehzahl möglich.
CW/CCW: gibt die Richtung an, in der sich der Motor drehen soll.
ENABLE: schaltet den Strom am Motor ab und die Schaltung reagiert nicht auf Takt, Richtung... tut also so, als ob sie nicht vorhanden ist.
4. Woher der Takt kommt ist egal, solang er er TTL-Pegel hat.
_________________
mfg Jornbyte
Es handelt sich bei dem Tipp nicht um eine Rechtsverbindliche Auskunft und
wer Tippfehler findet, kann sie behalten.
[ Diese Nachricht wurde geändert von: Jornbyte am 3 Jan 2008 22:34 ]
|
|
Zum Ersatzteileshop
Bezeichnungen von Produkten, Abbildungen und Logos , die in diesem Forum oder im Shop verwendet werden, sind Eigentum des entsprechenden Herstellers oder Besitzers. Diese dienen lediglich zur Identifikation!
Impressum
Datenschutz
Copyright © Baldur Brock Fernsehtechnik und Versand Ersatzteile in Heilbronn Deutschland
gerechnet auf die letzten 30 Tage haben wir 18 Beiträge im Durchschnitt pro Tag heute wurden bisher 4 Beiträge verfasst © x sparkkelsputz Besucher : 187929726 Heute : 6823 Gestern : 17227 Online : 356 25.12.2025 9:43 18 Besucher in den letzten 60 Sekunden alle 3.33 Sekunden ein neuer Besucher ---- logout ----viewtopic ---- logout ----
|
xcvb
ycvb
0.0697078704834
|