| Autor |
|
|
|
BID = 493710
P4CM4N Gesprächig
  
Beiträge: 120
|
|
Hi,
habe mich gerade neu angemeldet um folgendes Problem vorzustellen:
Ich bin im RC-Sport aktiv, genauer im Elektrobereich. Um seine Akkus zu pflegen sollte man sie vor dem laden auf 1,1V pro Zelle bringen (eben seitdem es die neuen Akkus gibt). Früher war das kein Problem, da konnte man sie mittels Platinen entladen, die haben dann jede einzelne Zelle auf 0,9V runtergezogen. Dieses Platinen haben auch nur ~25€ gekostet. Nur kann ich diese jetzt eben nicht mehr für meine akkus nehmen und möchte mir auch keine neue Platine kaufen, da dieses ~150€ kosten würden, was meiner Meinung nach nicht gerechtfertigt ist.
nun also zur frage bzw. zum Problem. Ich möchte jeden zelle meines Akkus auf 1,1V entladen, nicht darunter. Dazu möchte ich eine Platine bauen, die den Akkus bis 1,1V entlädt und sich dann automatisch abschaltet, d.h. den Stromkreis unterbricht. Entladen möchte ich mittels eines Widerstandes mit ca. 0,5A. Wie kann ich jetzt die Abschaltung bei 1,1V realisieren?
Danke fürs lesen . Ich hoffe Ihr könnt mir helfen |
|
BID = 493712
Otiffany Urgestein
     
Beiträge: 13779 Wohnort: 37081 Göttingen
|
|
Was sind das für Akkus, wieviele Zellen, lassen sich die Zellen einzeln laden, oder sind die gekapselt?
Gruß
Peter |
|
BID = 493730
P4CM4N Gesprächig
  
Beiträge: 120
|
Hallo,
die Zellen sind side-by-side verlötet, d.h. nebeneinander. An die Kontakte kommt man problemlos.
Ich will den akku eben nicht insgesamt entladen(also das ganze Pack), sondern jede Zelle damit die Zellen nicht so sehr voneinander abdriften.
Ich will quasi diese Platine nachbauen
http://cgi.ebay.at/Robitronic-Entla.....wItem
Nur soll die abschaltspannung statt 0,9V 1,1V betragen.
|
BID = 493749
P4CM4N Gesprächig
  
Beiträge: 120
|
Es sind 6 IB4200 Akkus. Wichtig ist mir das sie einzeln entladen werden, damit alle Zelle vor dem erneuten Laden die gleiche Spannung haben und so beim Laden keine Zelle unnötig überladen wird.
|
BID = 493759
sam2 Urgestein
     
Beiträge: 35321 Wohnort: Franken (bairisch besetzte Zone)
|
Wie arbeitet denn die alte Schaltung?
Evtl. kann man die einfacvh anpassen auf den neuen Spannungswert.
_________________
"Das Gerät habe ich vor soundsoviel Jahren bei Ihnen gekauft! Immer ist es gegangen, immer. Aber seit gestern früh geht es plötzlich nicht mehr. Sagen Sie mal, DA STIMMT DOCH WAS NICHT???"
|
BID = 493781
teotihuacan Gesprächig
  
Beiträge: 170 Wohnort: Winterlingen
|
Wie wärs mit einem Komparator, der die Ist-Spannung des Akkus mit einer 1,1V-Referenzspannung vergleicht und bei Unterschreiten ein Relais ansteuert, das den Stromkreis öffnet?
|
BID = 493832
sam2 Urgestein
     
Beiträge: 35321 Wohnort: Franken (bairisch besetzte Zone)
|
Man kann alles beliebig kompliziert realisieren.
Aber ich vermute, daß die bisherige Schaltung rein passiv (also ohne Hilfsspannung) arbeitet.
|
BID = 493995
P4CM4N Gesprächig
  
Beiträge: 120
|
Ja, die bisherige arbeitet ohne externe Stromzufuhr.
Es wäre zwar nicht schön mit externer Stromversorgung, würde ich aber einer neuen Platine vorziehen. Wie sähe denn so ein Schaltplan in etwa aus? Und was würden die Komponenten ungefähr kosten?
Edit: Das mit dem spannungsvergleich: Da würde dann der Akkus bis 1,1V entladen werden und dann auf 1,1V gehalten werden richtig? das wäre wieder nicht so optimal. Das beste wäre wirklich, wenn der Stromkreis einfach ab 1,1V unterbrochen wird.
[ Diese Nachricht wurde geändert von: P4CM4N am 23 Jan 2008 13:58 ]
|
BID = 494021
teotihuacan Gesprächig
  
Beiträge: 170 Wohnort: Winterlingen
|
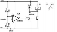
So wird der Stromkreis ab 1,1V unterbrochen.
Edit: R3 muss noch berechnet werden, je nachdem wie viel Strom das Relais zieht. Durch den NC-Kontakt des Relais wird der Stromkreis unterbrochen, nachdem die Akkuspannung 1,1V unterschritten hat. Die Bauteile kriegt man für paar cent beim Reichelt oder sonstwo.
[ Diese Nachricht wurde geändert von: teotihuacan am 23 Jan 2008 15:33 ]
|
BID = 494061
P4CM4N Gesprächig
  
Beiträge: 120
|
Die 9V Quelle ist jetzt nur zum Schalten des Relais da?
Wenn ich diesen Schaltplan jetzt einem beim Conrad vorlege, kann der mir dann die teile geben (also sind da Bezeichnungen für jede Komponente drauf mit den jeweiligen Werten? Natürlich außer das mit dem Widerstand)
Sry, bin in Sachen Schaltplan lesen und so keine Ahnung. Ich hätte auch nicht gedacht das es so kompliziert ist
Bis jetzt hatte ich Schaltpläne mit ner Stromquelle, nem Schalter und ner Glühbirne oder so
Und noch was:
Kann man statt der 9V Quelle die Komponenten auch so ändern, dass man 12V nehmen kann? Weil die würde mir hier zur Verfügung stehen.
Wenn nur 9V geht muss ich eben sone Block Batterie nehmen.
Viele Dank für eure Hilfe
Achso, löten und so ist kein Problem. Also wenn ich die Teile habe kann ich das auch alles zum laufen bringen
[ Diese Nachricht wurde geändert von: P4CM4N am 23 Jan 2008 17:19 ]
|
BID = 494069
Otiffany Urgestein
     
Beiträge: 13779 Wohnort: 37081 Göttingen
|
Wenn Du mit 12 Volt arbeiten willst, mußt Du für R1 2,7K statt der 2,2K einsetzen, dann stimmt es wieder.
Für R3 würde ich mal so zwischen 680 Ohm bis 1K einplanen.
Gruß
Peter
|
BID = 494090
sam2 Urgestein
     
Beiträge: 35321 Wohnort: Franken (bairisch besetzte Zone)
|
Dir ist aber schon klar, daß Du dann PRO geleichzeitig zu entladender Akkuzelle EINE separate Hilfsspannungsversorgung brauchst.
Das ist ME unsinnig.
Besser ne passive Schaltung nehmen!
_________________
"Das Gerät habe ich vor soundsoviel Jahren bei Ihnen gekauft! Immer ist es gegangen, immer. Aber seit gestern früh geht es plötzlich nicht mehr. Sagen Sie mal, DA STIMMT DOCH WAS NICHT???"
|
BID = 494092
P4CM4N Gesprächig
  
Beiträge: 120
|
Hallo,
ich hab mich jetzt mal ein bisschen mit dem Schalplan beschäftigt und auch schon manche Sachen beschriftet. Nur zu einigen Zeichen habe ich keine Erklärung gefunden. Könntet ihr mir da bitte helfen?
Außerdem verstehe ich das nicht ganz mit den Stromquellen. Wo muss jetzt was ran?
+12V da, wo 9V steht (wenn man den Widerstand ändert natürlich)
-12V an die Masse
Jetzt kommt der Teil wo ich mir nicht sicher bin
+7,2V an U Akku
-7,2V an Masse
nur was ist mit den 0V?
Edit: Das ist war, von daher wäre eine passive Schaltung warlich besser. Aber ich könnte doch auch die 12V spalten und so zu jeder Schaltung führen oder? Also das Kabel an einen Verteiler, dann zu jeder Schaltung
[ Diese Nachricht wurde geändert von: P4CM4N am 23 Jan 2008 18:58 ]
|
BID = 494094
Goetz Schreibmaschine
     Beiträge: 1966 Wohnort: Dresden
|
Können wir mal bitte klären, um was für Akkus es sich handelt ???
Ich befasse mich auch mit RC-Modellen, allerdings nicht in der Rennszene....
NiCD hat man (kann man ) bis 0,8 (oder 0,9) V/Zelle entladen. Einfach mit einer Si-Diode und einem niederohmigen Widerstand! Einige haben die Diode weggelassen und auf 0 (null) Volt entladen, wenn gleich danach geladen wurde war es wohl auch ohne bleibende Folgen ....
Für NiMH sollte das doch auch gelten, bei 0,8 nehmen die doch noch keinen Schaden!!??
Also, wie funzt die "alte"Platine, und was sind das für "neue" Zellen????
|
BID = 494098
Otiffany Urgestein
     
Beiträge: 13779 Wohnort: 37081 Göttingen
|
0 Volt und GND ist wie man auch aus dem Plan entnehmen kann, identisch.
Ich denke, Du willst die einzelnen Zellen überwachen, dafür ist die Schaltung jetzt dimensioniert, also ist der Eingang am OP nicht für 7,2 Volt, sondern für 1,1 Volt gedacht (eine Zelle nämlich!).
Gruß
Peter
|