TSOP 1738 + Creativ RM-1500 +PIC 16

Im Unterforum Microcontroller - Beschreibung: Hardware - Software - Ideen - Projekte

Elektronik Forum Nicht eingeloggt       Einloggen       Registrieren




[Registrieren]      --     [FAQ]      --     [ Einen Link auf Ihrer Homepage zum Forum]      --     [ Themen kostenlos per RSS in ihre Homepage einbauen]      --     [Einloggen]

Suchen


Serverzeit: 20 12 2025  17:02:53      TV   VCR Aufnahme   TFT   CRT-Monitor   Netzteile   LED-FAQ   Oszilloskop-Schirmbilder            


Elektronik- und Elektroforum Forum Index   >>   Microcontroller        Microcontroller : Hardware - Software - Ideen - Projekte


Autor
TSOP 1738 + Creativ RM-1500 +PIC 16

    







BID = 640927

madymaxy

Gerade angekommen


Beiträge: 4
Wohnort: Heinsberg
 

  


Guten Morgen Zusammen,

habe folgendes vor: Möchte mir eine IR-Steuerung bauen, die 4 Relais
schaltet.
Im angehängten Schaltplan könnt ihr sehen wie ich mir das vorgestellt
habe.
(Der TSOP1740 ist jedoch durch den TSOP1738 zu ersetzen da die Creative
RM-1500 in 37,88khz sendet)

Ich studiere Informatik von daher bin ich nicht so der E-Technik-Freak
;)
und daher habe ich auch einige Fragen an euch:

Verstehe noch nicht richtig wie die Verbindung über Infrarot
funktioniert.
Was genau kommen für Daten aus dem TSOP?Daten mit Header oder ohne,quasi
wirklich nur meine Digitalen Codes?

Die Codes für die Fernbedienung habe ich auf folgender Seite gefunden:
http://lirc.sourceforge.net/remotes/creative/RM-1500

und zwar interressiert mich nur folgender Teil(da ich nur 4 relais
schalten will):


begin remote

name Creative_RM-1500
bits 16
flags SPACE_ENC|CONST_LENGTH
eps 30
aeps 100

header 9078 4671
one 663 1607
zero 663 497
ptrail 662
repeat 9078 2216
pre_data_bits 16
pre_data 0x8322
gap 106974
min_repeat 4
toggle_bit 0

begin codes
Up 0x0000000000007B84
Left 0x0000000000008778
Right 0x000000000000758A
Down 0x0000000000008D72
end codes

end remote


Nur wie gesagt weiß ich nicht genau was ich mit den Daten für den Header
usw anfangen soll.

Dann bleibt noch die Frage, ob es überhaupt möglich ist mit dem
PIC16F84a
überhaupt die Codes auszuwerten, da es ja nur ein 8-Bit IC ist.

Bitte dringend um eure Hilfe.....


Mit freundlichen Grüßen
Yves Nießen

PS: Hoffe, dass es im richtigen Forum ist. Wenn nicht bitte verschieben.



BID = 640944

perl

Ehrenmitglied



Beiträge: 11110,1
Wohnort: Rheinbach

 

  


Zitat :
Was genau kommen für Daten aus dem TSOP?Daten mit Header oder ohne,quasi
wirklich nur meine Digitalen Codes?
Das steht im Datenblatt:
Man braucht etwa 10 Zyklen des modulierten IR-Lichts, damit der Ausgang auf GND geht, aber es sollen nicht mehr als 70 Zyklen sein, und danach muss mindestens 14 Zyklen Sendepause herrschen.
Am einfachsten macht man also Impuls und Pause gleich lang, z.B. je 25 Zyklen und käme so auf eine Baudrate von 38000/50=760 . Bis zu 1400 ist möglich, sagt das Datenblatt.

Um die Modulationsart und das Transportprotokoll musst du dich selbst kümmern, unter Beachtung der obigen Regeln hast du da freie Wahl.


Zitat :
Dann bleibt noch die Frage, ob es überhaupt möglich ist mit dem PIC16F84a
überhaupt die Codes auszuwerten, da es ja nur ein 8-Bit IC ist.
Sicher, aber da dieser Prozessor nur ein paar Bytes Speicher hat, dürfte es schwierig werden 512-Byte-Blöcke plus ECC zu behandeln.
Deshalb ist es vielleicht zweckmäßig auf Codierungs- und Übertragungsverfahren der speicherlosen Zeit der Elektromechanischen Maschinen zurückzugreifen.


P.S.:
Deinen Schaltplan kann ich nicht öffnen:
Zitat :
72786_1255513769file1_Kopie_von_empfaenger.jpg

Format stimmt nicht !
Keine gültige Datei mit der Endung : jpg


[ Diese Nachricht wurde geändert von: perl am 14 Okt 2009 14:34 ]

BID = 640976

madymaxy

Gerade angekommen


Beiträge: 4
Wohnort: Heinsberg


Zitat :
Um die Modulationsart und das Transportprotokoll musst du dich selbst kümmern, unter Beachtung der obigen Regeln hast du da freie Wahl.


Warum habe ich da freie Auswahl? Habe doch schon eine fertige Fernbedienung die ich nutzen möchte, muss ich es dann nicht darauf anpassen?


Zitat :
Deshalb ist es vielleicht zweckmäßig auf Codierungs- und Übertragungsverfahren der speicherlosen Zeit der Elektromechanischen Maschinen zurückzugreifen.


was denn z.B.?


verstehe jedoch immer noch nicht genau wie ich nun an die Codes komme.... weil mich interessieren ja im Endefekkt nur die interessanten 16bit und die kann ich doch im Speicher speichern und den Rest verwerfen oder?


Aber danke für deine Antworten. Bin halt leider noch ein ziemlicher Neuling in Sachen E-Technik.....

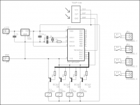
Hier nochmal der Schaltplan hoffentlich klappt es diesmal





[ Diese Nachricht wurde geändert von: madymaxy am 14 Okt 2009 19:06 ]

BID = 640983

perl

Ehrenmitglied



Beiträge: 11110,1
Wohnort: Rheinbach


Zitat :
Habe doch schon eine fertige Fernbedienung die ich nutzen möchte
Wo hattest du das erwähnt?
Meinst etwa dies hier:
Zitat :
und zwar interressiert mich nur folgender Teil(da ich nur 4 relais
schalten will):
Dazu darf ich dir verraten, dass ich schon soviel programmiert habe, dass meine Neugier auf fremden Code nahezu Null ist. Besonders dann, wenn er wie hier unkommentiert ist. 90% dessen, was da so veröffentlicht wird, ist sowieso schlecht oder falsch programmiert oder unvollständig.

Du schriebst doch, dass du Informatik studierst.
Dann wird es dir doch keine Schwierigkeiten bereiten diese paar Deklarationen zu verstehen und die fehlende Information zusammenzusuchen.

Zitat :
Bin halt leider noch ein ziemlicher Neuling in Sachen E-Technik.....
Mit E-Technik hat das auch nur insofern zu tun, als dass der PIC nicht mit Briketts angetrieben wird.

Der Schaltplan sieht soweit ok aus. Du solltest aber der Leitung nach RA4 noch einen Pull-up Widerstand spendieren. Mögflicherweise brauchst du auch Freilaufdioden an den Relaisspulen.


BID = 640993

madymaxy

Gerade angekommen


Beiträge: 4
Wohnort: Heinsberg

Mit der Fernbedienung erwähnt hatte ich es hier:


Zitat :
da die Creative
RM-1500 in 37,88khz sendet


aber war natürlich ein wenig zu ungenau also sorry.


Es geht sich ja auch nicht um den Code an sich sondern um die Informationen die man aus diesem gewinnen kann.

Und genauer: sogar eigentlich nur um die Codes die den Tasten zugeordnet sind.

Jedoch sind meine probleme:

1. Habe noch nicht wirklich in Assembler programmiert

2. Versteh ich nicht genau wie ich die Daten auswerten soll. Die ankommen also wie genau ich einfach nur prüfen kann ob ein
0x0000000000007B84 ankommt, damit dann der Ausgang 1 geschaltet wird.


Naja hat schon ein wenig mehr mit E-Technik zu tun aber naja. muss halt wissen wie genau die Daten am PIC ankommen wie bei *.WAV Dateien also bei jedem Zykel mit Header oder wie?!?!


Zitat :
Du solltest aber der Leitung nach RA4 noch einen Pull-up Widerstand spendieren. Mögflicherweise brauchst du auch Freilaufdioden an den Relaisspulen.


Wofür den Pull-Up-Widerstand?!?!
Was bewirken die Freilauf-Dioden?

Dankeschön








BID = 641008

perl

Ehrenmitglied



Beiträge: 11110,1
Wohnort: Rheinbach


Zitat :
Wofür den Pull-Up-Widerstand?!?!
Weil der PIC an den RA-Pins keine hat, und der TSOP seinen Ausgang auch nicht nach Plus treibt, sondern nur als Stromsenke funktioniert.

Zitat :
Was bewirken die Freilauf-Dioden?
Sie verhindern dass beim Abschalten der Transistoren diese evtl. durch induktive Überspannungen beschädigt werden oder andere Störungen auftreten.


Zitat :
1. Habe noch nicht wirklich in Assembler programmiert
Dann solltest du 1. damit anfangen und 2. nicht gleich so dicke Bretter bohren wollen.
Bring z.B. erst mal die Relais ohne weiteren Input im Sekundentakt oder so zum klappern, und wenn das gelungen ist, kannst du auch mal testen, ob es dir gelingt das Vorhandensein von Daten an RA4 abzufragen. Danach könntest du mal versuchen, ob du den Timer so programmieren kannst, dass er das macht, was du willst.
Das alles, um den Befehlssatz zu lernen und etwas Gefühl für die Programmiertechnik zu bekommen.

Dann kannst du dir mal in den von Microchip gelieferten Beispielprogrammen (Software-UART) ansehen, wie eine serielle Schnittstelle programmiert wird.
Ob dabei nun 7 oder 27 Bit eingesammelt werden, ist letztlich kein grosser Unterschied.

Das LIRC-Projekt, welches der Simulation diverser Fernbedienungen mittels PC dient, existiert ja wohl schon über 10 Jahre.
Da zur der Vielzahl der auf dem Markt befindlichen Fernbedienungen fast ebensoviele Protokolle gehören, hat man da einen Automaten geschaffen, den man mit einer Handvoll Parameter füttern muss, bevor er wunschgemäss funktioniert.
Das sind z.B. die Trägerfrequenzen (hier 38kHz) die die Soundkarte ggfs. herstellen muss, sowie weitere Details über Zahl, Lage und Bedeutung der übertragenen Bits.
Prinzipiell kannst du erwarten, dass solch ein Datentelegramm aus einem Vorspann besteht, damit der Empfänger sich mit dem Bitstrom synchronisierern kann, dann folgt eine bestimmte Bitkombination mittels derer dem Empfänger der Beginn der Daten mitgeteilt wird, dann folgen die Nutzdaten und am Schluss evtl. noch eine Prüfsumme.
Das funktioniert meist nicht viel anders als die Datenaufzeichnung auf einer Diskette.

Um zu ergründen, was genau die für deine Fernsteuerung angegebenen Parameter bewirken, musst du in die Dokumentation des LIRC-Projekts schauen.
Hier ein Einstieg: http://de.wikipedia.org/wiki/LIRC

Da dieses Projekt schon so lange existiert, halte ich es für sehr gut möglich, dass jemand etwas ähnliches schon auf einem PIC programmiert hat, und du diesen Code nur noch etwas zu modifizieren brauchst.


[ Diese Nachricht wurde geändert von: perl am 14 Okt 2009 21:49 ]

BID = 641312

madymaxy

Gerade angekommen


Beiträge: 4
Wohnort: Heinsberg

Ok danke schonmal für die Hilfe hat mir schon einiges gebracht werd mich aber nochmal ein wenig mehr schlau machen und mich ggf wenn ich es nicht schaffe nochmal bei dir melde....


Gruß Yves


Zurück zur Seite 0 im Unterforum          Vorheriges Thema Nächstes Thema 


Zum Ersatzteileshop


Bezeichnungen von Produkten, Abbildungen und Logos , die in diesem Forum oder im Shop verwendet werden, sind Eigentum des entsprechenden Herstellers oder Besitzers. Diese dienen lediglich zur Identifikation!
Impressum       Datenschutz       Copyright © Baldur Brock Fernsehtechnik und Versand Ersatzteile in Heilbronn Deutschland       

gerechnet auf die letzten 30 Tage haben wir 18 Beiträge im Durchschnitt pro Tag       heute wurden bisher 6 Beiträge verfasst
© x sparkkelsputz        Besucher : 187845270   Heute : 14684    Gestern : 15830    Online : 426        20.12.2025    17:02
22 Besucher in den letzten 60 Sekunden        alle 2.73 Sekunden ein neuer Besucher ---- logout ----viewtopic ---- logout ----
xcvb ycvb
0.117414951324