| Autor |
|
|
|
BID = 94140
Lötfix Schreibmaschine
    
Beiträge: 2328 Wohnort: Wien
|
|
Hallo!
Eigentlich braucht man nicht sehr viel damit die CPU läuft. Taktgenerator, Eprom, statisches Ram (kein Speichercontroller wie bei Dram notwendig weil kein Refresh) und natürlich die Adreßdecodierung, Register mit Led und Bustreiber mit Dekadenschaltern damit man was zum Einlesen und Ausgeben hat. Würde mal mit 286 anfangen, die haben noch wenig Pins.
mfg lötfix |
|
BID = 94145
MicroTobi Gesprächig
  
Beiträge: 141 Wohnort: Herrenberg
|
|
Danke für die Antwort.
Ich werde mir dann mal ein paar CPU´s zulegen, dann kann ich mit testen loslegen, nur sollte ich noch wissen mit welchem Programm ihr das macht??
Gruß Tobi |
|
BID = 94193
Benedikt Inventar
      Beiträge: 6241
|
Zitat :
MicroTobi hat am 23 Aug 2004 17:01 geschrieben :
|
Hallo,
ich hab jetzt MASM runtergeladen, is das richtig??
Hab gleich noch nach nem Tutorial geschaut und die Beispielcodes sehen da ziemlich anders aus, wei deine :-?
Was benutzt du für ein Programm???
Würde mich sehr über Hilfe freuen
Gruß Tobi
|
Poste doch mal eines der Beispielprogramme. Normalerweise sollten die alle kompatibel sein.
Ein 286er ohne Mainboard betreiben ist noch machbar (man braucht halt 16bit EPROMs, bzw. 2x 8bit). Und man darf den CPU nicht zu schnell takten, denn sonst ist das EPRM zu langsam. Auf einem Mainboard kann man den CPU auch schneller takten, da der Chipsatz den Controller ausbremst, falls der Speicher zu langsam ist.
Bei 386ern ist das aber aufgrund der Geschwindigkeit schon aufwendiger, und man braucht 32bit Daten...
|
BID = 94433
MicroTobi Gesprächig
  
Beiträge: 141 Wohnort: Herrenberg
|
Danke für die schnelle Antwort!
Habe die Seite mit den Beispielen nicht mehr gefunden, dafür aber eine andere!
http://homepages.compuserve.de/fmat.....e.htm
Sind das die richtigen Befehle? Und wo bekomme ich den richtigen Assembler her, hab jetzt zwar ein paar gefunden, die kosten aber alle um die 40€
Zum EProm:
Könnte man nicht das Programm in den EProm ablegen und beim Starten des PC´s in einen 15ns SRam übertragen und von dort aus den CPU auslesen lassen???
Des wäre doch bestimmt schneller als die Daten aus nem EProm zu lesen.
Würde mich sehr über Hilfe freuen.
Gruß Tobi
|
BID = 94456
Benedikt Inventar
      Beiträge: 6241
|
Auf http://www.programmersheaven.com soltest du sicher was finden, einfach mal unter 8086 suchen.
Die Idee mit dem ROM und RAM ist kein Problem, aber wie kopiert man das ROM in den RAM ?
Bei einem Mainboard ist das einfach: Am Anfang der BIOS habe ich einen Bootloader geschrieben, der sich selbst ins RAM kopiert. Dies ist zwar langsam, aber der Chipsatz bremst den CPU aus, wenn das EPROM nicht hinterher kommt.
|
BID = 94476
MicroTobi Gesprächig
  
Beiträge: 141 Wohnort: Herrenberg
|
Hallo,
manchmal glaube ich, dass ich zu dumm zum Suchen bin
Aber danke für den Link!!
Man könnte doch auf das Motherboard einen AVR setzten, der beim Starten des PC´s zuerst den EProm in den SRAM kopiert und dann den CPU so zu sagen startet. Der list dann einfach sein Programm aus dem RAM, oder?
Ich denke mal das von der Geschwindigkeit her der AVR locker reichen sollte.
Du weist nicht zufällig, wo man einen 286er her bekommt, weil bei Ebay hab ich bis jetzt nur 386 und 486er gefunden
Würde mich sher über Hilfe freuen!
Gruß Tobi
|
BID = 94627
MicroTobi Gesprächig
  
Beiträge: 141 Wohnort: Herrenberg
|
Hab jetzt bischen mit dem Assembler rumprobiert und mir kommt des schon "etwas" schwierig vor  .
Hab mir jetzt bei Ebay einen 386 von AMD gekauft.
Könnte man später wenn ich den CPU AVR durch den intel CPU ersetzt habe nicht auch die Grafikkarte mit nem Intel CPU verwirklichen??? Weil schnell genug müssten die doch sein!
Aber für den Anfang hätte ich trotzdem gerne einen 286 zum Testen, da der auch weniger Anschlüsse hat. Weis jemand, wo man so einen her bekommt?????
Würde mich wirklich sehr über Hilfe freuen
Gruß Tobi
|
BID = 94635
Benedikt Inventar
      Beiträge: 6241
|
Der 286er, 386er usw ist ein CPU und kein Controller !
Er kann intern sehr schnell rechnen, aber nicht schnell genug die Daten an den DAC senden.
Mal schauen ob die ISA Grafikkarte im Mainboard funktioniert. Eine HDD mit Wave Dateien zum abspielen läuft schonmal...
|
BID = 94637
MicroTobi Gesprächig
  
Beiträge: 141 Wohnort: Herrenberg
|
Was wäre dann z.B. ein Controller, der schnell genug wäre??
Gruß Tobi
|
BID = 94685
Benedikt Inventar
      Beiträge: 6241
|
TVGA8900, TVGA9000, S1D13504, FPGA, CPLD AVR + VRAM usw.
Alles was schnell Daten aus einem Speicher lesen kann und gleichzeitig (oder extrem kurz danach) noch Daten empfangen kann.
|
BID = 95197
MicroTobi Gesprächig
  
Beiträge: 141 Wohnort: Herrenberg
|
AVR + VRAM ???
Bei 640*480*60 hat man doch einen Pixeltakt von 18,4 Mhz und der AVR schafft doch bloß 16 Mhz
Da ich des mit den FPGA´s und CPLD´s ned ganz raff, versuch ich es vielleicht mal mit ein paar Logikbausteinen.
Ist das wirklich so kompliziert?????
Würde mich sehr über Hilfe freuen
Gruß Tobi
|
BID = 95207
Benedikt Inventar
      Beiträge: 6241
|
Zitat :
MicroTobi hat am 26 Aug 2004 12:13 geschrieben :
|
AVR + VRAM ???
Bei 640*480*60 hat man doch einen Pixeltakt von 18,4 Mhz und der AVR schafft doch bloß 16 Mhz
|
Der AVR langweilt sich sogar, denn der VRAM hat einen internen Adresszähler, so dass der uC nur einmal alle paarhundert Bytes aktiv werden muss. Und es ist ein Dualport RAM, aber die Dinger habe ich bisher nur auf alten PCI Matrox Grafikkarte gesehen, bzw. auf uralten CAD Grafikkarten.
Zitat :
|
Da ich des mit den FPGA´s und CPLD´s ned ganz raff, versuch ich es vielleicht mal mit ein paar Logikbausteinen.
Ist das wirklich so kompliziert?????
|
Ja, ist es.
Normaler DRAM ist zu langsam, SRAM in passender Größe zu teuer. Interleaving (aus zwei Speichern abwechselnd lesen, bzw. 16 oder 32bit Speicher verwenden) aufwendig.
Du kannst es ja gerne mal versuchen, aber spätestens wenn es um das Beschreiben des Speichers geht wird es extrem aufwendig und kompliziert.
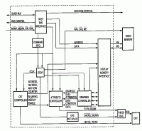
Schau dir mal das Block Schaltbild einer VGA Grafikkarte an.
|
BID = 95215
Benedikt Inventar
      Beiträge: 6241
|
|
BID = 95246
MicroTobi Gesprächig
  
Beiträge: 141 Wohnort: Herrenberg
|
Hi,
das mit dem beschreiben vom Speicher dürfte eigentlich kein Problem werden, da ich 2 Speicher nehme (in jeden Speicher ein Bild) und dann ja immer nur den einen Anzeigen kann. Den anderen kann ich dann doch ohne Probleme beschreiben, oder?
Das mit dem Auslesen des Speichers wird denke ich schon schwerer, aber wo ich keine Ahnung hab, wie ich des machen soll ist: Wie muss ich das ganze Takten,d amit der Bildschirm nicht kaputt geht
zu den Links:
Beim 2. Link wird eine Grafikkarte mit einem Xilinx IC gezeigt, aber diese Karte sendet doch ein TV Signal aus, oder???? Die 2. Karte hat zwar VGA aber nur Schwarz-Weiß, oder täusch ich mich???
Beim 1. Link wird eine Graka mit einem Altera IC gezeigt. Unterstützt diese Graka alle dort aufgeführten Auflösungen?? Und wo bekommt man einen Max2Plus her?
Würde mich sehr über Hilfe freuen!
Gruß Tobi
|
BID = 95292
Benedikt Inventar
      Beiträge: 6241
|
Das Problem ist immer die langsame Speicher.
http://elm-chan.org/works/sdisp/sdisp.png
Bei diesem werden auch alle 8bits der Reihe nach ausgegeben, damit der Speicher langsam sein kann.
Im prinzip könnte man 8 Speicher für 256 Farben verwenden...
|