Messverstärkerschaltung Im Unterforum Messgeräte - auch im Selbstbau - Beschreibung: Vorstellung und Diskussion über Meßgeräte, die auch für Hobby noch erschwinglich sind.
| Autor |
|
|
|
BID = 116876
skyblue Gerade angekommen
Beiträge: 3 Wohnort: Porta Westfalica
|
|
Hallo zusammen.
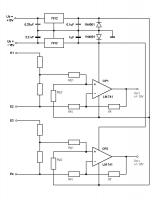
Ich habe mir eine Messverstärkerschaltung ausgeknobelt.
Sie soll eingangsseitig mit +/-10V beschickt werden und ebensolche ausgeben (=Potentialtrennung).
Soweit ich weiss, ist dafür eine Spannungsversorgung mit positivem und negativem Spannungsregler erforderlich.
Die Schaltung habe ich hier hinterlegt : http://service.gmx.net/mc/gyGFg9VfV.....b83b4
(Bitte GMX-Media-Center starten - hoffentlich klappt der Link)
Meine Frage: Funktioniert die Schaltung so wie dargestellt?
(Ua würde gegen Masse gemessen)
Zusätzlich sollen die Widerstände so ausgelegt werden, dass, falls einer ausfällt, am Ausgang keine gefährliche Spannung entstehen kann. Dazu müsste ich wissen, wie sich Metallfilm- und Kohleschichtwiderstände im Fehlerfall verhalten. Wer wird hoch- wer niederohmig? Mir fehlt da etwas die Praxis...
Schon mal Danke im Voraus
Gruss Martin
[ Diese Nachricht wurde geändert von: skyblue am 20 Okt 2004 21:37 ] |
|
BID = 116886
perl Ehrenmitglied
       
Beiträge: 11110,1 Wohnort: Rheinbach
|
|
Zitat :
| | (=Potentialtrennung). |
Dieses Ziel hast du jedenfalls nicht erreicht.
Vielleicht ist das, was dir vorschwebt ja auch nur ein Instrumentenverstärker.
Am besten du erklärst mal etwas näher, was die Schaltung tun soll.
Und poste etwaige Schalztungen bitte hier, das ist nicht so umständlich.
_________________
Haftungsausschluß:
Bei obigem Beitrag handelt es sich um meine private Meinung.
Rechtsansprüche dürfen aus deren Anwendung nicht abgeleitet werden.
Besonders VDE0100; VDE0550/0551; VDE0700; VDE0711; VDE0860 beachten ! |
|
BID = 116926
skyblue Gerade angekommen
Beiträge: 3 Wohnort: Porta Westfalica
|
Hallo,
ich wusste auf die Schnelle nicht, wie ichs anders ins Netz bekommen sollte. Dafür, dass es das erste mal war, gings aber ganz passabel  OK, jetzt hab ich das mit dem Upload auch gesehen
Also mir geht es um eine OP-Verstärker-basierte Schaltung, die potentialgetrennte Motorstrom- und Spannungswerte in ground-gekoppelte Werte umsetzt.
Diese sollen dann über eine LabView Anwendung weiterverarbeitet werden.
Potentialtrennung war vieleicht etwas falsch ausgedrückt
Über den Eingangsspannungsteiler passe ich die Spannung an (auf einem Kanal bis zu 200 V AC).
Nebenbei: Wird das mit den Spannungsreglern so klappen?
Gruss Martin
|
BID = 116965
perl Ehrenmitglied
       
Beiträge: 11110,1 Wohnort: Rheinbach
|
Diese Schaltung mit nur einem OpAmp hat tendenziell eine schlechte Unterdrückung von Wechselspannungen.
Außerdem hängt die erreichbare Gleichtaktunterdrückung sehr stark von der präzisen Paarung der Widerstände ab.
Wenn du dann noch einen OpAmp aus der Mottenkiste verwendest, brauchtst du dich über schlechte Ergebnisse nicht zu wundern.
Du brauchst das Rad aber nicht neu zu erfinden.
Schau dir mal dieses Datenblatt an:
http://www.analog.com/UploadedFiles.....a.pdf
Sicher, das Teil ist teurer als eine Handvoll 741er, aber von den Werten kann der Eigenbauer auch nur träumen.
_________________
Haftungsausschluß:
Bei obigem Beitrag handelt es sich um meine private Meinung.
Rechtsansprüche dürfen aus deren Anwendung nicht abgeleitet werden.
Besonders VDE0100; VDE0550/0551; VDE0700; VDE0711; VDE0860 beachten !
|
BID = 117091
skyblue Gerade angekommen
Beiträge: 3 Wohnort: Porta Westfalica
|
Soo viel verstehe ich leider nicht von den Werten, aber die bessere Gleichtaktunterdrückung sagt mir schon was.
Mir reicht das aber mit den 741, da ich sie schon gekauft habe und LabView für den Fall, dass das Signal nicht sauber ist, Filter anbietet.
|
|
Zum Ersatzteileshop
Bezeichnungen von Produkten, Abbildungen und Logos , die in diesem Forum oder im Shop verwendet werden, sind Eigentum des entsprechenden Herstellers oder Besitzers. Diese dienen lediglich zur Identifikation!
Impressum
Datenschutz
Copyright © Baldur Brock Fernsehtechnik und Versand Ersatzteile in Heilbronn Deutschland
gerechnet auf die letzten 30 Tage haben wir 17 Beiträge im Durchschnitt pro Tag heute wurden bisher 1 Beiträge verfasst © x sparkkelsputz Besucher : 187950568 Heute : 8985 Gestern : 18748 Online : 336 26.12.2025 7:21 34 Besucher in den letzten 60 Sekunden alle 1.76 Sekunden ein neuer Besucher ---- logout ----viewtopic ---- logout ----
|
xcvb
ycvb
0.0941669940948
|