Störungen auf Versorgungsleitung beseitigen Im Unterforum Grundlagen - Beschreibung: Grundlagen und Fragen für Einsteiger in der Elektronik
| Autor |
|
Störungen auf Versorgungsleitung beseitigen |
|
|
|
|
BID = 369408
Fredl0511 Gelegenheitsposter
 
Beiträge: 95 Wohnort: Steiermark
|
|
Hallo,
ich habe folgendes Problem: Habe mir eine kleine Schaltung erstellt, die mittels eines MDB-Buses(5V TTL) mit ext. Geräten kommuniziert! Hab die Versorgung für den µC Teil schon mittels LC-Glied vor und nach dem 5V Spgs.regler gefiltert. (47µH,100nF). Die Versorgungsspg. für die ext. geräten (35V) auch mit LC-Glied gesiebt!
Sobald ich aber einen Verbraucher z.B. Bürstenmotor einschalte der selbst nicht entstört ist, fangen mir die ext. Komp. an irgendwelche Sachen zu senden obwohl noch kein ereignis passiert ist. Die Geräte sind int. aber mit Optokoppler vom µC galv. getrennt. hinter den Optokopplern kann ich aber massive Störungen messen sodass mir die Geräte int. fehler erzeugen, D.h. nun das die 35V Spannungsversorgung selber schon mit Störungen vom netz beaufschlagt wird oder? hab jetzt schon LC glieder kaskadiert,OHNE Erfolg.Netzfilter ist auch installiert!
Was kann ich gegen diese Störungen noch unternehmen bzw. wie sieht eine gut gefilterte Spannungsversorgung aus? Es gibt diverese Schaltungen im Netz für automative Anwendungen(bild), vielleicht eine solche einsetzen?
mfg
Fredl |
|
BID = 369409
Fredl0511 Gelegenheitsposter
 
Beiträge: 95 Wohnort: Steiermark
|
|
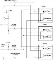
Hier noch ein auszug aus der Spezifikation des Bussystems wie die Anbindung an den Bus zu erfolgen hat.
|
|
|
Zum Ersatzteileshop
Bezeichnungen von Produkten, Abbildungen und Logos , die in diesem Forum oder im Shop verwendet werden, sind Eigentum des entsprechenden Herstellers oder Besitzers. Diese dienen lediglich zur Identifikation!
Impressum
Datenschutz
Copyright © Baldur Brock Fernsehtechnik und Versand Ersatzteile in Heilbronn Deutschland
gerechnet auf die letzten 30 Tage haben wir 17 Beiträge im Durchschnitt pro Tag heute wurden bisher 6 Beiträge verfasst © x sparkkelsputz Besucher : 188001763 Heute : 5780 Gestern : 15227 Online : 269 29.12.2025 17:14 6 Besucher in den letzten 60 Sekunden alle 10.00 Sekunden ein neuer Besucher ---- logout ----viewtopic ---- logout ----
|
xcvb
ycvb
0.194531917572
|