Schaltungserklärung: Chopper? Im Unterforum Grundlagen - Beschreibung: Grundlagen und Fragen für Einsteiger in der Elektronik
| Autor |
|
Schaltungserklärung: Chopper? |
|
|
|
|
BID = 558844
Magnua Gerade angekommen
Beiträge: 1 Wohnort: Berlin
|
|
Hallo liebes Forum,
also ich hab folgendes Problem:
Ich bin Schüler der 1. HTL in Österreich (für alle Deutschen, die das hier lesen: Eine Höhere Technische Lehranstalt ist in Österreich so ein technisches Mittelding zwischen Abitur/Matura und Fachhochschule - so in der Art) und im Labor haben wir eine Schaltung aufgebaut und getestet...die ich nun erklären soll. Das Problem: Der Lehrer wollte uns die Schaltung nicht erklären, d.h. ich habe versucht soviel wie möglich durch logisches Denken selber herauszufinden.
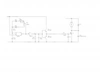
Zum 1.Teil:
Der 4093 ist in der Schaltungsform doch nichts weiter als ein Astabiler Multivibrator, sprich Rechteckgenerator?! Was ich nicht ganz versteh: Wieso ist die high und low Zeit des 4093 gleich, wenn sie das doch garnicht sein kann (wegen P2)??
Der 4049 invertiert das Signal, warum auch immer man den hier einsetzt?
R3 und C5 entzieht sich auch meinem Verständnis, warum man die hier braucht?
T1 und T2 dienen als Gegentaktstufe für den FET.
2.Teil:
Wofür wird D1 und R1 benötigt? D2 ist wohl eine Freilaufdiode, damit die Induktivitäten des Motors den FET nicht zerstören, aber die Zenerdiode D3?
Aufjedenfall bedank ich mich schon mal bei allen, die überhaupt sich die Mühe gemacht haben, und soweit gelesen haben...ist ja nicht selbstverständlich. Vielleicht kann der eine oder andere ja auch sein Wissen mit einem Einsteiger teilen.....dafür wäre ich sehr dankbar.
In diesem Sinne....
Schöne Grüße aus der Alpen-Republik
Magnus
|
|
BID = 558863
Lötfix Schreibmaschine
    
Beiträge: 2328 Wohnort: Wien
|
|
Hallo, und herzlich Willkommen im Forum!
Also D1 schützt den Mosfet vor negativen Spannungen am Gate, R1 begrenzt den Strom beim Umladen der Gatekapazität und verhindert außerdem Schwingungen. D2 ist eine Freilaufdiode, D3 als Zenerdiode schützt den Mosfet vor zu hohen Spannungen an D-S.
Zum Tastverhältnis:
Schau Dir im Datenblatt die Schaltschwellen VP und VN an, Bei VDD=15V sind die deutlich unter der halben Versorgungsspannung. Somit ergibt sich beim Aufladen (VDD-VN) von C4 ein höherer Strom als beim Entladen (VP).
Man kann die Potis so einstellen, daß high und low gleich lang sind.
Der 4049 kann als Treiber höchstwarscheinlich einen höheren Ausgangsstrom als der 4093 siehe Datenblatt
Das Folgende sind nur Vermutungen:
C5 wird hochfrequente Spitzen unterdrücken. R3 gibt ein Potential vor, wenn beim Umschalten der Endstufe des 4049 beide Fets kurzzeitig sperren.
mfg lötfix
_________________
Haftungsausschluß:
Bei obigem Beitrag handelt es sich um meine private Meinung. Rechtsansprüche dürfen daraus nicht abgeleitet werden. Sicherheitsvorschriften beachten!
Edit u.A. wegen Rächtschreipveller
[ Diese Nachricht wurde geändert von: Lötfix am 25 Okt 2008 18:30 ] |
|
BID = 558875
dl2jas Inventar
     
Beiträge: 9913 Wohnort: Kreis Siegburg
|
Der 4049 ist ein invertierender Pufferverstärker.
Der Lehrer hätte auch den 4050 nehmen können, nichtinvertierend. Beide Pufferverstärker nimmt man ganz gern, um TTL-Gatter ansteuern zu können.
Der 4093 ist kein normaler NAND-Baustein. Er hat eine Hysterese, die das Anlegen sich langsam ändernder Spannungen erlaubt. Die Hysterese beträgt etwa 20 % der Betriebsspannung.
Bei R3 bin ich auch am überlegen. Logik und Motor haben offensichtlich zwei verschiedene Betriebsspannungen. Fehlt die Betriebsspannung für die Logik, wird mit R3 immer ein definierter Zustand für T1 erreicht, nichtleitend.
DL2JAS
|
BID = 558908
perl Ehrenmitglied
       
Beiträge: 11110,1 Wohnort: Rheinbach
|
Zitat :
| | Bei R3 bin ich auch am überlegen. Logik und Motor haben offensichtlich zwei verschiedene Betriebsspannungen |
Das wäre die eine Möglichkeit.
Ich halte aber R3, C5 ebenso wie D1, und wahrscheinlich auch D3, für reine Verzierung.
Wer weiss, wovon die beim Abschreiben übrig geblieben sind. Vielleicht gabs da mal ein paar Stecker im Signalweg.
_________________
Haftungsausschluß:
Bei obigem Beitrag handelt es sich um meine private Meinung.
Rechtsansprüche dürfen aus deren Anwendung nicht abgeleitet werden.
Besonders VDE0100; VDE0550/0551; VDE0700; VDE0711; VDE0860 beachten !
[ Diese Nachricht wurde geändert von: perl am 25 Okt 2008 20:00 ]
|
BID = 559007
powersupply Schreibmaschine
    
Beiträge: 2920 Wohnort: Schwobaländle
|
Schlagt mich jetzt nicht
Aber D3 ist doch eine sogenannte Supressordiode.
Die soll wohl einspringen falls D2 versagt.
PS
|
BID = 559086
perl Ehrenmitglied
       
Beiträge: 11110,1 Wohnort: Rheinbach
|
Und wer springt ein, wenn der Transistor versagt ?
Nein, der einzige erkennbare Zweck dieser Diode ist es den Transistor vor Überspannung zu schützen, falls die Versorgung des Magneten ausser Rand und Band gerät.
_________________
Haftungsausschluß:
Bei obigem Beitrag handelt es sich um meine private Meinung.
Rechtsansprüche dürfen aus deren Anwendung nicht abgeleitet werden.
Besonders VDE0100; VDE0550/0551; VDE0700; VDE0711; VDE0860 beachten !
|
|
Zum Ersatzteileshop
Bezeichnungen von Produkten, Abbildungen und Logos , die in diesem Forum oder im Shop verwendet werden, sind Eigentum des entsprechenden Herstellers oder Besitzers. Diese dienen lediglich zur Identifikation!
Impressum
Datenschutz
Copyright © Baldur Brock Fernsehtechnik und Versand Ersatzteile in Heilbronn Deutschland
gerechnet auf die letzten 30 Tage haben wir 16 Beiträge im Durchschnitt pro Tag heute wurden bisher 16 Beiträge verfasst © x sparkkelsputz Besucher : 188010208 Heute : 5907 Gestern : 8349 Online : 207 30.12.2025 20:30 5 Besucher in den letzten 60 Sekunden alle 12.00 Sekunden ein neuer Besucher ---- logout ----viewtopic ---- logout ----
|
xcvb
ycvb
0.0351240634918
|