Autor |
Bipolartransistor BD249C |
|
|
|
|
BID = 608994
Minotaurus1337 Stammposter
    Beiträge: 267
|
|
Hallo,
Ich will mittels eines Potis das zwischen der stromquelle und der Basis eines BD249C Transistors geschalten ist die Collector Emitterspannung/Strom einstellen (mir gehts erstmal drum irgendeinen effekt zu bekommen). Aus dem Datenblatt kann ich nicht entnehmen wieviel Basisspannung/strom ich brauch um einen gewissen Prozentsatz der Collector Emitterspannung durchzuschalten (Bin ungeübt im Datenblattlesen kann sein dass es da steht). Ich hab mal gelernt das Bipolartransistoren nur entweder ein oder aus geschalten werden können aber in vielen schaltungen sind sie als "Elektronische-Potis" eingesetzt also muss es ja irgendwie gehen ^^.
DATENBLATT BD249C
Thx vielleicht hab ich auch schon nen Fehler im Grundgedanken. |
|
BID = 608999
dl2jas Inventar
     
Beiträge: 9913 Wohnort: Kreis Siegburg
|
|
Kauderwelsch
Was hast Du genau vor?
Ein Poti zwischen (idealer) Stromquelle und Basis des Transistors bringt nichts, da sich ja nie der Strom ändern kann, egal welche Stellung das Potentiometer hat.
Ein Transistor hat eine Stromverstärkung, möchtest Du diese ausnutzen?
In gewissen Grenzen ist der Basisstrom proportional zum Kollektorstrom, betrachte den Transistor als Stromverstärker.
DL2JAS
_________________
mir haben lehrer den unterschied zwischen groß und kleinschreibung und die bedeutung der interpunktion zb punkt und komma beigebracht die das lesen eines textes gerade wenn er komplizierter ist und mehrere verschachtelungen enthält wesentlich erleichtert |
|
BID = 609001
Minotaurus1337 Stammposter
    Beiträge: 267
|
Ja genau ich möchte den kleinen basisstrom auf der Collektor Emitter strecke verstärken. Hmmm halt mich für Blöd aber wieso kann sich der strom nicht ändern wenn ich ein Poti vor die Basis schalte ist dies doch ein in Reihe geschalteter Widerstand und laut (ich glaub) Ohmischen gesetzes heisst es doch in Reihe geschaltete Widerstände ändern den Strom ?!
Deiner Frage entnehme ich die Antwort für ne anderen Frage von mir nämlich: Die Spannung an der Basis ändert nicht sondern nur der strom gel ? =) Deswegen heisst es bei Silizium-Transistoren braucht man min. 0,7 V.
|
BID = 609008
Murray Inventar
     
Beiträge: 5156
|
Da du eine (Konstant)Stromquelle hast wird sich bei Veränderung des Widerstands halt der Strom nicht ändern. Hast dich bestimmt aber nur verschrieben bzw. weist es nicht besser.
Anders wäre es bei einer Spannungsquelle ...
Also was hast du genau vor???
Und wenn du nicht gerade die 5. Klasse besuchst kannst du dich bestimmt auch besser ausdrücken wenn du willst
|
BID = 609013
Minotaurus1337 Stammposter
    Beiträge: 267
|
Ähm ... Naja mit dem besser Ausdrücken hast du schonmal Recht ^^.
Okay ... also, für ein größeres Projekt und für die zukunft will ich einfach mal die Funktionsweise eines Bipolartransistors Pracktisch erleben. Bisher hab ich nur Theorie zu fast allen Themen der Elektronik die ich bisher durchgenommen habe drauf.
Deswegen habe ich an mein Labornetzteil welches die Konstant Spannungsquelle darstellt (Ja ich hab mich Doof ausgedrückt kannte den Unterschied (bzw dass es dass gibt)) nicht(und kenn ihn noch immer nicht)) die Kollektor-Emitter-Strecke des Transistors angeschlossen und ein Poti an die Basis des Transistors.
Warum dass jetzt nicht Funktioniert hat konnt ich mir mittlerweile erschliessen, weil ein Poti einen Spannungsteiler darstellt und die Basis aber nur von einer Stromveränderung beeinflusst wird. Ich brauche also noch einen 2ten Widerstand den ich in Reihe zum Poti schliesse. Ich Probier dass gleich mal aus ...
|
BID = 609014
Kleinspannung Urgestein
     
Beiträge: 13374 Wohnort: Tal der Ahnungslosen
|
Zitat :
Minotaurus1337 hat am 20 Mai 2009 23:45 geschrieben :
|
Deswegen habe ich an mein Labornetzteil die Kollektor-Emitter-Strecke des Transistors angeschlossen
|
Ohne Widerstand bzw. anderweitige "Last"?
Du Transistortöter!
Was passiert wohl,wenn das arme Ding durchsteuert?
Ach ja,der Unterschied zwischen Konstant stromquelle und Konstant spannungsquelle sagt doch schon der Name.
Offtopic :
|
jetzt sieht der Beitrag aus,als hätte ihn Primus geschrieben.
|
_________________
Manche Männer bemühen sich lebenslang, das Wesen einer Frau zu verstehen. Andere befassen sich mit weniger schwierigen Dingen z.B. der Relativitätstheorie.
(Albert Einstein)
[ Diese Nachricht wurde geändert von: Kleinspannung am 20 Mai 2009 23:56 ]
|
BID = 609016
Minotaurus1337 Stammposter
    Beiträge: 267
|
Dann gibs nen Kurzen ^^ ja irgendwie hab ich immer Probleme mit nem Lastwiderstand -.- den vergess ich immer -.- ... Naja okay aber zum glück macht mein Netzteil nur einen Bruchteil von dem Strom was der Transistor aushält. Kein Wunder dass es so gesummt hat.
Ja aber ich kann mir nicht vorstellen wie der Strom der glecihe bleiben kann bei sich Ändernder Spannung. Da schmoren doch die Leitungen wenn der Spannungfall zu groß wird ...
[ Diese Nachricht wurde geändert von: Minotaurus1337 am 20 Mai 2009 23:58 ]
|
BID = 609019
Kleinspannung Urgestein
     
Beiträge: 13374 Wohnort: Tal der Ahnungslosen
|
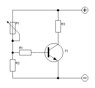
Versuch das zum messen,prüfen und verstehen mal so aufzubauen:
_________________
Manche Männer bemühen sich lebenslang, das Wesen einer Frau zu verstehen. Andere befassen sich mit weniger schwierigen Dingen z.B. der Relativitätstheorie.
(Albert Einstein)
|
BID = 609022
Minotaurus1337 Stammposter
    Beiträge: 267
|
Cool Thx ... ich hab dazu mal ne Frage ...
Wozu ist R2 da ?
Also R1 ist Klar, der ist dazu da um den Strom zu beeinflussen.
R3 damit es keinen Kurzschluss gibt wenn T1 durchsteuert.
P1 zum einstellen.
Ich bau dass gleich mal auf =) ...
Edit: Ah ich weiss schon dasselbe wie mit R3, damit es wenn dass Poti nahe 0 Ohm ist keinen Kurzschluss gibt ... =) Nochmals THX für die Schaltung ...
[ Diese Nachricht wurde geändert von: Minotaurus1337 am 21 Mai 2009 0:53 ]
|
BID = 609072
Minotaurus1337 Stammposter
    Beiträge: 267
|
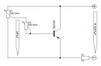
Also ich habe den Aufbau wie auf meinem Bild vorgenommen es dürfte eigentlich nix anderes sein wie auf den Bild von Kleinspannung.
P1 habe ich so eingestellt das ich an der Basis 3V anzuliegen habe.
P2 wollte ich dazu verwenden den Strom einzustellen da P1 und P2 nun wie 2 Widerstände in Reihe zueinander stehen sollte dass kein problem sein.
R1 ist der Lastwiderstand um nem Kurzschluss vorzubeugen.
Das Problem nur wenn ich jetzt an P2 rumfummle passiert nich viel mit dem Strom der da fliesst was dazu führt das auch mit dem Transistor nichts Passiert.
Weil ich mir nicht sicher war ob P1 und P2 wirklich so wie sie da geschalten sind den Strom beeinflussen habe ich auch versucht vor die Basis vom Transistor einen Widerstand zu schalten aber auch da passierte nichts ...
Hab ich schonwieder nen Anfängerfehler gemacht ?
|
BID = 609077
dl2jas Inventar
     
Beiträge: 9913 Wohnort: Kreis Siegburg
|
Baue statt des Emitterwiderstands ein passendes Glühlämpchen ein.
Du "siehst" dann den Strom, also Helligkeit der Glühlampe. Deine Schaltung ist auch interessant, nennt sich Emitterfolger. Nur ist der Wert von R1 etwas hoch, deshalb der Tip mit dem Glühlämpchen.
Du willst bestimmt die Stromverstärkung ermitteln. Nehme dazu den Schaltungsvorschlag von Kleinspannung. Poti 10 kOhm oder etwas größer, R2 470 Ohm oder besser Poti 500 Ohm und R3 das Glühlämpchen. Es sollte eine Stromverstärkung Größenordnung 100 herauskommen.
DL2JAS
_________________
mir haben lehrer den unterschied zwischen groß und kleinschreibung und die bedeutung der interpunktion zb punkt und komma beigebracht die das lesen eines textes gerade wenn er komplizierter ist und mehrere verschachtelungen enthält wesentlich erleichtert
|
BID = 609078
Minotaurus1337 Stammposter
    Beiträge: 267
|
Hmmm okay ich versuchs mal ... jetz muss ich nurnoch irgendwo nen Glühlämpchen auftreiben ^^ ... ich mach normalerweise alle anzeigen mit LEDs und Licht hab ich bisher noch net gebraucht ... mal sehn THX für den Tip ...
|
BID = 609080
dl2jas Inventar
     
Beiträge: 9913 Wohnort: Kreis Siegburg
|
Nehme eine Fahrradglühlampe, aber aufpassen mit der Spannung.
Hier der Link zum Datenblatt:
http://mht.mht.bme.hu/~beged/elakszim/bd249.pdf
Schaue Blatt3 Figure 1. Da siehst Du die Stromverstärkung. I C ist der Kollektorstrom und h FE die Verstärkung. Der gemessene Wert wird sich etwas von dem im Datenblatt unterscheiden, übliche Toleranzen.
DL2JAS
_________________
mir haben lehrer den unterschied zwischen groß und kleinschreibung und die bedeutung der interpunktion zb punkt und komma beigebracht die das lesen eines textes gerade wenn er komplizierter ist und mehrere verschachtelungen enthält wesentlich erleichtert
|
BID = 609316
Minotaurus1337 Stammposter
    Beiträge: 267
|
Dumme Frage gestellt ... wo löscht man die Antwort ?
[ Diese Nachricht wurde geändert von: Minotaurus1337 am 22 Mai 2009 15:37 ]
|
BID = 609318
Bartholomew Inventar
     
Beiträge: 4676
|
Du hast zwei Fragen gestellt. Die Antwort zur ersten:
R2 dient zum Einstellen des Arbeitspunktes. Ist für Verstärkeranwendungen interessant.
|