Ratiodetektor

Im Unterforum Funktechnik - Beschreibung: Amateurfunk und CB-Funk

Elektronik Forum Nicht eingeloggt       Einloggen       Registrieren




[Registrieren]      --     [FAQ]      --     [ Einen Link auf Ihrer Homepage zum Forum]      --     [ Themen kostenlos per RSS in ihre Homepage einbauen]      --     [Einloggen]

Suchen


Serverzeit: 20 12 2025  12:49:31      TV   VCR Aufnahme   TFT   CRT-Monitor   Netzteile   LED-FAQ   Oszilloskop-Schirmbilder            


Elektronik- und Elektroforum Forum Index   >>   Funktechnik        Funktechnik : Amateurfunk und CB-Funk


Autor
Ratiodetektor

    







BID = 64313

T.P.

Gelegenheitsposter



Beiträge: 56
 

  


Hallo,
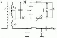
weiß jemand wie man bei dieser Schaltung die Bauteile richtig dimensioniert?



BID = 64341

alpha-ranger

Schreibmaschine



Beiträge: 1517
Wohnort: Harz / Heide

 

  

Hallo,
habe nur noch einen uralten Autoradio-Schaltplan gefunden mit Ratio-Detektor. Da Deine Spulen unbekannt sind, hier einige Anhaltspunkte.:
Paralell zu L1 gehört auch ein C= 120 pF.
C paralell zu L2 ist 100 pF.
Die beiden C`s hinter den Dioden sind jeweils 680 pF.
Der Elko ganz rechts 2,2µF.
Der C an L3 hat 120 pF.
Dann Widerstand 3,3 kOhm, und der letzte C hat auch 120 pF.
Auskoppelkondensator 2,2 µF.

Ein Ratio-Detektor funktioniert durch die vektorielle Addition der Spannung im Schwingkreis ( L2 ), und der reinen Trafokopplung über L3. Je nach Freequenz ändert sich die Phasenlage der Spannungen zueinander, und die Resultierende wird größer oder kleiner. Der Elko ganz rechts dient nur der Störunterdrückung.

mfG.


_________________
Wie der alte Meister schon wußte: Der Fehler liegt meist zwischen Plus und Minus. :-)
Und wenn ich mir nicht mehr helfen kann, schließ ich Plus an Minus an.

BID = 64350

T.P.

Gelegenheitsposter



Beiträge: 56

ah ja!
das hört sich doch schon sehr gut an!
also! Und die Spulen müssen dann wohl Werte haben damit sie mit den Cs Schwingkreise bilden.
Das Signal am Eingang hat eine Frequenz von 10,7 MHz.
Heißt das dann dass L1 bei einer Parallelkapazität von 120pF einen Wert von 1,844uH haben muss,oder wie???
Aber welchen Wert muss dann L2 und L3 haben?
Und die Werte von dem Poti und dem R darüber und daneben die Rs???
mfg

BID = 64395

alpha-ranger

Schreibmaschine



Beiträge: 1517
Wohnort: Harz / Heide

Hallo,
die Widerstände symmetrisch nach Masse sind jeweils 8,2 kOhm groß.
Der andere Widerstand und das Poti haben etwa 5 kOhm.

Ich dachte, Du fragst, wiel Du es für das Verständnis oder die Ausbildung brauchst, aber anscheinend möchtest Du es nachbauen ?

In diesem Fall würde ich einen alten japanischen Radiorekorder öffnen, und mich bedienen.

Seit 1980 werden FM-Demodulatoren nur als integrierte Schaltung eingesetzt, z.Bsp. TBA 120 und etliche andere.
Deshalb wird man als Neuware kaum noch diese speziellen Spulen bekommen.

mfG.

BID = 64401

T.P.

Gelegenheitsposter



Beiträge: 56

Ja wie gesagt ich möchte das Ding nachbauen.
Ich wollte mal einen Radioempfänger mit einer ganz diskreten Schaltung nachbauen.

BID = 64406

T.P.

Gelegenheitsposter



Beiträge: 56

kann ich die Spulen denn nicht selbst herstellen?

BID = 64408

alpha-ranger

Schreibmaschine



Beiträge: 1517
Wohnort: Harz / Heide

Vergiß es !
Da sind alle Hersteller ganz stolz drauf !

Aber Angebot für einen , der es nicht lassen kann:

Ich habe noch Platinen-Bruch vom Blaupunkt Frankfurt und einen Schaltplan dazu.

Das müßte reichen. Ist ja millionefach getestet.

Und Fachleute sagen auch, das der alte Ratiodetektor besser klingt.

Also bei Intresse Adr. via PM

mfg.

_________________
Wie der alte Meister schon wußte: Der Fehler liegt meist zwischen Plus und Minus. :-)
Und wenn ich mir nicht mehr helfen kann, schließ ich Plus an Minus an.

BID = 64439

T.P.

Gelegenheitsposter



Beiträge: 56

ach nein ! dann lass ich den ganzen Mist einfach.
Schade! Aber gibt es denn sonst keine gute Möglichkeit
FM mit wenig aufwand zu demodulieren? dann halt kein Ratiodetektor, keine PLL(ist mir zu aufwändig), und ich möchte auch keine ICs(TDA7000:hab ich schon aufgebaut)!!! Ich will nämlich Freude am basteln haben!

BID = 64614

perl

Ehrenmitglied



Beiträge: 11110,1
Wohnort: Rheinbach


Zitat :
Aber gibt es denn sonst keine gute Möglichkeit
FM mit wenig aufwand zu demodulieren

Der Ratio-Detektor dürfte die einfachste Möglichkeit sein, ein FM-Signal ordentlich zu demodulieren.
Wie alpha-ranger schon andeutete, ist es leider tatsächlich eine schwarze Kunst und mit viel Fleißarbeit verbunden solch ein Teil optimal und serienreif aufzubauen.
Wenn man Abstriche bei der Perfektion macht, sollte es aber auch dem Bastler möglich sein eine solche Schaltung aufzubauen.
Hauptsache man hat die geeigneten Spulenkörper. Bei 10,7MHz braucht man ja nicht viele Windungen.
Da es wichtig ist die Kopplung der Spulen einstellen zu können, ist es Imho günstiger von den früher verwendeten Bandfiltern mit Gewindekernen auszugehen als die winzigen Kappenkerne zu verwenden, die normalerweise in Transistorradios verwendet werden.
Vermütlich habe ich noch die Wickeldaten vom Löwe-Opta Kobold. Wenn es dich interessiert, müßte ich mal nachschauen.

Ein anderer Weg wäre es zumindest teilweise auf die IC-Technik zurückzugreifen.
Mit einem Doppelbrückenmischer der auch in vielen ICs als Demodulator verwendet wird, kann man den Aufwand auf einen einzigen Schwingkreis reduzieren.
Mit zwei Schwingkreisen kann man damit sogar sehr klirrarme Demodulatoren bauen. Die Technik wurde seinerzeit bei der Einführung des CA3089 ausgiebig diskutiert und entsprechende DB und AN sind vermutlich auch heute noch im Netz zu finden.


_________________
Haftungsausschluß:



Bei obigem Beitrag handelt es sich um meine private Meinung.



Rechtsansprüche dürfen aus deren Anwendung nicht abgeleitet werden.



Besonders VDE0100; VDE0550/0551; VDE0700; VDE0711; VDE0860 beachten !


Zurück zur Seite 0 im Unterforum          Vorheriges Thema Nächstes Thema 


Zum Ersatzteileshop


Bezeichnungen von Produkten, Abbildungen und Logos , die in diesem Forum oder im Shop verwendet werden, sind Eigentum des entsprechenden Herstellers oder Besitzers. Diese dienen lediglich zur Identifikation!
Impressum       Datenschutz       Copyright © Baldur Brock Fernsehtechnik und Versand Ersatzteile in Heilbronn Deutschland       

gerechnet auf die letzten 30 Tage haben wir 18 Beiträge im Durchschnitt pro Tag       heute wurden bisher 6 Beiträge verfasst
© x sparkkelsputz        Besucher : 187840663   Heute : 10070    Gestern : 15830    Online : 394        20.12.2025    12:49
21 Besucher in den letzten 60 Sekunden        alle 2.86 Sekunden ein neuer Besucher ---- logout ----viewtopic ---- logout ----
xcvb ycvb
0.031368970871