ESAB SONS Schweissinverter LHN 250 Reparaturtipps und Ersatzteile zum Fehler: Im Unterforum Alle anderen Reparaturprobleme - Beschreibung: Telekom, Funkgeräte und alle anderen Geräte
| Autor |
|
Sonstige SONS ESAB Schweissinverter LHN 250 |
|
|
|
|
BID = 417545
Ralf2005 Neu hier

Beiträge: 24
|
|
Geräteart : Sonstige
Hersteller : ESAB
Gerätetyp : Schweissinverter LHN 250
Chassis : Schaltplan oder Tips?
______________________
Moin!
Ich taste mich grade so etwas an die moderne Energieumsetzung ran, wobei es an sich über die Mosfets hinausgehen sollte und ich etwas mehr über die IGBTs lernen wollte.
Nachdem nun die ersten Induktionsfelder wieder laufen, habe ich an Extremeres gedacht und mir einen defekten Schweissinverter zugelegt.
Ich dachte, dass soll sich schon lohnen und habe zu dem o.g. kaputten Esab zu einem Preis gegriffen, für den man schon heile Chinaware neu und kplt. mit Zub. und Garantie bekommt.
An sich ist das ja vom Hörensagen ein Unterschied wie Miele zu Chi-Peng für die Weissmänner. (oder auch Frauen.. *sfg)
Das Öffnen war schn einmal sehr einfach:
Hintere Lüfterabdeckung entfernt, dazu zwei Schrauben, und schon konnte ich das Innenleben nach Abziehen des Hauptschalters aus dem Gehäuse ziehen.
Zuerst sah das nach einem wunderbaren Modulaufbau aus, der sich schnell zerlegen und dennoch betriebsbereit gehalten werden kann.
Ganz so war es dann aber nicht.
Man muss schon ganz schön viel abklemmen und schrauben, bis man weiter kommt.
Da hätte esab nur ein klein wenig weiter denken müssen, die Voraussetzungen sind an sich ideal.
Oder wurden die Bremsen vorsätzlich eingebaut?
Ich halte es eher für dämlich.
Bevor ich das Gerät ersteigert habe, hatte ich mich natürlich versucht, mich passend zu informieren.
Leider gibt das Netz nicht allezuviele Tips für esab-Reparaturen her. Vieles geht auf ein totes Gleis.
(Mit Glasnost ist alles schlimmer geworden)
Und bei ebay gehts immer so schnell..
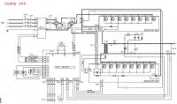
Was ich vorher gefunden habe, war ein Mischmasch aus Schalt- und Stromlaufplan:
Und damit alles beieinander ist, hier noch die Bilder der zwei unterlegenen Konkurrenten:
Auf was sollte ich mehr hoffen? Auf einen Fehler in der Steuerung oder im Lastteil?
Und was werde ich finden?
Nun ist das Teil da, bezahlt, kaputt und zerlegt.
Die ersten Messungen ergaben einen ohmschen Widerstand zwischen + und - hinter V02 von 11Ohm.
Da hätte es an sich knallen müssen, als sich das Teil verabschiedet hat.
Hat es aber lt. Aussage des VK nicht, sondern sich einfach verabschiedet.
Und ich glaube dem auch...
Nur war das Gerät danach auch in der Werkstatt, wo es gekauft wurde....
Der Kunde bekam gegen eine entsprechende Zuzahlung ein schwächeres Gerät und durfte das jetzt meinige behalten.
Äusserlich war und ist das Gerät ziemlich mitgenommen.
Dafür ist es innerlich erstaunlich sauber.
Aus den o.g. Schaltbildern geht hervor, dass diese Geräteserie relativ identisch aufgebaut ist.
Ich habe direkt vermutet, das die Steuerplatine identisch ist und lediglich die Lastteile unterschiedlich ausgelegt sind.
Nach dem Entfernen des Gehäuses sah ich zuerst nur die Rückseiten der Lastplatinen, wobei sofort auffiel, dass mehrere Lötpositionen der vorgesehenen Leistungstransistoren nicht! bestückt waren.
Ich finde es eigenartig, dass gerade das stärkste Gerät einer identisch aufgebauten Serie ein Defizit an vorgesehenen Lastteilen hat.
Mag natürlich sein, dass diese Module auch noch ganz woanders zum Einsatz kommen.
Allerdings hat der 1-Phasen-Caddy 140 pro Seite 6 Mosfets vorgesehen, der 200er und der 250er jeweils 8.
Warum hat meiner nur jeweils 5, zzgl. 3 freier Plätze, deren Ansteuerung man aber schon beschaltet hat?
Der Ausgangsstrom der mosfets läuft ausschliesslich über die durch Klammern hergestellte Verbindung zu den beiden Kühlkörpern.
Dabei sind die Module vor der Endmontage tauchlackiert, wobei auch Lack in die Leitflächen eindringen kann.
Sollten sich die Mosfets bei den 200er und 250er unterscheiden und rechnerisch auch bei dem 250er 5 pro Seite ausreichen, so ist doch fraglich, ob es nicht bei einer fast Halbierung der lediglich angepressten Verbindung zu kritischen Übergangswiderständen und einer entsprechenden Überhitzung kommt.
Die entsprechenden Spuren sind vorhanden und werden dokumentiert.
Für den Allroundeinsatz muss die Elektronik natürlich geschützt werden.
Das macht einem Messtechniker oder Ingenieur natürlich das Leben schwer.
Wie stark sich der Tauchlack in die kleinsten Ritzen geschoben hat, kann man merken, wenn man die Bausteine duchmessen, entlöten oder auch nur ablösen will.
Da bleibt mehr vom Pertinax auf der Beschriftung hängen, als an der Platine.
Zumindest kenn ich jetzt die ersten Daten der MFs:
APT 8056BVR
Nicht ganz einfach zu vergleichen..
Waren die so billig, dass Sie umfirmieren mussten????
http://www.microsemi.com/datasheets/8056BVR.PDF
Will ja kein Vermögen zahlen.
Aber jetzt zu den eigentlichen Fragen:
Sieht hier überhaupt jemand die Chance, an den echten Schaltplan von esab zu kommen?
Da sind noch mehr Halbleiter, die ich (bisher) nicht lesen kann.
(Ich träume von Ozzibildern...)
Wie kann ich die Steuerplatine ohne Last prüfen?
Da sind alle Verbindungen eingezeichnet!
Und in die Grundthematik habe ich mich auch eingelesen.
Aber mach so ungern etwas kaputt...
Ich freue mich auf alle Kommentare.
LG Ralf |
Erklärung von Abkürzungen |
BID = 417550
Ralf2005 Neu hier

Beiträge: 24
|
|
Hab die Zeit zum editieren verpasst..., egal.
Bitte verzeit, wenn ich das jetzt hier auch als Blog verwende.
Aber so bleib ich bei der Sache.
Und irgentwann wird es jemanden interessieren. *sfg
Was ich an sich noch zusätzen wollte:
Ich schreibe auch esab.de an und verweise auf diesen Thread.
Mal sehen, wie esab reagiert.
Dazu möchte ich auch noch anmerken, dass ich derzeit niemanden etwas unterstelle.
Ich habe aber bei manchen Schadensbildern ein komisches Gefühl.
|
Erklärung von Abkürzungen |
BID = 417803
Ralf2005 Neu hier

Beiträge: 24
|
Leider heute wenig Zeit gehabt.
esab hat auch noch nicht geantwortet.
Mich würde doch brennend interessieren, was ich gekauft habe.
Gehören die Innereien tatsächlich zum LHN 250?
Hier mal zwei Bilder vor der Zerlegung:
Die meisten wissen, wie Bilder schönen können...
Im Inneren sah das Gerät ähnlich aus, zumindest das Gehäuse, die Anschlüsse, Regler und Schalter.
Alles mit einer dicken Schicht überzogen.
Der Ventilator bläst ja mehr durch, als das, was so einfach aus der Luft fällt.
Komisch nur, dass sich das nur an den Wänden des Gehäuses abgelagert hat.
In der Mitte bläst wohl alles durch...
Und es lagert sich nichts ab...
[ Diese Nachricht wurde geändert von: Ralf2005 am 28 Mär 2007 0:55 ]
Erklärung von Abkürzungen |
|
Zum Ersatzteileshop
Bezeichnungen von Produkten, Abbildungen und Logos , die in diesem Forum oder im Shop verwendet werden, sind Eigentum des entsprechenden Herstellers oder Besitzers. Diese dienen lediglich zur Identifikation!
Impressum
Datenschutz
Copyright © Baldur Brock Fernsehtechnik und Versand Ersatzteile in Heilbronn Deutschland
gerechnet auf die letzten 30 Tage haben wir 12 Beiträge im Durchschnitt pro Tag heute wurden bisher 6 Beiträge verfasst © x sparkkelsputz Besucher : 186000141 Heute : 7374 Gestern : 12637 Online : 243 25.10.2025 13:21 11 Besucher in den letzten 60 Sekunden alle 5.45 Sekunden ein neuer Besucher ---- logout ----viewtopic ---- logout ----
|
xcvb
ycvb
0.0315709114075
|