Pronomic HiFi Verstärker Audio Anlage TL-700 Reparaturtipps und Ersatzteile zum Fehler: Kanal 1 verzerrt Im Unterforum Reparatur - HIFI-Geräte - Beschreibung: Reparaturen an Stereoanlagen, CD-Player, Tuner, Verstärker, Car-HIFI
| Autor |
|
HiFi Verstärker Pronomic TL-700 --- Kanal 1 verzerrt |
|
|
|
|
BID = 1052051
DorianS. Gerade angekommen
Beiträge: 10 Wohnort: Dortmund
|
|
Geräteart : Verstärker
Defekt : Kanal 1 verzerrt
Hersteller : Pronomic
Gerätetyp : TL-700
Messgeräte : Multimeter
______________________
Hallo liebe Forengemeinde,
bei meiner o.g. Endstufe tritt folgendes Problem auf:
Wenn ich die Endstufe anschalte, sind zunächst beide Kanäle auf Protect, aber wenige Sekunden später klackt es auf beiden Seiten und die "Protect"-LED erlischt.
Der rechte Kanal (Kanal 2) funktioniert einwandfrei und gibt die Musik gewohnt druckvoll wieder.
Der linke Kanal (Kanal 1) verzerrt jedoch stark. Die Musik ist weiterhin zu verstehen, jedoch klingt es, als ob jemand den Equalizer auf sämtlichen Ebenen auf "+30dB" gestellt hätte und verzerrt das Musiksignal immens. Die Lautstärke lässt sich zwar ähnlich wie Kanal 2 erhöhen, jedoch klingt es natürlich schäbig.
Mit meinem laienhaften Blick konnte ich keine offensichtlich durchgebrannten Stellen entdecken - habe auf die Schnelle mach ein paar Fotos gefertigt.
Wenn sich vielleicht jemand finden würde, der mit einem geschulteren auf die Platinen schauen würde, könnte ich die senkrecht verbauten Platinen auch ausbauen?
Ich bedanke mich bei euch im Voraus!!:-)
|
Erklärung von Abkürzungen |
BID = 1052061
perl Ehrenmitglied
       
Beiträge: 11110,1 Wohnort: Rheinbach
|
|
Zitat :
| | Mit meinem laienhaften Blick konnte ich keine offensichtlich durchgebrannten Stellen entdecken - | Wirst du wahrscheinlich selbst dann nicht finden, wenn du die Endstufen ausbaust.
Gibt die defekte Endstufe noch annähernd die normale Leistung und werden die Verzerrungen weniger, je lauter man dreht?
Dann stimmt evtl. etwas mit dem Endstufenruhestrom nicht.
Für eine Fehlerdiagnose, insbesondere aber für eine Ferndiagnose sollte aber der Schaltplan der Endstufe vorliegen, sonst wird das nur Kaffeesatzleserei.
Hast du den Schaltplan vorliegen oder schon mal im Internet danach gesucht?
Welche Meßmöglichkeiten hast du?
|
Erklärung von Abkürzungen |
BID = 1052086
DorianS. Gerade angekommen
Beiträge: 10 Wohnort: Dortmund
|
Danke zunächst für deine Antwort!
Zu deinen Fragen:
Der Kanal 1 verzerrt bereits bei geringer Lautstärke (sobald ein Signalton aus den Lautsprechern herauskommt). Der Kanal kann trotzdem lauter gedreht werden bzw. annähernd so laut, wie der funktionierende Kanal 2.
Kanal 2 kann im Übrigen parallel ohne Störungen betrieben werden.
Die Verzerrung sind bei Kanal 1 gleichbleibend - wenn lauter gedreht wird, werden diese entsprechend gleichermaßen lauter.
Bzgl. des Schaltplans habe ich mich auf dein Anraten ebenfalls informiert.
Im Internet konnte ich keinen finden, sowie verfügt der Händler, bei dem die Endstufe gekauft wurde, ebenfalls über keinen exakten Schaltplan.
Der Händler war aber so nett beim Hersteller nachzufragen - dies wird jedoch wahrscheinlich ein wenig dauern.
Als Messmöglichkeit habe ich leider nur ein relativ günstiges Multimeter hier.
Ich habe trotzdem mal die vorderste Platine ausgebaut. Auf der Rückseite konnte ich im Bereich der Stromversorgung Verfärbungen entdecken - ob man daraus schon etwas ableiten kann?
Offensichtliche kalte Lötstellen oder defekte Bauteile konnte ich darüber hinaus nicht finden..
Ich könnte zudem die Rückseite der große Platine fotografieren, falls dies erforderlich ist - müsste dazu jedoch die Transistoren von dem Kühlkörper lösen.
Unterste Platine (an Kühlkörper verbunden) von links nach rechts:
Obere, kleine Platine mit möglichem Schadensbild an der Stromzufuhr?
Erklärung von Abkürzungen |
BID = 1052088
perl Ehrenmitglied
       
Beiträge: 11110,1 Wohnort: Rheinbach
|
Zitat :
| | Auf der Rückseite konnte ich im Bereich der Stromversorgung Verfärbungen entdecken - ob man daraus schon etwas ableiten kann? |
Außer ein paar Flußmittelresten, die vom händischen Einlöten der dicken Drähte stammen werden und nicht vollständig entfernt wurden, kann ich da nichts auffälliges erkennen.
[ Diese Nachricht wurde geändert von: perl am 15 Mai 2019 15:55 ]
Erklärung von Abkürzungen |
BID = 1052089
DorianS. Gerade angekommen
Beiträge: 10 Wohnort: Dortmund
|
Okay, alles klar.
Kannst du mir, falls sonst keine Auffälligkeiten vorhanden sind, einen Tipp geben, wie man bzgl. des Durchmessens der Platine als Laie am besten vorgehen sollte?
Oder bleibt mir nichts anderes übrig, als jedes Bauteil einzeln für sich durchzumessen?
[ Diese Nachricht wurde geändert von: DorianS. am 15 Mai 2019 16:01 ]
Erklärung von Abkürzungen |
BID = 1052092
Mr.Ed Moderator
      
Beiträge: 36326 Wohnort: Recklinghausen
|
Pronomic ist eine Eigenmarke von Musikhaus Kirstein, wie Fame bei Musicstore oder t.amp bei Thomann.
Der Hersteller wird in China sitzen.
_________________
-=MR.ED=-
Anfragen bitte ins Forum, nicht per PM, Mail ICQ o.ä. So haben alle was davon und alle können helfen. Entsprechende Anfragen werden ignoriert.
Für Schäden und Folgeschäden an Geräten und/oder Personen übernehme ich keine Haftung.
Die Sicherheits- sowie die VDE Vorschriften sind zu beachten, im Zweifelsfalle grundsätzlich einen Fachmann fragen bzw. die Arbeiten von einer Fachfirma ausführen lassen.
Erklärung von Abkürzungen |
BID = 1052094
DorianS. Gerade angekommen
Beiträge: 10 Wohnort: Dortmund
|
Zitat :
Mr.Ed hat am 15 Mai 2019 17:19 geschrieben :
|
Pronomic ist eine Eigenmarke von Musikhaus Kirstein, wie Fame bei Musicstore oder t.amp bei Thomann.
Der Hersteller wird in China sitzen.
|
Deswegen wird es wohl noch dauern, bis ich den Schaltplan habe, aber immerhin war der Händler Kirstein so kulant bzgl. des Schaltplans beim Hersteller anzufragen.
Ich glaube jetzt habe ich den Fehler gefunden, bzw. hoffe es zumindest.
Da ich auf den beiden Platinen ja nicht wirklich etwas gefunden hatte, habe ich mich nochmal der "Stromversorgerplatine" zugewandt - dort habe ich einen zumindest äußerlich augenscheinlich defekten Transistor gefunden.
Die Aufschrift lautet 2N 5401 Y-D47.
Da ich absoluter Laie bin, bräuchte ich euren Rat: Bekomme ich den wohl bei Conrad (wäre bei mir um die Ecke) und welchen muss ich da genau nehmen ? (gibt anscheinend Modelle mit 150V, 160V und weiteren verschiedenen Spezifikationen)
Erklärung von Abkürzungen |
BID = 1052096
perl Ehrenmitglied
       
Beiträge: 11110,1 Wohnort: Rheinbach
|
Zitat :
| | dort habe ich einen zumindest äußerlich augenscheinlich defekten Transistor gefunden. |
Ja, der ist explodiert.
Das macht er aber nicht von sich aus, sondern da ist mehr kaputt.
Also warte bis der Schaltplan vorliegt, damit man sagen kann, woran der kleine Transistor gestorben ist.
Wenn du da jetzt einen neuen reinflickst, wird der auch abrauchen und den Schaden evtl. nur vergrößern.
Erklärung von Abkürzungen |
BID = 1052115
DorianS. Gerade angekommen
Beiträge: 10 Wohnort: Dortmund
|
Zitat :
perl hat am 15 Mai 2019 20:55 geschrieben :
|
Zitat :
| | dort habe ich einen zumindest äußerlich augenscheinlich defekten Transistor gefunden. | Ja, der ist explodiert.
Das macht er aber nicht von sich aus, sondern da ist mehr kaputt.
Also warte bis der Schaltplan vorliegt, damit man sagen kann, woran der kleine Transistor gestorben ist.
Wenn du da jetzt einen neuen reinflickst, wird der auch abrauchen und den Schaden evtl. nur vergrößern.
|
Okay, alles klar, vielen Dank!
Was mache ich für den Fall, dass ich keinen Zugriff auf den Schaltplan erhalte?
Werde die Platine, da laut deiner Aussage mehrere Bauteile ausgetauscht werden müssen, zur Sicherheit lieber an einen Dienstleister abgeben, da ich als Laie nicht über das nötige "Know-How" verfüge..
Lässt sich der Grund der "Transistorexplosion" wohl von einem Profi anhand der vorhandenen Platine festmachen?
Erklärung von Abkürzungen |
BID = 1052326
perl Ehrenmitglied
       
Beiträge: 11110,1 Wohnort: Rheinbach
|
Zitat :
| | Was mache ich für den Fall, dass ich keinen Zugriff auf den Schaltplan erhalte? |
Dann studiert man die Schaltungstechnik vergleichbarer Endstufen.
Ausserdem steht beim Stereoverstärker ja gewöhnlich eine gesunde Hälfte zum Vergleichen von Meßdaten zur Verfügung.
Zitat :
| | Lässt sich der Grund der "Transistorexplosion" wohl von einem Profi anhand der vorhandenen Platine festmachen? |
Ich schätze schon. Dafür ist er ja Profi.
Manch zeitraubende (time is money!) Raterei kann man aber vermeiden, wenn der Kunde ehrlich sagt, was er angestellt hat, bevor es geknallt hat.
Erklärung von Abkürzungen |
BID = 1052590
DorianS. Gerade angekommen
Beiträge: 10 Wohnort: Dortmund
|
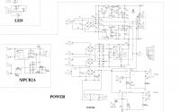
Ich habe nun tatsächlich den Schaltplan zugeschickt bekommen.
Den relevanten der Teil der Versorgerplatine habe ich entsprechend ausgeschnitten.
Vielleicht kann man den Fehlerkreis nun eingrenzen?
Habe darüber hinaus div. Bauteile zum Austausch gekauft (Brückengleichrichter GBL10, Elkos, Transistoren und Potis).
Erklärung von Abkürzungen |
BID = 1052591
Rafikus Inventar
      Beiträge: 4220
|
Wenn der T406 tatsächlich defekt sein sollte, dann würde sich doch ein Fehler in beiden Kanälen bemerkbar machen.
Der TE schreibt aber, dass ein Kanal richtig funktioniert und nur einer verzerrt.
Eine Kontrolle der Spannung bei den +130V und -130V wäre da sehr hilfreich.
Rafikus
Erklärung von Abkürzungen |
|
Zum Ersatzteileshop
Bezeichnungen von Produkten, Abbildungen und Logos , die in diesem Forum oder im Shop verwendet werden, sind Eigentum des entsprechenden Herstellers oder Besitzers. Diese dienen lediglich zur Identifikation!
Impressum
Datenschutz
Copyright © Baldur Brock Fernsehtechnik und Versand Ersatzteile in Heilbronn Deutschland
gerechnet auf die letzten 30 Tage haben wir 18 Beiträge im Durchschnitt pro Tag heute wurden bisher 4 Beiträge verfasst © x sparkkelsputz Besucher : 187901616 Heute : 15813 Gestern : 18168 Online : 298 23.12.2025 19:43 18 Besucher in den letzten 60 Sekunden alle 3.33 Sekunden ein neuer Besucher ---- logout ----viewtopic ---- logout ----
|
xcvb
ycvb
0.300184011459
|