Miele Wäschetrockner Kondenstrockner T679c Reparaturtipps und Ersatzteile zum Fehler: Im Unterforum Reparatur - Haushaltsgeräte - nur lesen - Beschreibung: Waschmaschine, Wäschetrockner, Trockner, Geschirrspüler, Microwelle, Bügeleisen, Herd, Elektroherd, Kühlschrank, Rasierer, Spülmaschine, Küchenmaschine und alle anderen Geräte der Haushaltstechnik. READ ONLY!
Elektronik- und Elektroforum Forum Index >>
Reparatur - Haushaltsgeräte - nur lesen
Reparatur - Haushaltsgeräte - nur lesen : Waschmaschine, Wäschetrockner, Trockner, Geschirrspüler, Microwelle, Bügeleisen, Herd, Elektroherd, Kühlschrank, Rasierer, Spülmaschine, Küchenmaschine und alle anderen Geräte der Haushaltstechnik. READ ONLY! |
| Autor |
|
Wäschetrockner Miele T679c |
Fehler gefunden
|
|
|
|
BID = 178298
rave_x Gerade angekommen
Beiträge: 13
|
|
Geräteart : Wäschetrockner
Hersteller : Miele
Gerätetyp : T679c
S - Nummer : 00/30706119
Kenntnis : Komplett vom Fach
Messgeräte : Multimeter
______________________
Hallo Insider,
ich habe ein Problem mit meinem Wäschetrockner. Er heizt nicht mehr. Folgendes Fehlerbild:
* Trommel dreht sich.
* Feuchte wird gemessen und eine Dauer angezeigt
* nach ca. 1 Minute wird "---" angezeigt
* danach geht das Gebläse an, die Anzeige springt von Trocknen auf Kaltluft.
* Kalte Luft in verschiedenen Stellungen des Programmschalters
Ich habe viele Postings hier im Forum durchgelesen, die Heizung ausgebaut und durchgemessen. Zwischen den Anschlüssen kann ich 40 Ohm messen, müßte also in Ordnung sein. Das Klixon mit der Bezeichnung 36FXH16 L175C hat keinen Durchgang, Widerstand unendlich. -> Defekt, wie ich es lesen konnte und muss ersetzt werden. Auf dem Heizregister sitzt noch ein Bauteil jedoch ohne Bezeichnung. Dies dürfte ein Temperaturfühler sein. Er liefert bei Zimmertemperatur ca. 110 KOhm.
Nun zu meinen Fragen:
* Muss der Temperaturfühler ebenfalls ersetzt werden?
* In anderen Postings werden von zwei Klixons gesprochen. Gibt es bei diesen Typ T679c ausser diesem Kixon auf der Heizung noch weitere?
* Kann man testweise das Klixon brücken und nachprüfen ob die Heizung funktioniert?
Viele Grüße
rave_x |
Erklärung von Abkürzungen |
BID = 178498
Jürgen288 Inventar
     
Beiträge: 5121
|
|
Hallo Rave_x,
Zitat :
| | nach ca. 1 Minute wird "---" angezeigt |
Wird vermutlich erkannt, dass nicht geheizt wird und geht auf Störung.
Bekommst Du dann noch blinkende LED`s angezeigt?
Zitat :
| | Muss der Temperaturfühler ebenfalls ersetzt werden? |
Der NTC an der Heizung muss nicht mit dem Klixon zusammen gewechselt werden.
Bist Du mit den 110 KOhm sicher?
Zitat :
| | Gibt es bei diesen Typ T679c ausser diesem Kixon auf der Heizung noch weitere? |
Der NTC ersetzt den zweiten.
Zitat :
| | Kann man testweise das Klixon brücken und nachprüfen ob die Heizung funktioniert? |
Im ausgebauten Zustand kannst Du dies kurz testen.
Wenn die Heizung "anglüht" die Spannung wegnehmen!
Mach auch mal eine Strommessung an der Heizung und vergleich dies mit der Leistungsangabe.
Die 40 Ohm -die Du gemessen hast- kommen mir auch etwas hoch vor.
Gruss Jürgen
_________________
Alle meine Tipps sind nicht rechtsverbindlich und für Schäden und Folgeschäden übernehme ich keinerlei Haftung.
Ausführung immer auf eigene Gefahr !!
Immer die Sicherheitsvorschriften VDE beachten. |
Erklärung von Abkürzungen |
BID = 178718
rave_x Gerade angekommen
Beiträge: 13
|
Hallo Jürgen,
heute wurde es leider etwas später;-)
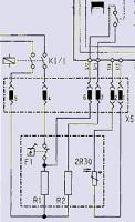
Aber zum Thema, die Messergebnisse kann ich nochmals bestätigen. Es gibt sechs Anschlüsse für das Heizungsregister
______________
I I | I I I I| <-- Steckverbinder mit 6.3mm Flachstecker
--------------
|+ | --- 65 Ohm (Klixon 1 zu Heizspirale 1)
| + | --- 40 Ohm (Heizspirale 2 zu Heizspirale 1)
|+| --- 20 Ohm (Heizspirale 2 zu Klixon 1)
| + | --- Unendlich (Heizspirale 1 zu Klixon 2)
|+| --- Unendlich (Heizspirale 2 zu Klixon 2)
|+| -------------- 120k Ohm @ 20°C (Temperaturfühler)
Das Klixon brücke ich morgen mit entsprechenden Kabeln.
Wie wird das Heizungsregister von dem Relais angesteuert?
Zu deiner Frage, die LED blinkt. Was bedeutet das? Gib es einen Fehlercode?
Gruß
rave_x
Erklärung von Abkürzungen |
BID = 178719
rave_x Gerade angekommen
Beiträge: 13
|
Hallo Jürgen,
in meiner Antwort wurden die Leerzeichen leider wegoptimiert. Ich wollte eigentlich darstellen welche Pins am Steckverbinder ich gemessen habe. Steckverbinder von links zählend:
1. Messung Pin 5 + 6 65 Ohm
2. Messung Pin 4 + 6 40 Ohm
3. Messung Pin 4 + 5 20 Ohm
4. Messung Pin 3 + 4/5/6 unendlich
5. Messung Pin 1 + 2 120k Ohm
Gruß
rave_x
Erklärung von Abkürzungen |
BID = 178795
Jürgen288 Inventar
     
Beiträge: 5121
|
Zitat :
| | Ich wollte eigentlich darstellen welche Pins am Steckverbinder ich gemessen habe |
Hast Du den Schaltplan für Deine Miele im Trockner gefunden?
Frag auch mal bitte Deine "Private Nachrichten" hier im Forum ab.
Gib mal Deine Messungen -nach den Steckerbelegungspunkten 1,2,4,5,6,7- durch.
_________________
Alle meine Tipps sind nicht rechtsverbindlich und für Schäden und Folgeschäden übernehme ich keinerlei Haftung.
Ausführung immer auf eigene Gefahr !!
Immer die Sicherheitsvorschriften VDE beachten.
Erklärung von Abkürzungen |
BID = 179338
rave_x Gerade angekommen
Beiträge: 13
|
Hallo Jürgen,
die Heizung habe ich ausgebaut. R1 hat 24,6 Ohm, R2 hat 40 Ohm und das Heizungsregister funktioniert. D.h. von Pin 6 nach Pin 7 sind 64,4 Ohm zu messen und von Pin 6 nach Pin 5 sind 24,6 Ohm zu messen. Ich habe die beiden Heizspiralen kurz angeschlossen. D.h. ich muss nur das Klixon wechseln und der Trockner müßte wieder funktionieren. Zwischen Pin 1 und 2 liegt der Temperaturfühler, der 120 KOhm bei ca. 20° C aufweist. Wird er erwärmt sinkt der Widerstandswert.
Kurze Frage noch:
Die vordere Front wird durch 6 Schrauben gehalten, die in das Kunststoffteil dahinter eingeschraubt werden. Hierzu sind Gewindeeinsätze in dieses Teil eingebracht. Zwei davon sind beim Aufschrauben nach hinten gefallen. Muss man das Kunststoofteil abbauen? Wo ist es befestigt?
Gruß
rave_x
Erklärung von Abkürzungen |
BID = 179497
Jürgen288 Inventar
     
Beiträge: 5121
|
Zitat :
| | D.h. ich muss nur das Klixon wechseln und der Trockner müßte wieder funktionieren. |
Das Auslösen vom Klixon hatte vielleicht auch eine Ursache im gestörten Prozeßluftkreis.
Sind die Siebe im Türbereich und der Abluftschlauch frei und kann die Luft über den Abluftschlauch gut ausblasen?
Zitat :
| | Die vordere Front wird durch 6 Schrauben gehalten, die in das Kunststoffteil dahinter eingeschraubt werden. |
Meinst Du damit die Türfront, oder den Trommelring an der Rückseite im Trommelinnern?
Kannst Du mal ein Bild hier einstellen?
_________________
Alle meine Tipps sind nicht rechtsverbindlich und für Schäden und Folgeschäden übernehme ich keinerlei Haftung.
Ausführung immer auf eigene Gefahr !!
Immer die Sicherheitsvorschriften VDE beachten.
Erklärung von Abkürzungen |
BID = 180344
rave_x Gerade angekommen
Beiträge: 13
|
Hallo Jürgen,
also mit dem Kunststoffteil ist das Teil um die Ladeöffnung unter der vorderen Front gemeint. Die Blechteilchen wieder einzusetzen war keine Schwierigkeit, man muss sie nur finden.
Das Teil sollte man übrigens bei einer solchen Reparatur in jedem Fall abschrauben und den Zugang zum Lüfter säubern. Man glaubt ja nicht wo sich überall das Waschmittelreste + Fasern absetzen.
Ich warte zur Zeit auf die Lieferung des Klixons, nach erfolgtem Einbau und Test melde ich mich wieder.
Bis dann,
Gruß
rave_x
Erklärung von Abkürzungen |
BID = 181189
rave_x Gerade angekommen
Beiträge: 13
|
Erklärung von Abkürzungen |
BID = 181196
rave_x Gerade angekommen
Beiträge: 13
|
Irgendwie sind mir die Links statt den Smilies in den Text gerutscht. Eigentlich sollte es so aussehen:
Hallo Jürgen,
vielen Dank für die vielen Tips. Ich habe den Klixon heute eingebaut und der Wäschetrockner funktioniert wieder.
Nochmals vielen Dank!!!
Gruß
rave_x
Erklärung von Abkürzungen |
BID = 181290
Jürgen288 Inventar
     
Beiträge: 5121
|
Hallo Ralf,
super, dass Dein Trockner wieder läuft und danke für die Rückmeldung.
Gruss Jürgen
_________________
Alle meine Tipps sind nicht rechtsverbindlich und für Schäden und Folgeschäden übernehme ich keinerlei Haftung.
Ausführung immer auf eigene Gefahr !!
Immer die Sicherheitsvorschriften VDE beachten.
Erklärung von Abkürzungen |
Liste 1 MIELE |
|
Das Thema ist erledigt und geschlossen. Es kann nicht mehr geantwortet werden !
Zum Ersatzteileshop
Bezeichnungen von Produkten, Abbildungen und Logos , die in diesem Forum oder im Shop verwendet werden, sind Eigentum des entsprechenden Herstellers oder Besitzers. Diese dienen lediglich zur Identifikation!
Impressum
Datenschutz
Copyright © Baldur Brock Fernsehtechnik und Versand Ersatzteile in Heilbronn Deutschland
gerechnet auf die letzten 30 Tage haben wir 17 Beiträge im Durchschnitt pro Tag heute wurden bisher 17 Beiträge verfasst © x sparkkelsputz Besucher : 187235055 Heute : 26312 Gestern : 42993 Online : 311 5.12.2025 17:49 46 Besucher in den letzten 60 Sekunden alle 1,30 Sekunden ein neuer Besucher ---- logout ----viewtopic ---- logout ----
|
xcvb
ycvb
0,0430529117584
|