Bauknecht Wäschetrockner Kondenstrockner TRK 3870 Reparaturtipps und Ersatzteile zum Fehler: Im Unterforum Reparatur - Haushaltsgeräte - nur lesen - Beschreibung: Waschmaschine, Wäschetrockner, Trockner, Geschirrspüler, Microwelle, Bügeleisen, Herd, Elektroherd, Kühlschrank, Rasierer, Spülmaschine, Küchenmaschine und alle anderen Geräte der Haushaltstechnik. READ ONLY!
Elektronik- und Elektroforum Forum Index >>
Reparatur - Haushaltsgeräte - nur lesen
Reparatur - Haushaltsgeräte - nur lesen : Waschmaschine, Wäschetrockner, Trockner, Geschirrspüler, Microwelle, Bügeleisen, Herd, Elektroherd, Kühlschrank, Rasierer, Spülmaschine, Küchenmaschine und alle anderen Geräte der Haushaltstechnik. READ ONLY! |
| Autor |
|
Wäschetrockner Bauknecht TRK 3870 |
|
|
|
|
BID = 102696
wolfgangulrich Gerade angekommen
Beiträge: 2 Wohnort: herne
|
|
Geräteart : Wäschetrockner
Hersteller : Bauknecht
Gerätetyp : TRK 3870
Messgeräte : Multimeter
______________________
Hallo zusammen.
Kann mir jemand die Pin/Steckerbelegung an der Heizung benennen ??? Habe dummerweise alle abgezogen, zwar farblich notiert, musste dann aber feststellen das ein PIN/Schuh mehr vorhanden ist.
Ausserdem evtl. Tips zum Problem. Gerät läuft aber heizt nicht.
Danke |
Erklärung von Abkürzungen |
BID = 103134
wts Stammposter
   
Beiträge: 361
|
|
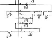
Hallo!
2 Bilder die vielleicht helfen.
Gruß |
Erklärung von Abkürzungen |
BID = 103135
wts Stammposter
   
Beiträge: 361
|
Erklärung von Abkürzungen |
Liste 1 BAUKNECHT Liste 2 BAUKNECHT Liste 3 BAUKNECHT Liste 4 BAUKNECHT |
|
Zum Ersatzteileshop
Bezeichnungen von Produkten, Abbildungen und Logos , die in diesem Forum oder im Shop verwendet werden, sind Eigentum des entsprechenden Herstellers oder Besitzers. Diese dienen lediglich zur Identifikation!
Impressum
Datenschutz
Copyright © Baldur Brock Fernsehtechnik und Versand Ersatzteile in Heilbronn Deutschland
gerechnet auf die letzten 30 Tage haben wir 9 Beiträge im Durchschnitt pro Tag heute wurden bisher 5 Beiträge verfasst © x sparkkelsputz Besucher : 191031107 Heute : 25900 Gestern : 39808 Online : 213 8.4.2026 21:00 16 Besucher in den letzten 60 Sekunden alle 3,75 Sekunden ein neuer Besucher ---- logout ----viewtopic ---- logout ----
|
xcvb
ycvb
0,0257840156555
|