Bauknecht Geschirrspüler Spülmaschine GEF 2172 Reparaturtipps und Ersatzteile zum Fehler: Im Unterforum Reparatur - Haushaltsgeräte - nur lesen - Beschreibung: Waschmaschine, Wäschetrockner, Trockner, Geschirrspüler, Microwelle, Bügeleisen, Herd, Elektroherd, Kühlschrank, Rasierer, Spülmaschine, Küchenmaschine und alle anderen Geräte der Haushaltstechnik. READ ONLY!
Elektronik- und Elektroforum Forum Index >>
Reparatur - Haushaltsgeräte - nur lesen
Reparatur - Haushaltsgeräte - nur lesen : Waschmaschine, Wäschetrockner, Trockner, Geschirrspüler, Microwelle, Bügeleisen, Herd, Elektroherd, Kühlschrank, Rasierer, Spülmaschine, Küchenmaschine und alle anderen Geräte der Haushaltstechnik. READ ONLY! |
| Autor |
|
Geschirrspüler Bauknecht GEF 2172 |
Fehler gefunden
|
|
|
|
BID = 464912
cornikorn Gesprächig
  
Beiträge: 135 Wohnort: Hamburg
|
|
Geräteart : Geschirrspüler
Hersteller : Bauknecht
Gerätetyp : GEF 2172
S - Nummer : 00-7215
Kenntnis : Artverwandter Beruf
Messgeräte : Multimeter, Phasenprüfer
______________________
Hallo,
mein Geschirrspüler braucht sehr lange, bis er mit dem Programm "durch"ist. Außerdem überhitzt er, was deformierte Kunststoffteile zur Folge hat.
Wo und was muß ich als erstes prüfen? Wir die Heizdauer durch's Schaltwerk gesteuert?
Viele Grüße
cornikorn |
Erklärung von Abkürzungen |
BID = 465991
cornikorn Gesprächig
  
Beiträge: 135 Wohnort: Hamburg
|
|
Hallo (nochmal),
leider hat sich bisher niemand meines Problemes angenommen.
Die Bezeichnung des Gerätes ist natürlich GSF und nicht GEF.
Also, nochmal meine Frage: Woran liegt es (möglicherweise), dass die Heizung zu lange heizt und nur durch die ansprechende Notsicherung, wie ich vermute, der Spülbetrieb weiterläuft.
Für einen Tipp wäre ich sehr dankbar!!
Viele Grüße
cornikorn |
Erklärung von Abkürzungen |
BID = 466147
Ewald4040 Urgestein
     
Beiträge: 10882 Wohnort: Lünen
|
Zuerst überprüf den Wasserzulauf (Eimertest). Dann mess die Temp-Spitze beim Aufheizen. Und reinige zusätzlich die Druckdose am Siebtopf.
_________________
Bei Arbeiten am Gerät Netzstecker ziehen, Gerät spannunglos machen.
VDE Vorschriften einhalten. Die Verantwortung übernimmt immer die Person, die zuletzt am Gerät gearbeitet hat!
Erklärung von Abkürzungen |
BID = 466188
cornikorn Gesprächig
  
Beiträge: 135 Wohnort: Hamburg
|
Hallo und danke Ewald4040  ,
ich werde die Schritte "abarbeiten" und melde mich dann wieder. Kann ein bischen dauern.
Viele Grüße
cornikorn
Erklärung von Abkürzungen |
BID = 466343
alexis-007 Schreibmaschine
    
Beiträge: 1620
|
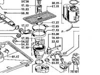
Fahr auch mal ne Runde Maschinenreiniger. Im Bodensumpf kann sich so viel Schmodder abgesetzt habe, das die Klixons (Pos. 5411-21-22) zu spät schalten. Bild, dank Tom Driver, angehängt.
Erklärung von Abkürzungen |
BID = 468786
cornikorn Gesprächig
  
Beiträge: 135 Wohnort: Hamburg
|
Hallo,
erstmal danke für die Antworten.
Ich bin aber noch gar nicht so weit vorwärtsgekommen. Zunächst habe ich nämlich festgestellt, dass der Absperrhahn für den Zulauf zum GS nicht einwandfrei arbeitet. Deshalb habe ich die Mischbatterie des Spülbeckens erneuert. Bei der Gelegenheit habe ich den Aquastop geöffnet. Leider war er so festgesetzt, dass die halbkreisförmigen Befestigungsringe, die das Metallgewinde am Kunststoffschlauch fixieren zerstört wurden.
Frage: hat jemand zwei solche Kunststoffbefestigungen, die ich erwerben könnte? Ich denke nicht, dass sie im "normalen" Handel zu bekommen sind. Ansonsten müßte ich den ganzen Schlauch erneuern, was sich bei dem Alter der Maschine kaum lohnte. Zum besseren Verständnis habe ich zwei Bilder hochgeladen.
Der Metallring wird über das Ende des Aquastopschlauches geführt und dann mit den halbkreisförmigen Kunststoffringen fixiert.
Erklärung von Abkürzungen |
BID = 468812
alexis-007 Schreibmaschine
    
Beiträge: 1620
|
Kollaterialschaden. Neuer Aquastop um die 100 Eus.
Oder mal beim Receicling nachschauen.
Erklärung von Abkürzungen |
BID = 468912
la Gerade angekommen
Beiträge: 17 Wohnort: Telgte
|
Hallo cornikorn,
bin gerade selber wegen einem defektem Trockner hier und habe zufällig dein Leiden mit dem Aquastopp gelesen.
Ich kann dir einen kompletten Aquastopp mit Schlauch von Miele anbieten, müßte eigentlich bei dir auch passen . Die Spulenspannung ist 230v.
Bei interesse Melden.
bis dann LA
Erklärung von Abkürzungen |
BID = 468924
DMfaF Inventar
     
Beiträge: 6664 Wohnort: 26817 Rhauderfehn
|
Er wird nicht passen! Genauso weinig wie ein Mercedes Motor in einen Trabbi passt!
_________________
An alle Hobby-Kundendienstler: Vor Arbeiten am Gerät, Netzstecker ziehen und VDE Vorschriften beachten!! Jeder trägt die Verantwortung für seine ausgeführte Arbeit!!!
Anfragen per Mail oder PN werden nicht beantwortet!
Erklärung von Abkürzungen |
BID = 468956
la Gerade angekommen
Beiträge: 17 Wohnort: Telgte
|
Warum sollte das Ding nicht passen ??
eine Rohrschelle sollte wohl überall gleich sein, O.K. der Stecker wird nicht passen, aber wer an seiner Maschine bastelt sollte das wohl hinkriegen.
Ist ja auch egal, dachte halt bevor man die Spülmaschine wegen dem Aquastop verschrottet kann man das ja mal ausprobieren.
Erklärung von Abkürzungen |
BID = 469191
prinz. Moderator
       Beiträge: 8935 Wohnort: Gifhorn und Wolfenbüttel
|
Moin
Mit den 230V bist du dir sicher (Teilweise werden verschiedene Bauteile in Reihe geschaltet) nur mal als Anmerkung.
Außerdem haben die Geräte andere Durchflußmengen.
Und noch ein Punkt ist wer bezahlt den Wasserschaden wenn was passiert und der Sachverständige feststellt anderer Schlauch?
Hab bei meinem Gerät ne Lebenslange Garantie auf Wasserschäden es sei den Ich manipuliere das Teil.
mfg
_________________
Nur für nicht Mutige
1.Freischalten
2.Gegen Wiedereinschalten sichern
3.Spannungsfreiheit allpolig feststellen
4.Erden und kurzschließen
5.Benachbarte, unter Spannung stehende Teile abdecken oder abschranken
Erklärung von Abkürzungen |
BID = 473807
cornikorn Gesprächig
  
Beiträge: 135 Wohnort: Hamburg
|
Hallo,
ich melde mich nochmal, um zu berichten, dass ich einen gebrauchten Schlauch für 10,00 EUR erstanden und die beiden "Plastikverriegelungen" umgebaut habe. Zur Zeit läuft der Spüler einwandfrei. Möglicherweise war also auch der defekte Zulauf die Fehlerursache für den "konfusen" Spülablauf. Ich danke allen, die sich mit ihren Tipps bei dieser Reparatur engagiert haben.
Viele Grüße
cornikorn
Erklärung von Abkürzungen |
Liste 1 BAUKNECHT Liste 2 BAUKNECHT Liste 3 BAUKNECHT Liste 4 BAUKNECHT |
|
Das Thema ist erledigt und geschlossen. Es kann nicht mehr geantwortet werden !
Zum Ersatzteileshop
Bezeichnungen von Produkten, Abbildungen und Logos , die in diesem Forum oder im Shop verwendet werden, sind Eigentum des entsprechenden Herstellers oder Besitzers. Diese dienen lediglich zur Identifikation!
Impressum
Datenschutz
Copyright © Baldur Brock Fernsehtechnik und Versand Ersatzteile in Heilbronn Deutschland
gerechnet auf die letzten 30 Tage haben wir 13 Beiträge im Durchschnitt pro Tag heute wurden bisher 14 Beiträge verfasst © x sparkkelsputz Besucher : 186021582 Heute : 11963 Gestern : 16912 Online : 206 26.10.2025 14:24 17 Besucher in den letzten 60 Sekunden alle 3,53 Sekunden ein neuer Besucher ---- logout ----viewtopic ---- logout ----
|
xcvb
ycvb
0,0778529644012
|