Samsung LED TV Fernseher  UE40S870

Reparaturtipps und Ersatzteile zum Fehler: 5V STBY fehlen

Im Unterforum Reparatur - Fernsehgeräte - Beschreibung: Reparaturprobleme mit Fernseher, TV, Farbfernseher

Elektronik Forum Nicht eingeloggt       Einloggen       Registrieren




[Registrieren]      --     [FAQ]      --     [ Einen Link auf Ihrer Homepage zum Forum]      --     [ Themen kostenlos per RSS in ihre Homepage einbauen]      --     [Einloggen]

Suchen


Serverzeit: 04 11 2025  04:59:58      TV   VCR Aufnahme   TFT   CRT-Monitor   Netzteile   LED-FAQ   Oszilloskop-Schirmbilder            


Elektronik- und Elektroforum Forum Index   >>   Reparatur - Fernsehgeräte        Reparatur - Fernsehgeräte : Reparaturprobleme mit Fernseher, TV, Farbfernseher


Autor
LED TV Samsung UE40S870 --- 5V STBY fehlen
Suche nach LED Samsung

Problem gelöst    







BID = 939500

Hurrykane1

Stammposter



Beiträge: 284
Wohnort: Much
ICQ Status  
 

  


Geräteart : LED TV
Defekt : 5V STBY fehlen
Hersteller : Samsung
Gerätetyp : UE40S870
Messgeräte : Multimeter, Oszilloskop
______________________

Hallo zusammen habe eine Problem mit meinem Samsung LED TV. Das Gerät lässt sich von heute auf Morgen nicht mehr einschlaten und STBY LED leuchtet auch nicht mehr.

Netzteil ist das BN44-00362A verbaut.

Sicherungen sind alle OK. Am IC801 liegt eine schwankende Versorgungsspannung von 11V-21V an. Aber der dahinter sitzende Sperrwandler wird nicht versorgt.

Für mich scheint der IC entweder in einer Schutzschaltung zu hängen oder defekt zu sein.

Bräuchte ein wenig Hilfe wie ich das testen kann bzw. auschließen kann.

Gruß

Marcel

Erklärung von Abkürzungen

BID = 939541

Hurrykane1

Stammposter



Beiträge: 284
Wohnort: Much
ICQ Status  

 

  

So habe die Sache schon mal ein wenig eingegrenzt.

Am Brückengleichrichter habe ich zwischen + und - gerade mla 0,05 Ohm was ein klarer Kurzschluss ist.

Werde mich jetzt mal denn Fet´s in der PFC widmen weil die Vermutung nahe liegt das da einer defekt ist.


So neue Info:

Beim Testen der Fet´s ist einer aufgefallen der zwischen source und drain nur noch 0,07 Ohm hatte und zwischen gate und source nur noch 170 Ohm. Damit ist dieser definitiv hinüber.

Werde mir jetzt mal 2 neue Besorgen. der zweite ist zwar nach Messung ok aber wer weiß ob er auch einen weg bekommen hat.

[ Diese Nachricht wurde geändert von: Hurrykane1 am 28 Sep 2014 18:43 ]

Erklärung von Abkürzungen

BID = 939545

Maik87

Schriftsteller



Beiträge: 861
Wohnort: Wesel / Niederrhein

Haste die Dioden der Gleichrichterschaltung ausgelötet und getestet? Siebelko auch okay?

Erklärung von Abkürzungen

BID = 939547

Hurrykane1

Stammposter



Beiträge: 284
Wohnort: Much
ICQ Status  

Brückengleichrichter war entfernt und dioden ok. Siebelko ist auch ok. Nachdem der defekte Fet raus war ist der Kurzschluss weg und habe zwischen + und - 170 kohm. Denke also das sollte ok sein.

Ein 13NM60N von ST ist verbaut.

Laut Datenblatt ein 650V 11A FET.

Kann ich als ersatz jeden FET nehmen der die Werte hat oder muss es zwingend der selbe sein?

Hätte noch 2 STP20NM60FP hier leigen die 600V 20A hätten.



[ Diese Nachricht wurde geändert von: Hurrykane1 am 28 Sep 2014 19:03 ]

[ Diese Nachricht wurde geändert von: Hurrykane1 am 28 Sep 2014 19:06 ]

Erklärung von Abkürzungen

BID = 939694

Hurrykane1

Stammposter



Beiträge: 284
Wohnort: Much
ICQ Status  

Habe jetzt die beiden oben besagten Fet´s verbaut damit ist die PFC wieder in Takt.

Weiterhin klappt die STBY Schaltung nicht mehr.

Daher die Frage könnte es sein das der ICB801 durch das ableben des Fet`s QP801 eine Spannungspitze abbekommen hat und dadurch einen weg hat?

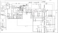
Bin über jeden Tipp dankbar da ein Neues Netzteil 290€ kostet.

Habe unten denn Teil der PFC und STBY als Foto angehängt und die beiden genannten Bauteile markiert.








Erklärung von Abkürzungen

BID = 939912

Hurrykane1

Stammposter



Beiträge: 284
Wohnort: Much
ICQ Status  

So nachdem ich ICB801 getuascht habe und die beiden Fet`s wie weiter oben geschrieben ebenfalls, klappt die PFC wieder und die STBY auch.


Jedcoh habe ich nun das Problem das ich statt 5.2V STBY 7,98V STBY vorhanden sind. Also scheint irgendwo in der Regelung noch ein Fehler zu sein. Denn Opto PCB801S habe ich ebenfalls schon getauscht jedoch ohne besserung.

PFC Spannung am Siebelko nun 386V sollte also ok sein.

Habt ihr einen Tipp woran es liegen könnte das die STBY Spannung so hoch ist???


Gruß
Marcel

Erklärung von Abkürzungen

BID = 939921

Hurrykane1

Stammposter



Beiträge: 284
Wohnort: Much
ICQ Status  

So nachdem ich nun im internet rechachiert habe wie so eine Regelung funktioniert bin ich auf das Bauteil KA431AMZ an Position ZDB851 gestoßen.

Habe diesen durch einen TL431 ersetzt und via dünner drähte nach oben gezogen da unten nur SMD paast.

Nach dem dieser getauscht war stimmte die STBY Spannung wieder und das Netzteil ist komplett hochgefahren.

Also 12V, 18V, 5,2V ud 5,3V sind alle sauber wieder da und der TV läuft wieder.

Gruß
Marcel

Erklärung von Abkürzungen


Zurück zur Seite 0 im Unterforum          Vorheriges Thema Nächstes Thema 
Das Thema ist erledigt und geschlossen. Es kann nicht mehr geantwortet werden !



Zum Ersatzteileshop


Bezeichnungen von Produkten, Abbildungen und Logos , die in diesem Forum oder im Shop verwendet werden, sind Eigentum des entsprechenden Herstellers oder Besitzers. Diese dienen lediglich zur Identifikation!
Impressum       Datenschutz       Copyright © Baldur Brock Fernsehtechnik und Versand Ersatzteile in Heilbronn Deutschland       

gerechnet auf die letzten 30 Tage haben wir 15 Beiträge im Durchschnitt pro Tag       heute wurden bisher 0 Beiträge verfasst
© x sparkkelsputz        Besucher : 186285499   Heute : 4591    Gestern : 34099    Online : 244        4.11.2025    4:59
13 Besucher in den letzten 60 Sekunden        alle 4.62 Sekunden ein neuer Besucher ---- logout ----viewtopic ---- logout ----
xcvb ycvb
In 2 Sekunden wird ein Backup gestartet. Bitte beenden Sie alle Eingaben. Das Forum wird dann für 10 Minuten abgeschaltet !
0.343470096588