| Autor |
|
Probleme Lichtsteuerung bei Siedle IQ HTA |
|
|
|
|
BID = 1119611
Primus von Quack Unser Primus :) nehmt ihn nicht so ernst
  
Beiträge: 7473
|
|
Zitat :
Rainbird-1 hat am 30 Nov 2023 11:25 geschrieben :
|
............
Auch die Montage in der Abzweigdose ist jetzt nicht mehr möglich.
.............
|
Warum
_________________
...geguckt wird mit den Augen, nicht mit den Fingern! |
|
BID = 1119613
mlf_by Schreibmaschine
    
Beiträge: 1144 Wohnort: Ried
|
Der Siedle-Techniker und du sprechen von verschiedenen Dingen. Äpfel und Birnen.
Du sagst: dein Lichttaster benimmt sich so, als würde jedesmal dein Finger auf dem Taster einschlafen.
Und der Siedle-Techniker spricht dagegen von 'Latenz'; der meint verstanden zu haben, daß dir die 1-1½ Sekunden zu lange wären, die es dauert bis auf einen Druck auf den Lichttaster hin "endlich" das Licht angeht.
Wobei es zu dieser Licht-Einschaltverzögerung, neudeutsch Latenz, sowieso nur bei der Fernbedienung des HTA mittels der App kommen dürfte. Die Handy-App mitsamt dem in dem IQ HTA verbauten Wlan-Geraffel benimmt sich lt. Siedle-Unterlagen nämlich wie eine weitere, parallelgeschaltete Hör-Sprechspreche /HTA. Die physische und die virtuelle HTA wild miteinander zu vermischen, ergibt mMn selbst aus der merkwürdigen Siedle-Denkweise heraus keinen Sinn.
Und seit Anbeginn an hat sich Siedle aus der Lichtgeschichte herausgehalten. Alle (bisherigen) HTAs und TMs und TLMs hatten lediglich einen potentialfreien Taster Beispielbild , und der Anlagenerrichter musste den Tastendruck selber irgendwie "in Licht umwandeln".
Würde Siedle nun bei dem IQ HTA sein bisheriges "heraushalten" aufgeben /aufgegeben haben, dann wären Kompatibilitätsprobleme mit alten Anlagen aber sowas von absehbar. Also werden sie es wohl nicht gemacht haben; außer die wären neuerdings gleich komplett Mist ausgeblendet durch Jornbyte  
test mist
.
Sprich: hänge mal irgendwie^^ ein Multimeter an 6.2 bzw II hin, und du wirst vermutlich sehen - daß die Tastzeit-Verlängerung auf 1sek nicht von Siedle kommt. Sondern erst irgendwo in deiner Lichtmach-Anlage entsteht.
Zudem dürfte das Relais rechts mitte nur anziehen, wenn das Licht über die lebensdauerbegrenzte^^ App aktiviert wird. Server, ja genau ... warum nicht gleich Cloud und KI ?.
Daß hier ein Relais sitzt und kein z.B. Optokoppler, liegt wohl daran daß Siedle die Lichttaster seit jeher mit 24V/2A spezifiziert. Also auch hier wieder Kompatibilität zu in ihren Grundzügen steinalten Altanlagen. Für eine Briefkasteninnenbeleuchtung ect. würde ja eine 12V/5W-Funzel eigentlich auch völligst ausreichen
[ Diese Nachricht wurde geändert von: Jornbyte am 1 Dez 2023 19:27 ]
|
BID = 1119628
unlock Schriftsteller
     Beiträge: 902 Wohnort: Mosbach
|
Hab ich schon Miniaturrelais erwähnt?
oder doch lieber SMD Relais.
auf jedenfall sollte das einen impuls in länge der anzugzeit des Relais liefern.
_________________
One Flash and you're Ash !
|
BID = 1119670
Rainbird-1 Gerade angekommen
Beiträge: 17
|
Zitat :
mlf_by hat am 1 Dez 2023 19:03 geschrieben :
|
Der Siedle-Techniker und du sprechen von verschiedenen Dingen. Äpfel und Birnen.
Du sagst: dein Lichttaster benimmt sich so, als würde jedesmal dein Finger auf dem Taster einschlafen.
Und der Siedle-Techniker spricht dagegen von 'Latenz'; der meint verstanden zu haben, daß dir die 1-1½ Sekunden zu lange wären, die es dauert bis auf einen Druck auf den Lichttaster hin "endlich" das Licht angeht.
Wobei es zu dieser Licht-Einschaltverzögerung, neudeutsch Latenz, sowieso nur bei der Fernbedienung des HTA mittels der App kommen dürfte. Die Handy-App mitsamt dem in dem IQ HTA verbauten Wlan-Geraffel benimmt sich lt. Siedle-Unterlagen nämlich wie eine weitere, parallelgeschaltete Hör-Sprechspreche /HTA. Die physische und die virtuelle HTA wild miteinander zu vermischen, ergibt mMn selbst aus der merkwürdigen Siedle-Denkweise heraus keinen Sinn.
Und seit Anbeginn an hat sich Siedle aus der Lichtgeschichte herausgehalten. Alle (bisherigen) HTAs und TMs und TLMs hatten lediglich einen potentialfreien Taster Beispielbild , und der Anlagenerrichter musste den Tastendruck selber irgendwie "in Licht umwandeln".
Würde Siedle nun bei dem IQ HTA sein bisheriges "heraushalten" aufgeben /aufgegeben haben, dann wären Kompatibilitätsprobleme mit alten Anlagen aber sowas von absehbar. Also werden sie es wohl nicht gemacht haben; außer die wären neuerdings gleich komplett
--- Mist ausgeblendet ----
.
Sprich: hänge mal irgendwie^^ ein Multimeter an 6.2 bzw II hin, und du wirst vermutlich sehen - daß die Tastzeit-Verlängerung auf 1sek nicht von Siedle kommt. Sondern erst irgendwo in deiner Lichtmach-Anlage entsteht.
Zudem dürfte das Relais rechts mitte nur anziehen, wenn das Licht über die lebensdauerbegrenzte^^ App aktiviert wird. Server, ja genau ... warum nicht gleich Cloud und KI ?.
Daß hier ein Relais sitzt und kein z.B. Optokoppler, liegt wohl daran daß Siedle die Lichttaster seit jeher mit 24V/2A spezifiziert. Also auch hier wieder Kompatibilität zu in ihren Grundzügen steinalten Altanlagen. Für eine Briefkasteninnenbeleuchtung ect. würde ja eine 12V/5W-Funzel eigentlich auch völligst ausreichen
[ Diese Nachricht wurde geändert von: Jornbyte am 1 Dez 2023 19:27 ]
|
Eben nicht. Wir haben ausgiebig darüber geredet was mein Ziel ist und haben uns auch verstanden! Er empfahl mir sogar es über eine andere Lösung zu regeln (EWR => Einschaltwischerrelais). Da gab es kein Missverständnis. Außer Du warst in meiner Telefonleitung und hast etwas anderes verstanden
Zudem funktioniert es an der normalen HTA-811 ohne Probleme!
Da kann ich auch durch längeres Drücken (länger 1 Sek. die Dauerschaltung aktivieren). Drücke ich kurz geht das Licht normal an und nach 2 Minuten Eltako Zeit aus! So wie es soll. Und diese beiden Taster gehen auf die gleiche "Weiterschaltung" Richtung Eltako!
Es ist die IQ HTA welche eine interne verzögerte Relaisschaltzeit hat. Und Siedle macht dies um aufgrund der WLAN-Server Kommunikation zu gewährleisten, dass das Relais auch genug Zeit hat anzuziehen! Ich kann nebendran stehen und höre, wie lange das Relais schaltet und das ist definitiv länger als 1Sek. bis dieses wieder abfällt! Sowohl das Türöffner Relais als auch die Lichtsteuerung!
Deine Theorie ist also falsch. Hast Du eine IQ HTA?
Ich benötige ein Relais welches egal wie lange geschaltet wird (Eingang) max. 0,5 Sek. am Ausgang schaltet, da ansonsten der Eltako die "Dauerschaltung" registriert! Nicht mehr und nicht weniger! Und dieses würde ich in Reihe zu den anderen Tastern hängen, sodass nur der Impuls der IQ HTA kleiner 1Sek ist. Bei den restlichen Tastern kann ich dann mit dem Finger selbst entscheiden, was ich möchte!
PS: Egal wie schlecht Du diese redest ist diese Lösung aber tausend Mal besser als die Lösung von RING, bei der man das 50Hz Netzbrummen auf dem Hörer hat! Die Siedle funktioniert absolut ohne Probleme und ich kann jederzeit wenn ich vor der Haustüre stehe oder auch meiner Frau aus der Ferne die Haustür öffnen und habe einen glasklaren Sprechverkehr! Da gibt es absolut nichts zu meckern (zumindest nicht von mir).
[ Diese Nachricht wurde geändert von: Rainbird-1 am 4 Dez 2023 17:48 ]
|
BID = 1119671
Rainbird-1 Gerade angekommen
Beiträge: 17
|
Zitat :
Primus von Quack hat am 1 Dez 2023 18:47 geschrieben :
|
Zitat :
Rainbird-1 hat am 30 Nov 2023 11:25 geschrieben :
|
............
Auch die Montage in der Abzweigdose ist jetzt nicht mehr möglich.
.............
|
Warum
|
Weil die Dose zugeputzt ist und nicht wieder geöffnet werden muss, wegen dieser Geschichte! Zudem kann ich diese nicht einfach aufmachen. Einfach mal den Leuten glauben, denn es wird Gründe geben (nicht böse gemeint). Ich schreibe dies jedoch nicht ohne Grund um mich dann doch rechtgertigen zu müssen. Ich kann die Dose aktuell nicht aufmachen...
...leider!
[ Diese Nachricht wurde geändert von: Rainbird-1 am 4 Dez 2023 17:42 ]
|
BID = 1119672
Rainbird-1 Gerade angekommen
Beiträge: 17
|
Zitat :
unlock hat am 2 Dez 2023 18:36 geschrieben :
|
Hab ich schon Miniaturrelais erwähnt?
oder doch lieber SMD Relais.
auf jedenfall sollte das einen impuls in länge der anzugzeit des Relais liefern.
|
Da aber bereits das Siedle Relais zu lange anzieht (also der Impuls der von 6.2 kommt ist bereits zu lange >1Sek.), sodass es ein EWR Relais braucht und man dieses anscheinend nicht in einer kleine Baugröße bekommt. Ein einfaches Relais reicht leider nicht, da dies an der Anzugszeit nichts ändert...
...im Gegenteil, da diese Zeit ja noch "On-Top" kommt.
|
BID = 1119674
Primus von Quack Unser Primus :) nehmt ihn nicht so ernst
  
Beiträge: 7473
|
|
BID = 1119685
mlf_by Schreibmaschine
    
Beiträge: 1144 Wohnort: Ried
|
|
BID = 1119687
Rainbird-1 Gerade angekommen
Beiträge: 17
|
Zitat :
Primus von Quack hat am 4 Dez 2023 18:32 geschrieben :
|
Zitat :
Rainbird-1 hat am 4 Dez 2023 17:23 geschrieben :
|
........
Weil die Dose zugeputzt ist und .........
[ Diese Nachricht wurde geändert von: Rainbird-1 am 4 Dez 2023 17:42 ]
|
....das hab ich mir fast gedacht
Tja, Klemmstellen MÜSSEN nach VDE jederzeit zugänglich sein, wie kommt man auf die Idee das zuzuputzen
....also uffkloppen und Federdeckel druf
....man will was und verbaut sich vorher selbst alle Wege, das ist so als mauert man alle Türen und Fenster zu und dann schreit man rum das man raus will, aber nicht die Wände kaputt machen
[ Diese Nachricht wurde geändert von: Primus von Quack am 4 Dez 2023 18:39 ]
|
Hab ich mir gedacht, man unterstellt anderen etwas und feiert dies ab!
Was soll das?
Ich hab das nicht verputzt und ich kann auch nicht einfach entscheiden, dies wieder aufzuklopfen! Und an der Stelle sieht ein Federdeckel im Nachgang auch nicht dolle aus (Örtlichkeiten und Beweggründe kennen, dann urteilen)!
Außerdem tut dies alles überhaupt nichts zur Sache! In den Foren wird immer nur aufgebläht und Vorgaben umschifft, damit man sich selbst als ach so tolle darstellen kann, oder was wird damit bezweckt?
Ich schrieb doch bereits im Eingangspost, was die Bedingungen sind. Was sucht man jetzt an anderen Stellen Lösungen, welche überhaupt nicht zur Debatte stehen? -Hilfe in allen Ehren, es geht hierbei aber anscheinend nur um die Selbstdarstellung.
Ja Klemmstellen müssen zugänglich sein! Es geht hier aber um eine Klingelschaltung (Kleinspannung) und nicht Niederspannung! Daher sehe ich dies auch nicht als "Beinbruch". Die Übergabe von der Klingelschaltung auf die Eltakoschaltung (Beginn der 230V Schaltung) ist zugänglich! Aber das ist in diesem Konstrukt eben auch die Stelle, wo der Impuls bereits zur Übergabe auf die Eltako länger als 1Sek ist. Daher bringt es mir nichts hier ein entsprechendes Relais einzubauen! Sonst geht bei den anderen Tastern die Dauerschaltung nicht mehr!!!
Danke für Deine Hilfe, Fehlersuche bei meinem Vorgänger benötige ich nicht!
Ich mache meine Sache korrekt und dazu gehört, dass ich nicht einfach aufklopfen kann! Es gibt eben Rahmenbedingungen! Trotzdem ist eine Lösung dadurch nicht ausgeschlossen, was ich ja versuche umzusetzen!
[ Diese Nachricht wurde geändert von: Rainbird-1 am 5 Dez 2023 10:25 ]
|
BID = 1119690
Rainbird-1 Gerade angekommen
Beiträge: 17
|
Die Klingelschaltung führt nicht zu einem Verbauort für Hutschienenmontage. Dies ist das Problem. Ich muss den zu begrenzenden Impuls (<0,5Sek.) ziemlich genau am IQ HTA Verbauort bereits begrenzen. Die restliche Steuerung (Taster) soll >1Sek. zulassen können!
Das von Dir genannte Relais, begrenzt jedoch nicht, oder?
Ich denke normale Relais ohne festlegbare Zeitstufe sind keine Alternative. Das Ausgangssignal muss auf 0,5Sek. verkürzt werden (Voraussetzung).
|
BID = 1119697
der mit den kurzen Armen Urgestein
     
Beiträge: 17437
|
Das Relais wo der Übergang von der Siedle zur Treppenhausbeleuchtung erfolgt ist zugänglich ?
Wenn ja siehst du den Wald vor lauter Bäumen nicht! Das Siedle Relais stellt für deine Treppenhausbeleuchtung nur einen zusätzlichen Taster dar !
_________________
Tippfehler sind vom Umtausch ausgeschlossen.
Arbeiten an Verteilern gehören in fachkundige Hände!
Sei Dir immer bewusst, dass von Deiner Arbeit das Leben und die Gesundheit anderer abhängen!
|
BID = 1119698
Rainbird-1 Gerade angekommen
Beiträge: 17
|
Zitat :
der mit den kurzen Armen hat am 5 Dez 2023 15:01 geschrieben :
|
Das Relais wo der Übergang von der Siedle zur Treppenhausbeleuchtung erfolgt ist zugänglich ?
Wenn ja siehst du den Wald vor lauter Bäumen nicht! Das Siedle Relais stellt für deine Treppenhausbeleuchtung nur einen zusätzlichen Taster dar !
|
Zu Thema "Wald vor lauter Bäumen"
- nein ist nicht zugänglich (schrieb ich bereits)
- das Siedle Relais zieht länger 1Sek. an und stellt damit den Eltako auf
Dauerlicht (Antaktung länger 1Sek. auf Dauerlicht und das schrieb
ich jetzt schon mehrfach). Sorry für die klaren Worte
Und nein ich kann nicht irgendwo ein Relais einbauen, da die "Übergabestelle" der Impulse beachtet werden muss. Während der Impuls von meiner IQ HTA nicht länger als 1Sek. sein darf (was jedoch aufgrund des trägen Siedle Relais der Fall ist), darf der Impuls von den anderen Tastern länger sein, da dies "beeinflussbare Taster" sind nämlich per Fingerdruck! Das Siedle Relais ist der Knackpunkt, da ich dessen Ansteuerung nicht beeinflussen kann und diese länger 1Sek. ist, ist dies auch die Strecke welche im Nachgang über ein zusätzliches Relais (EWR) beeinflusst werden muss.
Ich komme mir vor wie eine Schallplatte die hängt!
Ich habe doch extra einen Schaltplan angehängt und dachte ich bin in einem Elektronikforum...
...das Siedle Relais ist nicht separat aufgeführt (in meinem Plan) sondern in der IQ HTA vor Klemme 6.2 fest auf der Siedle Platine verlötet. Der IQ HTA Taster (mechanisch) schaltet über Serverkommunikation verzögert dieses genannte Relais welches 6.2/II durchschaltet und zwar sehr gut hörbar länger als 1Sek. angezogen!!!
[ Diese Nachricht wurde geändert von: Rainbird-1 am 5 Dez 2023 15:30 ]
|
BID = 1119699
der mit den kurzen Armen Urgestein
     
Beiträge: 17437
|
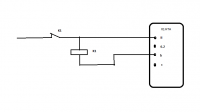
Das ist der Aufbau deiner Lichtsteuerung!
Das Rel1 ist für die Zeit von 1 s zuständig und genau dieses musst du durch ein Zeitreleis ersetzen als Einschaltwischer um die 0,5 s zu erreichen
_________________
Tippfehler sind vom Umtausch ausgeschlossen.
Arbeiten an Verteilern gehören in fachkundige Hände!
Sei Dir immer bewusst, dass von Deiner Arbeit das Leben und die Gesundheit anderer abhängen!
|
BID = 1119700
Rainbird-1 Gerade angekommen
Beiträge: 17
|
Sorry für die Schmiererei, aber ich hatte keine Zeit dies mit einem Programm zu zeichnen! Außerdem ist es nicht normgerecht, Schande über mein Haupt!
Hier der genaue Aufbau:
UPAD 1
muss nicht modifiziert werden ist übertapeziert (tut auch nichts zur Sache)
UPAD 2
befindet sich das Finder Relais (Übergang Kleinspannung/Niederspannung) ist verputzt und kann nicht geöffnet werden
UPAD 3
230V Verteilung hier kommt quasi für den Finder Schaltkontakt die 230V her, sorry hab ich etwas blöd gezeichnet, das Finder Relais ist in UPAD 2 und von UPAD 3 kommen zwei 1,5qmm Leitungen auf den Schaltkontakt des Relais
für die Eltako Treppenhausschaltung => UPAD 3 ist verputzt und kann nicht geöffnet werden
Rot markierte Strecke
ist die zu lange Schaltzeit
Die IQ HTA ist im Dachgeschoss (obere Darstellung Klemme c/6.2/II), die HTA-811 im EG (untere Darstellung Klemme c/6.2/II)
PS: Das von Dir genannte Relais 1 ist auf der Siedle IQ HTA verlötet und wird garantiert nicht getauscht von mir, da dann die Gewährleistung futsch ist! Nochmals ich muss die Zeit extern ändern auf der roten Strecke! Dies geht nur mit einem Relais welchem die Eingangstastzeit egal ist, da es immer die gleiche Dauer an Impuls rausgibt! Dann ist die komplette Schaltung korrekt. Hierzu löte ich jedoch nicht an der IQ HTA herum!
[ Diese Nachricht wurde geändert von: Rainbird-1 am 5 Dez 2023 17:28 ]
|
BID = 1119703
Offroad GTI Urgestein
     
Beiträge: 12836 Wohnort: Cottbus
|
Dieses Zeitrelais ist ziemlich klein: https://industrial.omron.de/de/products/h3rn-b
Ob es in das Gehäuse der HTA passt, musst du mal messen.
Die 12VDC Variante kann dann ja über einen Brückengleichrichter versorgt werden.
Ansonsten muss halt eine kleine Schaltung selbst entwickelt werden, wenn du an keine UP-Dose mehr ran kommst.
_________________
Theoretisch gibt es zwischen Theorie und Praxis keinen Unterschied. Praktisch gibt es ihn aber.
|