Nebengebäude versorgern über Hauptgebäude Im Unterforum Elektroinstallation - Beschreibung: Alles über Installation
Achtung immer VDE beachten !!
| Autor |
|
Nebengebäude versorgern über Hauptgebäude |
|
|
|
|
BID = 102541
Jürgen66 Gerade angekommen
Beiträge: 17 Wohnort: Freiburg
|
|
Hallo zusammen,
ich habe Probleme beim Anschluss eines Nebengebäudes
vielleicht weiß ja jemand Rat, ich habe auch schon beim
E-Werk angerufen der meinte ein Fachmann müsste das wissen
ich bin zwar einer aber das ist leider schon lange her
und ..................
Nebengebäude:
- ca. 10m Entfernung vom Hauptgebäude ca. 35-45m Kabellänge
- 2 kleine 2 Zimmerwohnungen + Garage Keller Speicher
Balkon nichts besonderes
Nachdem mir vom E-Werk mitgeteilt wurde das ein separater
Anschluss vermutlich 1500€ kosten würde (stimmt dass???
Dachständer, Hausanschlusskasten, Baukostenzuschuss,
usw. ) habe ich mich entschlossen das Nebengebäude über
das Hauptgebäude zu versorgen
Da gibt es angeblich mehrere Möglichkeiten keine ist mir
so richtig klar und bevor ich es falsch mache frage ich
lieber ganz genau nach.
Das E-Werk meinte folgendes:
Der Hauptanschlusskasten vom Hauptgebäude ist auf dem
Speicher, ich sollte eine Gruppensicherung setzen dann den
Zählerschrank vom Hauptgebäude anschließen und eine
Leitung von der Gruppensicherung zum Nebengebäude verlegen
dort dann eine Trennmöglichkeit schaffen z.b NH00 mit
Kurzschlusstücken also so habe ich das verstanden ganz
genau fragen wollte ich den nicht weil der war ziemlich
genervt...
Nun meine Fragen:
- Im Hauptanschlusskasten sind 35A Messersicherungen
müsste das nicht 64A sein? Ich habe nachgefragt aber der
meinte das müsste er erst prüfen
- Gruppensicherung wie sieht das aus? ist mir nicht ganz
klar, zusätzlich unterhalb des Hauptanschlusskastens?
Oder in ein freies Zählerfeld und was meint er damit
Schraubsicherungen??? hat einer einen link wie das
aussieht?
- Muss die Trennvorrichtung zum Freischalten der Zuleitung
im Nebengebäude im Zählerschrank sein oder getrennt
außerhalb des Zählerschranks was kostet das und
wo bekomme ich so ein NH00 oder was auch immer günstig.
- Die Leitung zum Nebengebäude ist ungefähr 35-45m lang
geht ca. 6m durchs Erdreich in einem Rohr welchen Typ
Kabel sollte ich da nehmen und welcher Querschnitt??
NYM 5*16m2 reicht dass?????
- Muss ich einen Potentialausgleich von einem zum anderen
Gebäude legen?
Vielen Dank
|
|
BID = 102554
darkstar Schriftsteller
    
Beiträge: 700 Wohnort: Kirrlach
|
|
Zitat :
Jürgen66 hat am 16 Sep 2004 14:33 geschrieben :
|
Hallo zusammen,
|
Hallo Jürgen,
Zitat :
|
Oder in ein freies Zählerfeld und was meint er damit
Schraubsicherungen??? hat einer einen link wie das
aussieht?
|
stelle Dich vor den Stromzähler und denk' ihn Dir weg. Das ist dann ein freies Zählerfeld. teilweise ist sowas für einen zwei Tarifzähler oder für ein zwei-Mieter Haus schonmal als Reserver vorgesehen.
Zu den NHs: sind bei z.B. farnell im Angebot, dennoch glaube ich nicht, dass Du das in Eigenleistung machen solltest... |
|
BID = 102567
sam2 Urgestein
     
Beiträge: 35321 Wohnort: Franken (bairisch besetzte Zone)
|
Hallo Jürgen (schon wieder einer - ich kenn mich bald nicht mehr aus...  ),
erstmal Willkommen im Forum!
Da hast Du Dir ja ganz schön was vorgenommen.
Vorab: Ich glaube nicht, daß die (zwar mögliche) Lösung mit der Versorgung über das Haupthaus tatsächlich billiger wird als ein eigener Anschluß!
Denn die genannte Leitungslänge ist sehr hoch (warum eigentlich???). Der bisherige Hausanschluß ist außerdem zu schwach. Ob der mehr aushält oder baulich verstärkt werden müßte, kann Dir nur das EVU sagen. Kostet aber auch. Möglicherweise mußt Du sogar wenn die nur stärkere Hausanschlußsicherungen einsetzen, einen Netzkostenbeitrag zahlen...
Welche Last hat das Haupthaus?
Aber 3x63A für alles zusammen (mit Nebenhaus) wirst Du schon brauchen.
Für das Nebengebäude mußt Du in jedem Fall sowieso einen eigenen Hauptpotentialausgleich samt Erder errichten.
Verbindung zum Haupthaus wohl nicht nötig.
Ist das einNeubau? Gibt es dort einen Fundamenterder?
Die Gruppensicherung wäre tatsächlich eine Art nachgeschalteter zweiter HAK, nur eben mit zwei getrennten Abgängen (jeweils mit NH).
Ob man stattdessen vom vorhandenen HV aus weiterfahren kann, hängt von dessen vorhandener Zuleitung ab. Vermutlich ist die aber zu schwach dafür...
NH00 ist das, was Du als "Messersicherungen" bezeichnest (eine bestimmte Größe davon).
"Günstig" gibts so Sachen beim örtlichen Elektrogroßhandel (oder bei ebay...).
Für Verlegung im Erdreich kommt dann z.B. NYY in Frage , notfalls auch NYM im Schutzrohr, aber das ist hier schon arg an der Grenze des zulässigen. Muß dann zugänglich bleiben und entwässert werden etc., kommt also IMHO realistisch nicht in Frage.
Welche Netzform habt Ihr denn? Ggf. wäre zu überlegen, besser im Nebengebäude ein lokales TT zu errichten.
16m² Querschnitt sind aber in jedem Falle viel zu wenig!
Rechne mal den Spannungsfall nach:
Der darf vom HAK bis zum Zähler nur 0,5% betragen. Im besten Fall rechne mit (2x25=) 50A Nennlast im Nebengebäude...
Gruß,
sam2
_________________
"Das Gerät habe ich vor soundsoviel Jahren bei Ihnen gekauft! Immer ist es gegangen, immer. Aber seit gestern früh geht es plötzlich nicht mehr. Sagen Sie mal, DA STIMMT DOCH WAS NICHT???"
|
BID = 102585
gretel Schreibmaschine
    
Beiträge: 1169 Wohnort: Deutschland
|
Quote :
Das E-Werk meinte folgendes:
Der Hauptanschlusskasten vom Hauptgebäude ist auf dem
Speicher, ich sollte eine Gruppensicherung setzen dann den
Zählerschrank vom Hauptgebäude anschließen und eine
Leitung von der Gruppensicherung zum Nebengebäude verlegen
dort dann eine Trennmöglichkeit schaffen z.b NH00 mit
Kurzschlusstücken also so habe ich das verstanden ganz
genau fragen wollte ich den nicht weil der war ziemlich
genervt...
Also mit Dir als Gruppensicherungsmonteur ist das sicherlich nicht gemeint !
Da gibt es nur den Weg über eine Fachfirma , denn das ist nichtabgesicherter Stromkreis !
Anflanschen eines zweiten HAK'sgehäuses neben dem vorhandenen ist wirklich Facharbeit Deluxe !!
Als Vorarbeit ist , nachdem Spannungsfall und Verlegeart definitv bekannt sind , Leitungsverlegung in Eigenregie möglich - beachte aber oben schon gesagtes !
2ter HAK im Nebengebäude , dann evtl. wieder mit NH-00 Grössen und zusätzlichen Zählerplatz im Nebengebäude auch wieder nur über Fachfirma möglich.
Die versehen dann auch den notwendigen Erder (Andere Fachfirma rammt den bei Bedarf mit Verbrennungsmotorhammer in Kellerbohrung und misst ihn aus.!) je nach EVU Netzform.
EVU nach Vertragsbedingungen evtl. Sondertarif ausfragen und alles über eine Fachfirma im Vorfeld schriftlich niederlegen !
Alles in allem - viel Arbeit.
Halte uns auf dem Laufenden .
gretel
|
BID = 102635
Jürgen66 Gerade angekommen
Beiträge: 17 Wohnort: Freiburg
|
Danke für die Antworten,
Ich dachte eigentlich nicht dass das soooo schwierig
wird, meine zugegeben wohl etwas naive Vorstellung war
ursprünglich einfach ein entsprechend ausgelegtes
Kabel vom HAK des Haupthauses zum Zählerschrank
Nebengebäude zu verlegen aber .... Das muss doch billiger
sein oder?
Vielleicht habe ich bei der Kabellänge bisschen übertrieben
muss ich noch mal genau ausmessen das Hauptgebäude ist
ziemlich hoch drei Stockwerke und der HAK befindet sich
auf dem Speicher vielleicht eher 25m wollte auf der
sicheren Seite sein.
Wie gesagt die Last ist nichs besonderes zwei, zwei
Zimmerwohnungen keine Elektroheizung keine Ahnung aber
viel ist es sicher, bisschen Licht, Waschmaschinen ...
Genau kann ich es nicht sagen ist ja zum Teil noch
in der Plannung. Da reichen aber bestimmt 35A
Also ein Hauptpotential habe ich natürlich vorgesehen,
Fundamenterder, alles geerdet usw, ich meine nur ob
es notwendig ist ein Potentialausgleich zwischen den
Gebäuden zu erstellen habe mal sowas gelesen.
""Die Gruppensicherung wäre tatsächlich eine Art nachgeschalteter zweiter HAK, nur eben mit zwei getrennten Abgängen (jeweils mit NH). ""
Spitze ok hast du mir da ein Link wo ich mir mal
anschauen kann wie so was aussieht was es kostet usw.
schaue ich da unter Gruppensicherung oder HAK Trenner
habe ich bei ebay gefunden fragt sich nur ob ich den
verwenden kann und in welchen Kasten der rein muss
http://cgi.ebay.de/ws/eBayISAPI.dll.....=true
Die Leitung zu verlegen traue ich mir zu die Plombe
ist eh auf weil eine Sicherung durchging als die Jungs
einen Kranen angeschlossen haben. Habe ich gewechselt
Werkzeug habe ich abdecken ... usw.
Die Leitung vom HAK zum vorhandenen Zählerkasten ist
5*16 m2 das reicht vermutlich nicht glaube ich zumindest.
Danke noch mal ... das muss doch machbar sein
|
BID = 102640
SPS Schreibmaschine
    
Beiträge: 2848
|
Hallo zusammen noch mal
Tab 2000 midestens für 63A die Leitung bis zum Verteiler auslegen.
Vom Hausanschluß bis Zöhler max Spannungsfall 0,5%
Alle rechnungen mit mind. 63A
Der Spannungsfall wird hier die Leitung bestimmen.
Tabelle für die Leitung als Anlage
http://www.elektro-fachplanung.de/F.....1.htm
[ Diese Nachricht wurde geändert von: SPS am 16 Sep 2004 18:28 ]
[ Diese Nachricht wurde geändert von: SPS am 16 Sep 2004 18:29 ]
|
BID = 102673
sam2 Urgestein
     
Beiträge: 35321 Wohnort: Franken (bairisch besetzte Zone)
|
Klar ist es machbar, aber inwieweit es sinnvoll ist und was es kostet, ist die andere Frage.
Zuerst die mögliche Leitungsführung abklären und die Leitung dimensionieren. Dürfte dann auf mindestens 25mm², vermutlich sogar 35mm² oder sogar 50mm² hinauslaufen. Und da kostet eben schonmal das Cu heftig. Selbst wenn man nur 4adrig nimmt. Die offiziell sowieso geforderten 63A sind auch gar nicht weit weg von dem Wert, welchen Du sowieso für den Betrieb brauchst!
Ist die vorhandene Leitung denn tatsächlich 5adrig? Das wäre so löblich wie selten! Aber zu schwach für die Erweiterung ist sie in jedem Fall. Geht also nur direkt ab HAK.
Dann ist die Leistungsfähigkeit des vorhandenen HA zu klären (EVU) und die Kosten für eine evtl. mögliche Verstärkung.
Wegen des Kastens für die Gruppensicherung vielleicht mal bei RolSim nachfragen (per pm).
Ist das ein TN?
Die Frage ist auch nicht, ob Du Dir zutraust, die Leitung zu verlegen, sondern, welcher eingetragene Fachbetrieb den Antrag auf Verstärkung des Hausanschlusses bzw. den Zählerantrag für die zusätzlichen Zähler im Nebenhaus stellt...
In Sachen Kran und Plombe:
Interessant, und da hast Du dann mal schnell zur Selbsthilfe gegriffen?
|
BID = 102877
Jürgen66 Gerade angekommen
Beiträge: 17 Wohnort: Freiburg
|
Vielen Dank das jemand Zeit hat sich mit meinen Problemchen zu beschäftigen .
Ok ich habe in der Tabelle nachgesehen falls ich mit 25m hinkomme reicht doch 4*25m2 nur dazwischen sind 5m erdreich ... also trotz der 36A oben muss die ganze Sache
für 63A ausgelegt werden.
Mein Bruder kennt einen der den ganzen Bau abnimmt und prüft also alles hat schon seine richtigkeit sollte dann halt nur auch ordnungsgemäss sein sonst muss ich es noch mal machen.
Der Kran war zu heftig dann ware der Strom weg ich habe früher motoren angeschlossen und zugeschalten also kann das schon keine Panik bin nicht lebensmüde, die ganzen arbeiter und und und habe einen beim E-Werk angerufen den ich kenne und mir das ok gegeben und fix die SIcherung gewechselt die ich sogar zufällig noch da hatte  ich denke immer warum umständlich wenn es einigermassen leicht geht.
Gruß Jürgen
|
BID = 102880
sam2 Urgestein
     
Beiträge: 35321 Wohnort: Franken (bairisch besetzte Zone)
|
Na, dann war das ja halbwegs in Ordnung.
Kommt aber leider oft anders vor...
Man hilft Dir ja gerne, aber dann ist es doch nicht zuviel verlangt, wenn Du auch Antworten auf die Rückfragen gibst.
Nach der Netzform war z.B. gefragt.
Oder ob tatsächlich bisher ne 5adrige Zuleitung liegt.
Und sag uns dann bitte gelegentlich noch, welöche Kosten für die Verstärkung des vorhandenen Hausanschlusses angefallen sind.
Zur Erdstrecke. Nimm am besten NYY für die ganze Länge. Bei dem Querschnitt wird der Preisunterschied nicht so groß sein. Aber Du bist diese Probleme mit der Rohrführung los.
|
BID = 103559
Atommafia Gerade angekommen
Beiträge: 15
|
Tach
Zitat :
Jürgen66 hat am 16 Sep 2004 14:33 geschrieben :
|
Hallo zusammen,
ich habe Probleme beim Anschluss eines Nebengebäudes
vielleicht weiß ja jemand Rat, ich habe auch schon beim
E-Werk angerufen der meinte ein Fachmann müsste das wissen
ich bin zwar einer aber das ist leider schon lange her
und ..................
>dann wende dich an einen Fachmann der das täglich macht
Nebengebäude:
- ca. 10m Entfernung vom Hauptgebäude ca. 35-45m Kabellänge
- 2 kleine 2 Zimmerwohnungen + Garage Keller Speicher
Balkon nichts besonderes
Nachdem mir vom E-Werk mitgeteilt wurde das ein separater
Anschluss vermutlich 1500€ kosten würde (stimmt dass???
> ja, Trennung ca 50 % vom Neuanschlußpreis
Dachständer, Hausanschlusskasten, Baukostenzuschuss,
usw. )
>das ist ja nicht umsonst
habe ich mich entschlossen das Nebengebäude über
das Hauptgebäude zu versorgen
>und es gibt in Zukunft keinen Ärger zwischen Bewohner Haupthaus und Nebenhaus ?
Da gibt es angeblich mehrere Möglichkeiten keine ist mir
so richtig klar und bevor ich es falsch mache frage ich
lieber ganz genau nach.
Das E-Werk meinte folgendes:
Der Hauptanschlusskasten vom Hauptgebäude ist auf dem
Speicher, ich sollte eine Gruppensicherung setzen dann den
Zählerschrank vom Hauptgebäude anschließen und eine
Leitung von der Gruppensicherung zum Nebengebäude verlegen
dort dann eine Trennmöglichkeit schaffen z.b NH00 mit
Kurzschlusstücken also so habe ich das verstanden ganz
genau fragen wollte ich den nicht weil der war ziemlich
genervt...
Nun meine Fragen:
- Im Hauptanschlusskasten sind 35A Messersicherungen
müsste das nicht 64A sein? Ich habe nachgefragt aber der
meinte das müsste er erst prüfen
- Gruppensicherung wie sieht das aus? ist mir nicht ganz
klar, zusätzlich unterhalb des Hauptanschlusskastens?
Oder in ein freies Zählerfeld und was meint er damit
Schraubsicherungen??? hat einer einen link wie das
aussieht?
- Muss die Trennvorrichtung zum Freischalten der Zuleitung
im Nebengebäude im Zählerschrank sein oder getrennt
außerhalb des Zählerschranks was kostet das und
wo bekomme ich so ein NH00 oder was auch immer günstig.
- Die Leitung zum Nebengebäude ist ungefähr 35-45m lang
geht ca. 6m durchs Erdreich in einem Rohr welchen Typ
Kabel sollte ich da nehmen und welcher Querschnitt??
NYM 5*16m2 reicht dass?????
- Muss ich einen Potentialausgleich von einem zum anderen
Gebäude legen?
Vielen Dank
|
Ersteinmal beim EVU nachfragen wo der 2 Zähler montiert
werden muß
Haupthaus oder Nebenhaus ?
Das EVU will häufig eine zentrale Anordnung der Zähler
und schon garnicht das ungezählter Strom über kundeneigene
Erdkabel fließt
Und wenn man deine restliche Fragen sieht: VDE-Vorschriften
auffrischen, VDE0100 und die Praxis durchlesen, ebenso
Erlaubt-Verboten studieren
Oder einen Elt-Installateur die Arbeit machen lassen
MfG
|
BID = 105361
Jürgen66 Gerade angekommen
Beiträge: 17 Wohnort: Freiburg
|
Hallole,
sorry wegen der späten Antwort habe so einiges geklärt und
war im Stress. Hier noch die ein paar Antworten die ich
noch schuldig bin.
Also es ist ein TN-C-S (TN-C Netz vom HAK bis zur
Stromkreisverteilung und danach TN-S Netz das ist doch so
üblich jedenfalls habe ich es so geplant.
Die Vorhandene Zuleitung ist gerade mal 16qmm und ist
auszutauschen glaube das habe ich geschrieben die war
5 Adrig also muss ich die Netzform im alten Gebäude
ändern ist aber ok da eh alles renoviert wird.
Die Kosten für die Verstärkung von 35A auf 63A im
Hauptgebäude sind laut EVU gleich null weil einfach
nur die SIcherungen getauscht werden müssen hat er
mir zumindest am Telefon gesagt er hätte das geprüft
na dann ...
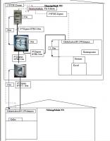
Ich habe mich mit dem EVU in Verbinung gesetzt der Zähler
kann im Nebengebebäude sein. Habe auch einen Plan
gemacht wie das ganze aussieht naja laut der Tabelle
vermutlich ein bisschen überdemensioniert
Was meint Ihr es würde wohl auch 25qmm und 16qmm für das
Erdreich gehen oder? ist es besser so wie im Plan siehe
Anhang bin bisschen im Zwiespalt.
Ist es eigentlich erlaubt die 6m Erdreich mit einem
NYM Kabel zu verlegen, wenn ich das Kabel in ein SChutzrohr
einziehe. Hat jemand eine Tipp wo ich nachschauen kann was
der m Kabel jeweils kostet. Ist dass ein sehr grosser
Unterschied zwischen NYM und NYY preislich? bei Koaxkabel
angeblich doppelt sowiel ??
Was mir bisschen Kopfzerbrechen macht ist, ist es wirklich
ok vom HAK zur Potentialschiene vom Hauptgebäude und
von da dann zum Nebengebäude (siehe Anhang)TN-C Netz
Achja aus Spass an dem Ganzen mache ich das nicht, also
ich würde die Arbeit gerne eine Firma machen lassen aber
das sprengt leider den Rahmen deswegen die viellen
vielleicht etwas naiven Fragen.
Vielen Dank noch mal
Gruß Jürgen
|
BID = 105672
swemers Gesprächig
  
Beiträge: 112
|
Hi,
Zitat :
| Habe auch einen Plan
gemacht wie das ganze aussieht naja laut der Tabelle
vermutlich ein bisschen überdemensioniert |
Im gegenteil, in der Anordnung wie du sie aufgezeichnet hast sind beide Zuleitungen zum Zähler unterdimensioniert! Im hauptstromsystem sind nur 0,5% Spannungsfall zugelassen!
Zitat :
| | Ist dass ein sehr grosser Unterschied zwischen NYM und NYY preislich? |
ja, NYY kostet mir ca. 10% weniger als NYM, zumindest im Grosshandel. Und lass dir auch mal ein Angebot für NAYY (Aluminium) machen, dies wird nämlich noch günstiger, natürlich musst du den Querrschnitt entsprechend anpassen.
Nochwas zur Zeichnung, Zählerkästen dürfen Laut TAB nicht in Heizungsräume montiert werden.
Zitat :
| Was mir bisschen Kopfzerbrechen macht ist, ist es wirklich
ok vom HAK zur Potentialschiene vom Hauptgebäude und
von da dann zum Nebengebäude (siehe Anhang)TN-C Netz |
Normal würde der in der Zuleitung geführte PEN reichen, und im neuen Haus müsste eine Neue PA-Schiene gesetzt werden. Das neue Haus ist als seperates Netzsystem zu sehen.
Ich würde dir Empfehlen das du mit dem Meister der die Abnahme macht das in ruhe durchrechnest. Ausserdem würde ich mir mal durchrechnen ob sich ein eigener Hausanschluss nicht doch rechnet, wenn du den Gesamten Aufwand rechnest, die Probleme die du bei einer evt. zukünftigen Trennung der Gebäude etc. hast sollten ein paar Hundert Euro evt. für eine Gescheite Lösung besser angelegt sein. Dafür lass dir mal ein verbindliches angebot machen, das könnte günstiger ausfallen als ein genervter Angestellter dir am Telefon weissmachen will.
mfg
Swemers
[ Diese Nachricht wurde geändert von: swemers am 23 Sep 2004 20:07 ]
|
BID = 105686
sam2 Urgestein
     
Beiträge: 35321 Wohnort: Franken (bairisch besetzte Zone)
|
und sam2 meint dazu:
-der HV der Haupthauses ist einerseits schon an Ort und Stelle (kann also dort auch bleiben) und andererseits ist ja noch lange nicht jeder Raum, in dem sich eine Heizungsanlage befindet, auch rechtlich gesehen ein Heizraum!!! Das käme auf die Nennleistung des Kessels an...
(gelle, swemers)
-der Zweig zur alten HV paßt, der zum Nebenhaus ist etwas zu schwach (er hat insgesamt 0,71%)
Um auf den rechnerisch korrekten Wert zu kommen, bräuchte man im Abschnitt HAK -> GRuppensicherung 50mm² und von dort zum Nebenhaus 35mm² (macht dann 0,49%).
Andererseits: wie groß mag wohl der Querschnitt der Freileitung sein und der des Abzweigs bis zum HAK?
Man sollte die Kirche im Dorf lassen. Wenn die von Dir vorgeschlagene Lösung das Plazet des EVU findet (schriftlich dort einreichen), dann würde ich es so machen. Denn das ist das Wesentliche...
Und ich sags noch ein letztes Mal:
Nimm NYY! Egal, ob Du sie etwas teurer oder sogar etwas billiger bekommst. Weil NYY bei diesen Querschnitten gängiger ist, kann das sogar gut sein, daß die billiger zu haben ist. Spar Dir den Ärger mit dem entwässerten, belüfteten und kontrollierten Rohr für die NYM im Erdreich...
Bei den bei Alu erforderlichen Querschnitten könnte die Sache langsam unhandlich werden bzw. Du andere Klemmen benötigen. Würde ich möglichst vermeiden. Verarbeitung ist auch etwas kritischer.
Aber:
So wie Du es gezeichnet hast, also mit separater Führung des PE, sollten die Leitungen doch sämtlich Typ -O sein, also ohne gelb/grüne Ader (die Sorte mit heißt übrigens -J und nicht -I).
Und ich wiederhole (im Sinne des Hinweises von swemers) meine dringende Empfehlung:
Telefonischen Auskünften des EVU kann man schon in technischen Fragen oft nicht trauen, wenns um Preise geht aber keinesfalls! Laß Dir also vor Beginn jeglicher Arbeiten das Angebot für die Verstärkung des bestehenden Hausanschlusses schriftlich geben. Es soll ausdrücklich eine Aussage enthalten, daß damit alles abgegolten ist und darüberhinaus KEINE Netzkostenbeiträge etc. anfallen.
Dann kannst Du ja gleich noch ein Angebot für einen separaten Anschluß des Nebenhauses einholen.
Gibt es eventuell in der Nähe einen Masten, von dem aus man ein Erdkabel ins Nebenhaus führen könnte (statt eines eigenen Dachständers)?
|
BID = 105987
Atommafia Gerade angekommen
Beiträge: 15
|
Tach
Zitat :
|
Ist es eigentlich erlaubt die 6m Erdreich mit einem
NYM Kabel zu verlegen, wenn ich das Kabel in ein SChutzrohr
einziehe. Hat jemand eine Tipp wo ich nachschauen kann was
der m Kabel jeweils kostet. Ist dass ein sehr grosser
Unterschied zwischen NYM und NYY preislich? bei Koaxkabel
angeblich doppelt sowiel ??
|
NYM in Rohr in Erdreich: nur kurze Strecken und jederzeit
austauschbar, also faktisch nicht machbar in diesem Fall
Zum Preis : das ist kein Argument für Pfusch etc,
ich klaue die Ersatzteile für meinen Ferrari auch nicht:)
Zum Heizraum: Feuerungsverordnung beachten betreffend Zulässsigkeit von zB Zählerschranken etc im Heizungsraum
Und nicht vergessen mit 0,5 % Spannungsfall das Kabel durchrechen
MfG
|
BID = 105988
sam2 Urgestein
     
Beiträge: 35321 Wohnort: Franken (bairisch besetzte Zone)
|
Es war eigentlich schon alles gesagt, nur offenbar noch nicht von jedem...
Liebe Atommafia,
da genügt zukünftig auch ein schlichtes: "Sehe ich auch so." 
|
|
Zum Ersatzteileshop
Bezeichnungen von Produkten, Abbildungen und Logos , die in diesem Forum oder im Shop verwendet werden, sind Eigentum des entsprechenden Herstellers oder Besitzers. Diese dienen lediglich zur Identifikation!
Impressum
Datenschutz
Copyright © Baldur Brock Fernsehtechnik und Versand Ersatzteile in Heilbronn Deutschland
gerechnet auf die letzten 30 Tage haben wir 17 Beiträge im Durchschnitt pro Tag heute wurden bisher 10 Beiträge verfasst © x sparkkelsputz Besucher : 187968922 Heute : 27387 Gestern : 18748 Online : 208 26.12.2025 21:51 3 Besucher in den letzten 60 Sekunden alle 20.00 Sekunden ein neuer Besucher ---- logout ----viewtopic ---- logout ----
|
xcvb
ycvb
0.0587410926819
|