Ergänzung einer vorhanden Wechselschaltung...

Im Unterforum Elektroinstallation - Beschreibung: Alles über Installation
Achtung immer VDE beachten !!

Elektronik Forum Nicht eingeloggt       Einloggen       Registrieren




[Registrieren]      --     [FAQ]      --     [ Einen Link auf Ihrer Homepage zum Forum]      --     [ Themen kostenlos per RSS in ihre Homepage einbauen]      --     [Einloggen]

Suchen


Serverzeit: 30 12 2025  16:06:25      TV   VCR Aufnahme   TFT   CRT-Monitor   Netzteile   LED-FAQ   Oszilloskop-Schirmbilder            


Elektronik- und Elektroforum Forum Index   >>   Elektroinstallation        Elektroinstallation : Alles über Installation
Achtung immer VDE beachten !!


Autor
Ergänzung einer vorhanden Wechselschaltung...

    







BID = 122660

Uwe

Gelegenheitsposter

Beiträge: 88
Wohnort: Hof/Saale
 

  


... mit einer dritten Lampe, welche jedoch separat umzuschalten ist. Klingt kompliziert hat aber einen einfachen und logischen Hintergrund.
In meinem neuen Korridor wurden zwei Hochvoltleuchten (rein unter optischen Gesichtspunkten) gekauft und angeschlossen, satte 120 Watt. Geschaltet über Wechselschaltung mit zwei Einschaltern. Ob es eine klassische oder Sparschaltung ist, kann ich erst Morgen mit Sicherheit sagen. Nun ist mir das zuviel Watt um das eínfach brennen zu lassen . Mein Gedanke: Mittels drittem Wechselschalter (???) eine Umschaltmöglichkeit von dieser Flutlichtanlage auf eine 7 Watt Sparlampe welche seperat gefasst irgendwo auf der Flurgarderobe installiert wird, diese soll dann auch den ganzen Abend eingeschaltet sein. Sprich mit den vorhanden Einschaltern wird entweder das volle Licht oder die Sparlampe geschaltet. Hier wäre dann auch ab Verteilerdose eine neue Installation über Kabelkanäle möglich, die die zu den Schaltern gehörenden Verteiler recht günstig (optisch verdeckt) liegen. Ich sitze vor den beiden Prinzipschaltbildern und grübel über einer möglichen Lösung. Bei einer Lampe wäre das ja kein Problem, da bräuchte ich nur nochmal die geschalte Phase der Lampe mittels Wechselschalter aufsplitten. Ich habe aber zwei Lampen...

Beste Grüße aus Oberfranken

Uwe

BID = 122674

KD-one

Gesprächig



Beiträge: 123
Zur Homepage von KD-one

 

  

Vielleicht so?

Kurt



BID = 122687

sam2

Urgestein



Beiträge: 35321
Wohnort: Franken (bairisch besetzte Zone)

Ehrlich gesagt, verstehe ich das Problem nicht.

Du hast doch schon alles korrekt beschrieben. Exakt dem entspricht auch die Skizze von Kurt. Nur hast Du halt statt der einen Leuchte ne Parallelschaltung von zweien.

Und nun?

BID = 122692

Uwe

Gelegenheitsposter

Beiträge: 88
Wohnort: Hof/Saale

Soll es wirklich schon so weit sein

Vor dieser Schaltung sitze ich und komme zu keiner Lösung...


Uwe



BID = 122693

Uwe

Gelegenheitsposter

Beiträge: 88
Wohnort: Hof/Saale

Nachtrag: Hier soll nun eine dritte umschaltbare Lampe als alternative Lichtquelle integriert werden. Das dies bei einer Wechselschaltung mit einer Lampe kein Thema ist habe ich ja oben schon geschrieben...

...offenbar bin ich total Begriffsstutzig

etwas ratlos

Uwe

BID = 122694

sam2

Urgestein



Beiträge: 35321
Wohnort: Franken (bairisch besetzte Zone)

Das wäre aber ne Sparwechselschaltung. Die ist aber sehr selten.

Wenn Du die hättest, ginge es logischwerweise nicht ohne Adermehraufwand zwischen den beiden Verteilerdosen.

Wie ist denn die vorhandene Schaltung und verdrahtung wirklich? Bitte Skizze!

BID = 122696

Uwe

Gelegenheitsposter

Beiträge: 88
Wohnort: Hof/Saale

Die Skizze kann erst morgen folgen, da habe dann auch die Zeit und Ruhe, dass ganze nochmal aufzusplitten.

Beste Dank und Grüße aus Oberfranken

Uwe

BID = 123094

Uwe

Gelegenheitsposter

Beiträge: 88
Wohnort: Hof/Saale

Hallo guten Abend ins Forum.

Ich habe mich nun durch alle infragekommenden Dosen gequält und darf vermelden, es handelt sich um eine klassische Wechselschaltung (die Qualität der Schaltungsskizze bitte ich zu entschuldigen ). Demnach muss ich nur in der Verteilerdose 2 den Lampendraht nochmal zurück zu einem Wechselschalter führen um eine dritte Lampe zu integrieren. Sozusagen eine parallel arbeitende zweite Wechselschaltung oder?

Beste Grüße aus Oberfranken

Uwe

Hochgeladene Datei ist grösser als 300000 . Deswegen nicht hochgeladen

BID = 123096

Uwe

Gelegenheitsposter

Beiträge: 88
Wohnort: Hof/Saale

Nochmal das Bild



BID = 123115

sam2

Urgestein



Beiträge: 35321
Wohnort: Franken (bairisch besetzte Zone)

Es ist zwar keine "parallel arbeitende zweite Wechselschaltung", sondern eine in Reihe geschaltete Umschaltung, aber sonst hast Du Recht.

Frage:
Ist die Leitung zwischen der Abzweigdose 2 und dem Wechselschalter 2 wirklich nur vieradrig?
Oder gibt es da noch eine unbenutzte (blaue?) Ader?


BID = 123117

123abc

Schreibmaschine



Beiträge: 2212
Wohnort: Hamburg

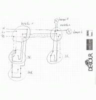
Eigendlich braucht du nur aus der Schalterdose wo der Bockpol zur Flutlichtanlage geht eine zusätzliche Ader zur A-Dose.

Verzeih mir bitte das gekrickel, aber mit der Maus klappt das Zeichnen nicht so gut.

123abc




Zurück zur Seite 0 im Unterforum          Vorheriges Thema Nächstes Thema 


Zum Ersatzteileshop


Bezeichnungen von Produkten, Abbildungen und Logos , die in diesem Forum oder im Shop verwendet werden, sind Eigentum des entsprechenden Herstellers oder Besitzers. Diese dienen lediglich zur Identifikation!
Impressum       Datenschutz       Copyright © Baldur Brock Fernsehtechnik und Versand Ersatzteile in Heilbronn Deutschland       

gerechnet auf die letzten 30 Tage haben wir 16 Beiträge im Durchschnitt pro Tag       heute wurden bisher 7 Beiträge verfasst
© x sparkkelsputz        Besucher : 188008607   Heute : 4298    Gestern : 8349    Online : 215        30.12.2025    16:06
12 Besucher in den letzten 60 Sekunden        alle 5.00 Sekunden ein neuer Besucher ---- logout ----viewtopic ---- logout ----
xcvb ycvb
0.0521199703217