Y Parameter eines Vierpols bestimmen ?

Im Unterforum Alle anderen elektronischen Probleme - Beschreibung: Was sonst nirgendwo hinpasst

Elektronik Forum Nicht eingeloggt       Einloggen       Registrieren




[Registrieren]      --     [FAQ]      --     [ Einen Link auf Ihrer Homepage zum Forum]      --     [ Themen kostenlos per RSS in ihre Homepage einbauen]      --     [Einloggen]

Suchen


Serverzeit: 28 12 2025  20:51:08      TV   VCR Aufnahme   TFT   CRT-Monitor   Netzteile   LED-FAQ   Oszilloskop-Schirmbilder            


Elektronik- und Elektroforum Forum Index   >>   Alle anderen elektronischen Probleme        Alle anderen elektronischen Probleme : Was sonst nirgendwo hinpasst


Autor
Y Parameter eines Vierpols bestimmen ?

    







BID = 434289

Muuu

Gelegenheitsposter

Beiträge: 74
Wohnort: Kärnten
ICQ Status  
 

  



Hallöchen,

Vielleicht hab ja jemand ne Ahnung davon.

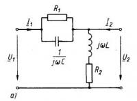
Ich soll von folgender Schaltung die Y Parameter bestimmen. Und da ist mir etwas nicht ganz klar:

\fed\mixonY_11 = (I_1/U_1) ... soweit so gut.

Als Lösung weiss ich nun: \fed \mixonY_11 = 1/R + jwc

.. Nur verdammt, wie kommt man bitte auf diese Lösung ?! .. Ich hab schon allerhand versucht, aber Strom durch Spannung so auszudrücken is mir ein Rätsel !


Vielleicht weiss jemand Rat ?! ... Vielen Dank



BID = 434299

TAB

Schriftsteller



Beiträge: 571
Wohnort: rot-grünes Irrenhaus an der Weser

 

  

Moin,

die Parallelschaltung von Widerständen ist hier schön erklärt:

http://www.elektrotechnik-fachwissen.de/index.php "Grundlagen"

Dem kapazitiven Blindwiderstand findest Du unter
"Wechselstromtechnik".

Setzt man den Blindwiderstand Xc = 1/(2pi f C) nun in die
1/Rges = 1/R1 + 1/R2 ein, weißt Du, wie man auf die Lösung kommt.

LG
TAB


BID = 434330

Muuu

Gelegenheitsposter

Beiträge: 74
Wohnort: Kärnten
ICQ Status  


Hmmm ... danke für die Antwort, aber bist du dir da auch sicher ?! ..

1.) versteh ich hier nicht was der Blindwiderstand soll und zweitens würde ich ja dann die Frequenz in der Lösung haben ...

BID = 434471

dl2jas

Inventar



Beiträge: 9913
Wohnort: Kreis Siegburg
Zur Homepage von dl2jas

Richtig, Blindanteile sind immer frequenzabhängig.

Wenn Du nur für eine Frequenz rechnen sollst oder willst, wird es natürlich einfacher. Spulen und Kondensatoren machen "blind".

DL2JAS

BID = 434519

Muuu

Gelegenheitsposter

Beiträge: 74
Wohnort: Kärnten
ICQ Status  

... vermutlich steht da dann "Widerstand" weil "Spannung durch Strom" dies auch ist ..

... am besten das ganze Posting löschen verdammt !


Zurück zur Seite 0 im Unterforum          Vorheriges Thema Nächstes Thema 


Zum Ersatzteileshop


Bezeichnungen von Produkten, Abbildungen und Logos , die in diesem Forum oder im Shop verwendet werden, sind Eigentum des entsprechenden Herstellers oder Besitzers. Diese dienen lediglich zur Identifikation!
Impressum       Datenschutz       Copyright © Baldur Brock Fernsehtechnik und Versand Ersatzteile in Heilbronn Deutschland       

gerechnet auf die letzten 30 Tage haben wir 17 Beiträge im Durchschnitt pro Tag       heute wurden bisher 7 Beiträge verfasst
© x sparkkelsputz        Besucher : 187994306   Heute : 13537    Gestern : 11123    Online : 347        28.12.2025    20:51
14 Besucher in den letzten 60 Sekunden        alle 4.29 Sekunden ein neuer Besucher ---- logout ----viewtopic ---- logout ----
xcvb ycvb
0.0339081287384