| Autor |
|
Wiedergabe von Sprachspeicher zu leise! |
|
|
|
|
BID = 172609
HamSTAR Neu hier

Beiträge: 41
|
|
hallo leute!
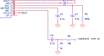
ich habe mir einen chip von ISD zugelegt, an dem ich den linken soundkartenkanal (wie auf dem bild gezeigt) angeschlossen habe. wenn ich nun auf aufnahme drücke und die entsprechenden sounds einspiele, werden diese bei der wiedergabe viel zu leise abgespielt. noch leiser als jeglicher telefonhörer. die lautstärke unter windows ist bereits auf volle pulle. wenn ich den aufnahmesound über die normalen monitorluatsprecher höre, fallen mir fast die ohren ab! wenn ich das ganze leiser einstelle wird die aufnahme so leise, das man sie fast nicht mehr hört. der verwendete lautsprecher am ISD ist ein passiver 4,5cm mit 8 ohm. es ist alles korrekt verkabelt und die bauteile sitzen auch alle korrekt. es gibt noch ne möglichkeit das ganze mit nem lm386 zu verstärken, aber dies sollte eigentlich gar nicht nötig sein. laut ISD sollte der chip-interne-verstärker bereits zimmerlautstärke erreichen! hat vielleicht auch einer von euch dieses problem gehabt? |
|
BID = 172612
chilla Schreibmaschine
    
Beiträge: 1403 Wohnort: von hier zwei mal rechts und dann zwei mal links
|
|
Zitat :
| | aber dies sollte eigentlich gar nicht nötig sein. laut ISD sollte der chip-interne-verstärker bereits zimmerlautstärke erreichen! | Wenn du meinst... Find ich jedenfalls unwahrscheinlich.
rück doch mal die genaue Typbezeichnung oder besser gleich das Datenblatt raus.
mfg CHillA
_________________
Wenn man erst einmal die Sache verstanden hat, kapiert man auch, wies im Handbuch gemeint war.
Haftungsausschluß:
Bei obigem Beitrag handelt es sich um meine private Meinung.
Rechtsansprüche dürfen aus deren Anwendung nicht abgeleitet wer |
|
BID = 172613
Her Masters Voice Inventar
     
Avatar auf fremdem Server ! Hochladen oder per Mail an Admin
Beiträge: 5312 Wohnort: irgendwo südlich von Berlin
|
was genau sagt denn das Datenblatt zur Anschaltung an Quelle und Lautsprecher? Die Verstärker in diversen Chips sind oft nicht für 8 Ohm gedacht sondern brauchen eine höhere Last (meist so um die 60 Ohm wie es die Billigkopfhörer haben). Ich hatte ein ähnliches Problem mit einer zu leisen Türklingel die auch selbstaufgenommene Signale als Klingelton wiedegeben sollte. Mit dem eingebauten LAutsprecher gings, nur war der nicht quer durchs Haus zu hören. An einem grösseren Lautsprecher mit 8 Ohm kam dann fast garnix mehr raus. Ich hab dann den originalen Lautsprecher ausgemessen und siehe da, hatte er doch so um die 50 Ohm. Ich habs dann einfach verstärkt, das passende IC gabs bei Pollin für 25 Cent.
Ach ja, überdenk doch auch mal deinen Eingangsspannungsteiler ob der so gewollt und sinnvoll ist. Wie gesagt sollte das Datenblatt da weiterhelfen können
_________________
Tschüüüüüüüs
Her Masters Voice
aka
Frank
***********************************
Der optimale Arbeitspunkt stellt sich bei minimaler Rauchentwicklung ein...
***********************************
[ Diese Nachricht wurde geändert von: Her Masters Voice am 12 Mär 2005 12:09 ]
|
BID = 172616
HamSTAR Neu hier

Beiträge: 41
|
|
BID = 172620
HamSTAR Neu hier

Beiträge: 41
|
also im "original" soll ein 16 ohm lautsprecher angeschlossen werden. in der guten alten BRD bekommt man sowas aber selten. also nehme ich den mit 8 ohm. im apin06.pdf wird ein 8 ohm lautsprecher mit dem lm386 "angesteuert". vielleicht geht das wirklich nur so ?!
|
BID = 172810
Her Masters Voice Inventar
     
Avatar auf fremdem Server ! Hochladen oder per Mail an Admin
Beiträge: 5312 Wohnort: irgendwo südlich von Berlin
|
so wirds sein. Diese integrierten winzig Endstufen können eben nicht viel Strom ab und deshalb wird mit höheren Widerständen gearbeitet
_________________
Tschüüüüüüüs
Her Masters Voice
aka
Frank
***********************************
Der optimale Arbeitspunkt stellt sich bei minimaler Rauchentwicklung ein...
***********************************
|
BID = 173014
HamSTAR Neu hier

Beiträge: 41
|
na dann werd ich mir mal die verstärker-ics bestellen. danke für die antwort! 
|