Verstärkerschaltung für MW auch für TV? Im Unterforum Alle anderen elektronischen Probleme - Beschreibung: Was sonst nirgendwo hinpasst
| Autor |
|
|
|
BID = 144234
Rahmenantenne Schriftsteller
    
Beiträge: 552 Wohnort: Kiel
|
|
Hallo,
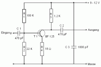
nach der Anleitung aus einem Buch für MW-Empfang habe ich vor einigen Jahren eine Rahmenantenne gebaut. Dazu gehörte auch ein kleiner Verstärker, der mit dieser Antenne auch tadellos funktioniert. Ein Kumpel meinte, das ich diese Schaltung auch als Antennenverstärker fürs TV nehmen kann - ich habe ihn die Schaltung auch gegeben, da er auch noch einen braucht. Und ich auch! Also hab ich das Ding noch mal aufgebaut:
Den Transistor BF 125 gibts hier aber nicht mehr; als Ersatztyp wurde mir laut Liste ein BF 199 verkauft.
Allerdings funktioniert die Schaltung bei TV nicht. Ohne Betriebsspannung ist zwar ein Bild da, aber es ist total verrauscht (ist ja noch normal). Wenn ich die Spannung anlege, wird das Bild etwas besser, es ist aber trotzdem nicht doll und erreicht nicht die Qualität ohne Verstärker dazwischen!
Wo liegt hier der Fehler? Meine Vermutung ist, das die zu verstärkende Frequenz schon mal eine andere ist als bei MW (500 - 1600 KHz), TV liegt aber im MHz-Bereich!
Mein Kumpel meinte, das ist eine einfache Verstärkerschaltung und die muß auf jeden Fall funktionieren, auch mit TV! Wahrscheinlicher wäre, das ich beim Aufbau der Schaltung einen Fehler gemacht habe. Ich kann aber nichts finden. Er hat die Schaltung allerdings mal mit einer Software simuliert und festgestellt, das der Sinus ganz schön verbogen wird. Der Widerstand R 1 müßte statt 100 K etwa 47 K haben; dann ist es erheblich besser! Das kann ich auch nochmal probieren - damit würde dann der Arbeitspunkt des Transistors höher gelegt.
Bevor ich jetzt wieder auf der Platine herumbrate, ist es erstmal gut zu wissen, ob diese Schaltung überhaupt als TV-Antennenverstärker geeignet ist. Wenn nicht muß ich mir eben eine andere besorgen - gibts ja z. B. bei Conrad als Bausatz (Alugehäuse dafür hab ich schon fertig).
Schöne Grüsse
[ Diese Nachricht wurde geändert von: Rahmenantenne am 31 Dez 2004 0:30 ] |
|
BID = 144237
Bernddi Schriftsteller
    
Beiträge: 530 Wohnort: Waldheim
|
|
Hallo zuerstmal
Also diese schaltung wird nie als tv Verstärker funktionieren !!!
Grund sind parasitäre kapazitäten und parasitäre induktivitäten!
zum nächsten ist die Transitfrequenz des transistors wahrscheinlich zu gering .
im unterem VHF band so bei 40 mhz könnte es noch so gehen aber im uhf band mit rund 600 mhz gehts 100% tig so nicht mehr !!!
grund Bernddi |
|
BID = 144249
Rahmenantenne Schriftsteller
    
Beiträge: 552 Wohnort: Kiel
|
Hallo,
ja, dann hätten wir das Problem! Also doch die Frequenz. Bei VHF (ARD) gings noch, aber bei UHF (ZDF, Kanal 35) wars ne Katastrophe; ohne Verstärker tausendmal besser das Bild...
Dann werde ich doch auf eine kleine aber dafür vorgesehene Schaltung (von Conrad) zurückgreifen. Die vorhandene Schaltung werde ich aber in ein Minigehäuse als MW-Verstärker einbauen. Kann man immer mal gebrauchen (wegschmeissen tu ich sowas nicht).
Schöne Grüsse
|
|
Zum Ersatzteileshop
Bezeichnungen von Produkten, Abbildungen und Logos , die in diesem Forum oder im Shop verwendet werden, sind Eigentum des entsprechenden Herstellers oder Besitzers. Diese dienen lediglich zur Identifikation!
Impressum
Datenschutz
Copyright © Baldur Brock Fernsehtechnik und Versand Ersatzteile in Heilbronn Deutschland
gerechnet auf die letzten 30 Tage haben wir 9 Beiträge im Durchschnitt pro Tag heute wurden bisher 24 Beiträge verfasst © x sparkkelsputz Besucher : 191179987 Heute : 29935 Gestern : 29142 Online : 497 13.4.2026 20:32 24 Besucher in den letzten 60 Sekunden alle 2.50 Sekunden ein neuer Besucher ---- logout ----viewtopic ---- logout ----
|
xcvb
ycvb
0.0176749229431
|