| Autor |
|
Verstärkerbausatz an Radiobausatz --> Stille |
|
|
|
|
BID = 404600
austin2powers Gelegenheitsposter
 
Beiträge: 59
|
|
Hallo zusammen,
haben hier einen zur Verfügung gestellten Radio-Bausatz, der soweit funktioniert, d.h. ein 8-ohmiges Lautsprecherchassis wird dezent befeuert.
Haben jetzt von Conrad einen Verstärker-Bausatz (40W RMS glaub ich) dazugekauft.
Die Fakten:
- Der Radio-Bausatz reicht aus, um den 8-ohm-Lautsprecher bis Zimmerlautstärke anzutreiben.
- Der Verstärker wird von normalen Cinch-Signalen (CD-Player, Laptop) ausreichend versorgt, um ebenfalls das 8-ohmige Chassis laut (!) zu befeuern.
Problem:
Hängen wir den Verstärker an den Radio-Bausatz, herrscht Stille am Verstärkerausgang!
Eigentlich dachte ich, dass der Verstärker eine weitaus höhere Eingangimpedanz hat als es der Lautsprecher darstellt und es somit kein Problem für das Radio sein dürfte, den Verstärker anzusprechen statt eines Lautsprechers.
Übersteuert haben wir den Verstärker allerdings auch nicht, wir haben von Null sukzessive hochgeregelt.
Hat jemand 'ne Idee, wo unser Fehler liegt?
Vielen Dank im Voraus.
Henning |
|
BID = 404603
Mr.Ed Moderator
      
Beiträge: 36326 Wohnort: Recklinghausen
|
|
Da die Kristallkugel defekt ist wäre es wohl hilfreich wenn du mal die Schaltbilder hochladen könntest.
_________________
-=MR.ED=-
Anfragen bitte ins Forum, nicht per PM, Mail ICQ o.ä. So haben alle was davon und alle können helfen. Entsprechende Anfragen werden ignoriert.
Für Schäden und Folgeschäden an Geräten und/oder Personen übernehme ich keine Haftung.
Die Sicherheits- sowie die VDE Vorschriften sind zu beachten, im Zweifelsfalle grundsätzlich einen Fachmann fragen bzw. die Arbeiten von einer Fachfirma ausführen lassen. |
|
BID = 404622
austin2powers Gelegenheitsposter
 
Beiträge: 59
|
Danke für die fixe Antwort.
Habe auf bekannte Ursachen aus Eurer Erfahrung gesetzt, daher erstmal ohne Schaltplan.
Hier sind sie, Danke schon mal im Voraus.
|
BID = 404625
Mr.Ed Moderator
      
Beiträge: 36326 Wohnort: Recklinghausen
|
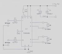
Wo greifst du denn die NF zum Verstärker ab?
Welche ICs sind in dem Radio, ich denke mal ein TDA7000, oder?
Greif die NF mal am Pin3 vom IC3 bzw am Potischleifer ab. Den mit IC3 aufgebauten Verstärker brauchst du nicht wenn du da eine weitere Endstufe dranhängst.
_________________
-=MR.ED=-
Anfragen bitte ins Forum, nicht per PM, Mail ICQ o.ä. So haben alle was davon und alle können helfen. Entsprechende Anfragen werden ignoriert.
Für Schäden und Folgeschäden an Geräten und/oder Personen übernehme ich keine Haftung.
Die Sicherheits- sowie die VDE Vorschriften sind zu beachten, im Zweifelsfalle grundsätzlich einen Fachmann fragen bzw. die Arbeiten von einer Fachfirma ausführen lassen.
[ Diese Nachricht wurde geändert von: Mr.Ed am 5 Feb 2007 22:21 ]
|
BID = 404629
Otiffany Urgestein
     
Beiträge: 13779 Wohnort: 37081 Göttingen
|
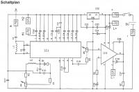
Der Schaltplan vom Verstärker ist unvollständig.
Da das Teil aber laut deiner Aussage wohl funktioniert, liegt der Fehler wohl nur im Plan.
Ja, ich würde auch gern wissen, wo Du beim Empfänger den Lautsprecher anschließt; an "L+" u. "L-"?
Gruß
Peter
|
BID = 404632
austin2powers Gelegenheitsposter
 
Beiträge: 59
|
Habe auch gerade gemerkt, dass die Radio-IC-Angabe fehlt, es ist wirklich ein TDA 7000, der OP ist ein TBA820 M, Entschuldigt bitte.
Und richtig, das NF-Signal haben wir an den Standardausgängen des Radios abgegriffen, also im Plan "L+", "L-".
Der Vorschlag wird sofort getestet, Moment.
|
BID = 404639
austin2powers Gelegenheitsposter
 
Beiträge: 59
|
Ihr seid ja Goldjungs!
Jetzt funktionierts (Pin 3 am OP gegen Masse) zum großen Teil, Lautstärke ist noch nicht ausgereizt würde ich sagen, aber vielen Dank.
Ich verstehe nicht, warum es das unverstärkte Signal sein muss, ist die Ausgangsimpedanz des OP zu hoch? Das verstärkte Signal müsste doch dann wenigstens ein übersteuertes Geschreie verursachen und nicht totale Stille wie in unserem Fall?
viele Grüße
Henning
|
BID = 404640
sam2 Urgestein
     
Beiträge: 35321 Wohnort: Franken (bairisch besetzte Zone)
|
Versorgt Ihr womöglich Quelle und Verstärker aus Spannungsversogung mit gemeinsamer Masse?
|
BID = 404642
Mr.Ed Moderator
      
Beiträge: 36326 Wohnort: Recklinghausen
|
Die Stille dürfte wohl an der sehr ungewöhnlichen Verstärkerschaltung des Radios liegen.
L+ liegt auf der vollen Betriebsspannung während L- der eigentliche Verstärkerausgang ist.
_________________
-=MR.ED=-
Anfragen bitte ins Forum, nicht per PM, Mail ICQ o.ä. So haben alle was davon und alle können helfen. Entsprechende Anfragen werden ignoriert.
Für Schäden und Folgeschäden an Geräten und/oder Personen übernehme ich keine Haftung.
Die Sicherheits- sowie die VDE Vorschriften sind zu beachten, im Zweifelsfalle grundsätzlich einen Fachmann fragen bzw. die Arbeiten von einer Fachfirma ausführen lassen.
|
BID = 404647
austin2powers Gelegenheitsposter
 
Beiträge: 59
|
Zitat :
Mr.Ed hat am 5 Feb 2007 22:51 geschrieben :
|
Die Stille dürfte wohl an der sehr ungewöhnlichen Verstärkerschaltung des Radios liegen.
L+ liegt auf der vollen Betriebsspannung während L- der eigentliche Verstärkerausgang ist.
|
Warum lässt sich ein Chassis damit betreiben, aber kein weiterer Verstärker? Und wie können wir uns die Verstärkerschaltung des Radios zunutze machen?
Momentan (also vor dem OP abgegriffen und auf den 2x40W-Verstärker gehend) ist nämlich der Pegel noch zu niedrig, minimal höher als die reine Radioendstufe.
Zitat :
sam2 hat am 5 Feb 2007 22:51 geschrieben :
|
Versorgt Ihr womöglich Quelle und Verstärker aus Spannungsversogung mit gemeinsamer Masse?
|
Spannungsversorgungen waren bisher getrennt, aber Laptop z.B. konnte den Verstärker auch mit getrennter Masse befeuern, was tut das zur Sache? Bin da unwissend, nur düster ahnend.
|
BID = 404658
Mr.Ed Moderator
      
Beiträge: 36326 Wohnort: Recklinghausen
|
Einem Lautsprecher ist das egal, der hat keine Verbindung zur Masse.
Ein Nachfolgender Verstärke rhat die aber und schließt somit den kleinen Verstärker kurz. Die Gleichspannung am Ausgang sorg darüberhinaus dafür das da außer einem lauten Plopp beim einschalten nichts kommt.
Ohne die Schaltung zu ändern kannst du den Verstärker des Radios überhaupt nicht nutzen. Hier dir Schaltung aus dem Datenblatt: http://www.janson-soft.de/amateurfunk/tba820m/tba820m.htm
Nimm den kleinen Verstärker mal komplett raus, also direkt vom Potischleifer zu deinem 40W Verstärker. Der Ausgangspegel des TDA7000 müßte hoch genug sein, ist R5 weit genug aufgedreht?
BTW: Der 40W Verstärker hat keine 40W, zumindestens nicht mehr an 8 Ohm.
_________________
-=MR.ED=-
Anfragen bitte ins Forum, nicht per PM, Mail ICQ o.ä. So haben alle was davon und alle können helfen. Entsprechende Anfragen werden ignoriert.
Für Schäden und Folgeschäden an Geräten und/oder Personen übernehme ich keine Haftung.
Die Sicherheits- sowie die VDE Vorschriften sind zu beachten, im Zweifelsfalle grundsätzlich einen Fachmann fragen bzw. die Arbeiten von einer Fachfirma ausführen lassen.
|
BID = 404662
austin2powers Gelegenheitsposter
 
Beiträge: 59
|
Das ist das Problem, wir haben R5 quasi auf 0R runtergedreht (auch zur Kontrolle vorher abgegriffen), aber die Signalstärke reicht bei weitem nicht aus, um den Verstärker annähernd auszureizen!
Mit getrennten Massen sollte es demnach also theoretisch gehen? (Hatten wir zu Anfang so aufgebaut)
(Dass die 2x40W nur kurz vor dem Verglühen des Verstärker-ICs für einige wenige µSec realistisch sind, habe ich mir gedacht..)
|
BID = 404758
Dombrowski Stammposter
   
Beiträge: 450
|
Moin.
Setz eine Verstärkerstufe dazwischen mit 5..10-facher Verstärkung. Z.B. Conrad 195359, oder was für Bauelemente hast du grad rumliegen? OPVs?
Vom TDA7000-Ausgang auf diese Verstärkerstufe, kein Poti dazwischen. Hinter der Zusatzstufe ein 5kOhm-log Poti als Pegelsteller und dann über zwei 1kOhm-Widerstände auf die beiden Stereo-Eingänge des Endverstärkers. Und die Massen müssen natürlich verbunden werden.
40 W trifft zu für 2 Ohm Last, als Dauerleistung. An 8 Ohm sind es - bei gleichen Ein-/Ausgangspegeln - nur 1/4 davon, also 10 W. Da der Strom bei 8 Ohm Last geringer ist, kann man die Endstufe etwas weiter aussteuern, bevor sich der gleiche Klirrfaktor ergibt. (Die 40 W gelten für 10 % Klirrfaktor.) Im Endeffekt werden es vielleicht 15..18 W werden.
Ganz ohne Verbindung zwischen L+ u. L- wird der TBA820 wahrscheinlich nicht arbeiten. Ihr hättet dort jedenfalls einen Ersatzwiderstand statt des Lautsprechers hinsetzen sollen. Aber als Zwischenverstärker ist der TBA820 unpassend. Weil er Leistungsverstärkung macht, obwohl nur Spannungsverstärkung gebraucht wird.
D.
[ Diese Nachricht wurde geändert von: Dombrowski am 6 Feb 2007 14:06 ]
|