| Autor |
|
TAS5630B Audioverstärkerproblem |
|
|
|
|
BID = 967275
steckdoose Gerade angekommen
Beiträge: 6
|
|
Liebe Forenmitglieder,
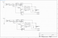
Ich habe mir eine Platine mit dem Verstärkerbaustein TAS5630B gebaut.
Der Verstärker funktioniert grundsätzlich, nur habe ich trotzdem noch 2
Probleme, die gelöst werden sollten.
Problem Nr1:
Ich habe den Verstärker im BTL Modus stereo an 4 Ohm Lautsprechern
aufgebaut.
Versorgt wird er mit 50V.
Wenn ich am Eingang des Verstärkers nun ein Audiosignal anlege,
verstärkt der Baustein das Signal ganz gut und er funktioniert auch
beinahe wie gewünscht. Normalerweise sollte die Ausgangsleistung 600W
betragen. Jedoch versorge ich den AMP momentan mit meinem Labornetzgerät
und er zieht bei 50V maximal 300mA Strom. Woran kann das liegen ? Die
Musik, die aus den Lautsprechern kommt ist schon sehr laut, hört sich
jedoch nicht nach 300W an und die Leistungsaufnahme des IC's spricht
auch nicht dafür, dass die Endstufe mit 2 x 300W verstärkt.
Nun meine Frage: Muss ich das Eingangssignal im vorhinein noch
verstärken bevor ich es an die Endstufe anlege ? Momentan nehme ich
direkt das Signal von einer Klinkenbuchse (ca. 1V sp).
Problem Nr2:
Der Verstärker funktioniert mit voller Lautstärke ca. 15 min lange. Dann
geht die LED, die das Übersteuern anzeigt (clip) an und der
Ausgangspegel, der an den Lautsprechern anliegt bekommt einen Offset
(ist am Oszi ersichtlich), wodurch die Membranen des Lautsprechers
herausgedrückt werden.
Damit verzerrt sich nach einigen weiteren Minuten die Musik und es hört
sich grässlich an. Dabei steigt der aufgenommene Strom des Verstärkers
außerdem stark an und die Lautsprecher würden zerstört werden, wenn ich
dann nicht ausschalte.
Dieses Phänomen kann meiner Meinung nichts mit Temperatur zu tun haben,
denn wenn ich den Kühlkörper entferne tritt das Problem nicht sofort
auf, sondern es geht die Übertemperatur LED an. Dann muss ich den
Verstärker aufgrund dessen ausschalten.
Damit der Verstärker wieder funktioniert, muss man etwa eine Stunde im
ausgeschalteten Zustand warten. Schaltet man ihn dann wieder ein,
funktioniert er wieder für etwa 15 Minuten.
Woran kann das liegen ?
Das einzige was ziemlich warm wird, sind die Filter-spulen am Ausgang
des AMP aber wenn diese abgekühlt sind, funktioniert er trotzdem nicht
einwandfrei, sondern es muss noch einige Zeit gewartet werden.
Ich hoffe, ihr könnt mir eventuell bei dem Problem helfen. Ich würde
mich sehr darüber freuen. Ich weiß einfach nicht mehr weiter
Mit freundlichen Grüßen,
Florian
Hochgeladene Datei (9299927) ist grösser als 300 KB . Deswegen nicht hochgeladen
|
|
BID = 967277
123abc Schreibmaschine
    
Beiträge: 2216 Wohnort: Hamburg
|
|
Ich bin zwar ein totaler _ was Elektronik betrifft, aber ich habe so meine zweifel das ein solcher Chip diese Leistung haben kann.
Ich vermute mal das die Leistung PMPO ist. |
|
BID = 967278
Kleinspannung Urgestein
     
Beiträge: 13393 Wohnort: Tal der Ahnungslosen
|
Zitat :
steckdoose hat am 10 Aug 2015 18:31 geschrieben :
|
Versorgt wird er mit 50V.
|
Aber die 12V VDD hast schon korrekt erzeugt und angelegt??
_________________
Manche Männer bemühen sich lebenslang, das Wesen einer Frau zu verstehen. Andere befassen sich mit weniger schwierigen Dingen z.B. der Relativitätstheorie.
(Albert Einstein)
|
BID = 967279
steckdoose Gerade angekommen
Beiträge: 6
|
Danke für deine schnelle Antwort
Leider Irrst du diech. Dies ist ein Class-D Verstärker mit geschätzten 88 bis 90% Wirkungsgrad. Damit ist es möglich, diese hohe Verstärkung zu erzielen
10% Verluste bei 600W sind 60W. Ein Computerprozessor hat um die 90W Verluste. Also ist dies sehr wohl möglich
mfg, Florian
|
BID = 967280
steckdoose Gerade angekommen
Beiträge: 6
|
Jap die 50V werden auf 16V mittels Step down heruntergetaktet und dann mit einem LM317 auf 12V gebracht
|
BID = 967292
der mit den kurzen Armen Urgestein
     
Beiträge: 17437
|
nur mal zum Nachdenken 50V *3 A sind immer noch 150 VA. Bei dir sind das Ganze 15 W  Deine 600W würden bei 50 V ca 12A zur Folge haben. Die Drosseln am Ausgang des Verstärkers sind da auch nicht aus Blödheit drin und die sollten auch die 12 A und mehr vertragen ohne Heiß zu werden.
_________________
Tippfehler sind vom Umtausch ausgeschlossen.
Arbeiten an Verteilern gehören in fachkundige Hände!
Sei Dir immer bewusst, dass von Deiner Arbeit das Leben und die Gesundheit anderer abhängen!
|
BID = 967300
steckdoose Gerade angekommen
Beiträge: 6
|
Wie kommst du auf 3A ?
Ich habe ein Netzteil für den Späteren Betrieb mit 50V und 12A Belastbarkeit
Und die Spulen sind natürlich stark genug dimensioniert ich dachte nur, dass sie vielleicht am Funktionsausfall nach 15 Minuten schuld sein könnten, weil sie die einzigen Bauteile sind, die warm werden.
|
BID = 967301
der mit den kurzen Armen Urgestein
     
Beiträge: 17437
|
Prüf doch mal nach ob dein Verstärker nicht zufälligerweise im HF-Bereich schwingt!
Du hast den Zusatz 15 W übersehen
_________________
Tippfehler sind vom Umtausch ausgeschlossen.
Arbeiten an Verteilern gehören in fachkundige Hände!
Sei Dir immer bewusst, dass von Deiner Arbeit das Leben und die Gesundheit anderer abhängen!
|
BID = 967332
dl2jas Inventar
     
Beiträge: 9913 Wohnort: Kreis Siegburg
|
Naja, wenn Spulen heiß werden, dürfte da ganz gut Hochfrequenzenergie herumflitzen.
DL2JAS
_________________
mir haben lehrer den unterschied zwischen groß und kleinschreibung und die bedeutung der interpunktion zb punkt und komma beigebracht die das lesen eines textes gerade wenn er komplizierter ist und mehrere verschachtelungen enthält wesentlich erleichtert
|
BID = 967368
steckdoose Gerade angekommen
Beiträge: 6
|
Nein, Schwingen tut nix,
Ich vermute momentan, dass ich die Eingangskondensatoren verkehrt rum eingelötet habe
|
BID = 967378
steckdoose Gerade angekommen
Beiträge: 6
|
Ich habe das Problem gelöst  Die Eingangselkos waren verkehrt gepolt die in Serie zum Eingangssignal eingelötet sind.
Nun ist der Offset weg und der Verstärker funktioniert wie gewünscht
Nun habe ich nur noch die Frage zur Leistung.
Momentan hat mein Eingangssignal eine Amplitude von 400mVss. Das Ausgangssignal eine Spannung von 15Vss.
Das entspricht einer Verstärkung von 37,5. Dies ist aber die Gesamtverstärkung vom Eingangsanalogsignal bis zum Auskang inklusive OPA1632 und TAS5630b.
Wie stark muss ich die Verstärkung der beiden Operationsverstärkung am Eingang erhöhen, damit der Verstärker voll aussteuert (600W)?
normalerweise muss ich sie auf 125 erhöhen.
Und wie ändere ich die Verstärkung der OPA1632 Verstärker ?
Sie arbeiten ja nicht wie ein normaler invertierender OPV oder ?
Ich bin euch wirklich für eure Hilfe Dankbar und freue mich, dass ihr mir so motiviert helft
|