| Autor |
|
|
|
BID = 1099655
Andreas G. Schriftsteller
    
Beiträge: 520 Wohnort: Donnbronn
|
|
Hallo an alle,
ich habe ein Geko Notstromaggregat bekommen , älteres Modell ohne Inverter mit 2,5KW.
Nun ist meine Frage, kann man daran moderne Kühlschränke betrieben ? Diese haben ja inzwischen auch elektronische Steuerungen.
In der Anleitung von Agregat steht „ Die Leerlauf-
spannung der Stromerzeuger liegt bei max. 253 V . Die Spannung darf bei Nennlast nicht unter 207 V liegen.
Achtung: Verbraucher, die gegen Über- und/oder Unterspannung empfindlich sind können bei Betrieb an Stromerzeugern Schaden erleiden !“
Gemessen hab ich im Leerlauf 238V.
Eine Spannungsregelung ist wohl verbaut.
Grüße Andi
_________________
Rock 'n' roll is here to stay, it will never die |
|
BID = 1099656
winnman Schreibmaschine
    
Beiträge: 1687 Wohnort: Salzburg
|
|
sollte funktionieren.
Netz Nennspannung ist 230 +-10%
Jezt rechne dir mal selbst aus in welchem Bereich die liegen kann und da müssen alle Geräte einwandfrei funktionieren, selbst bei +-15% darf eigentlich noch nichts passieren.
Wenn die Spannung kurz das Nennfeld verlässt darf auch noch nichts passieren.
Wenn man Minutenlang mit 170V oder 260V arbeitet, dann wird es langsam kritisch.
Auch Spannungsspitzen durch Schaltungen, . . . liegen deutlich über den +-10%
Wenn das Gerät da kaputtgeht, dann hatte es meist schon eine Vorschädigung (defekte Elkos sind hier heute meist die Ursache) |
|
BID = 1099661
Andreas G. Schriftsteller
    
Beiträge: 520 Wohnort: Donnbronn
|
Hi, ok, und wie würde es aussehen wenn ich parallel dazu einen Fernseher anschließe ? Angenommen dieser läuft und der Kühlschrank schaltet den Kompressor ja immer an und aus, können diese Spannungsspitzen etwas anrichten ? Falls ja was kann man dagegen tun ?
_________________
Rock 'n' roll is here to stay, it will never die
|
BID = 1099664
Mr.Ed Moderator
      
Beiträge: 36336 Wohnort: Recklinghausen
|
Definiere Fernseher. Zwischen 19" mit externem Netzteil das von 100 - 250V läuft oder einem 55" Plasma liegen Welten in der Stromaufnahme.
_________________
-=MR.ED=-
Anfragen bitte ins Forum, nicht per PM, Mail ICQ o.ä. So haben alle was davon und alle können helfen. Entsprechende Anfragen werden ignoriert.
Für Schäden und Folgeschäden an Geräten und/oder Personen übernehme ich keine Haftung.
Die Sicherheits- sowie die VDE Vorschriften sind zu beachten, im Zweifelsfalle grundsätzlich einen Fachmann fragen bzw. die Arbeiten von einer Fachfirma ausführen lassen.
|
BID = 1099670
Andreas G. Schriftsteller
    
Beiträge: 520 Wohnort: Donnbronn
|
Hi, das heißt ein 10 Jahre alter Samsung 40zoll LCD TV ging nicht ? Wie sieht es mit den Röhren TVs der 90er aus ? Beide liegen bei 100-150Watt, das dürfte das Problem nicht sein, eher die Spannungsspitzen oder Schwankungen oder ?
_________________
Rock 'n' roll is here to stay, it will never die
|
BID = 1099671
Mr.Ed Moderator
      
Beiträge: 36336 Wohnort: Recklinghausen
|
Definiere Fernseher...
Der Plasma wird die 150W schon bei schwarzem Bild brauchen, der LCD bei weißem Bild und 100% Helligkeit. Der Röhrenfernseher möchte aber auch eingeschaltewt werden und braucht beim entmagnetisieren deutlich mehr als 150W. Mir ist eine 1000VA USV beim einschalten eines 19" Monitors abgeraucht. Beim einschalten würgt der dir also u.U. den Generator ab. Ich würde da dann den 40" LCD bevorzugen.
_________________
-=MR.ED=-
Anfragen bitte ins Forum, nicht per PM, Mail ICQ o.ä. So haben alle was davon und alle können helfen. Entsprechende Anfragen werden ignoriert.
Für Schäden und Folgeschäden an Geräten und/oder Personen übernehme ich keine Haftung.
Die Sicherheits- sowie die VDE Vorschriften sind zu beachten, im Zweifelsfalle grundsätzlich einen Fachmann fragen bzw. die Arbeiten von einer Fachfirma ausführen lassen.
[ Diese Nachricht wurde geändert von: Mr.Ed am 15 Jul 2022 12:46 ]
|
BID = 1099672
perl Ehrenmitglied
       
Beiträge: 11110,1 Wohnort: Rheinbach
|
Zitat :
| | Gemessen hab ich im Leerlauf 238V. |
Aber nicht, wie hoch die Spannungsspitze beim Abschalten einer grossen Last wird.
Das ist auch nicht ganz einfach zu messen, und die Hersteller schweigen wohl meist zu diesem Thema.
|
BID = 1099698
winnman Schreibmaschine
    
Beiträge: 1687 Wohnort: Salzburg
|
So extrem werden die Spitzen nicht werden.
Das müssen die Geräte abkönnen, auch im Netzbetrieb!
Wie schon geschrieben kann trotzdem was kaputt gehen, das hatte dann aber meist schon eine Vorschädigung.
|
BID = 1099729
Andreas G. Schriftsteller
    
Beiträge: 520 Wohnort: Donnbronn
|
Hi, danke an alle für die Antworten, gut dann schließ ich im Notfall nur den Kühl und Gefrierschrank an, das mit TV ist mir etwas zu heiss
. Grüße Andi
_________________
Rock 'n' roll is here to stay, it will never die
|
BID = 1101205
Andreas G. Schriftsteller
    
Beiträge: 520 Wohnort: Donnbronn
|
Hi nochmal, ich hab heute mal mit meinem Multimeter Spannung und Frequenz gemessen. Spannung passt mit 230V, jedoch hab ich ca 800Hz gemessen ? Das kann ja irgendwie gar nicht sein, sonst müsste der Motor ja 50.000 Umdrehungen drehen. Habt ihr hierfür eine Erklärung ?
_________________
Rock 'n' roll is here to stay, it will never die
|
BID = 1101209
Verlöter Schreibmaschine
    
Beiträge: 1658 Wohnort: Frankfurt am Main
|
Das werden Oberwellen sein die den 50 Hz überlagert sind. Schau es Dir mal mit einem Oszilloskop an.
|
BID = 1101211
winnman Schreibmaschine
    
Beiträge: 1687 Wohnort: Salzburg
|
Schließ mal einen 1000W Heizer oder Halogenstrahler an und miss dann nochmal
|
BID = 1101213
Corradodriver Schreibmaschine
    
Beiträge: 1142
|
Also ich hab das Thema durch. Hab mit meinem 700W-Moppel ohne Inverter bei Stromausfall eingespeißt, und somit Beleuchtung, Kühlschrank und Heizung betrieben.
Ich gebe zu, ein 700W-Moppel ist dafür eine denkbar kleine Lösung. Da die Leistungsaufnahme aber nur bei <500W lag, hats rechnerisch gepasst. Das Problem war der Anlauf-/Abschaltstrom der Kühlschränke.
Diese haben wohl dafür gesort, das solche Über-/Unterspannungen aufgetreten sind, das die Elektronik meiner Heizung gegrillt wurde. Waren damals knapp 600,-€ Reparaturkosten für 3h Stromausfall.
Ich für meinen Teil habe draus gelernt. Heizung läuft jetzt über ne USV. Da ist ein Inverter drin, dem sind Spannungsspitzen i.d.R. egal.
_________________
MFG Andy
|
BID = 1106339
Krake11 Gerade angekommen
Beiträge: 1
|
Hallo miteinander,
das Problem mit den Stromausfall ist ja mittlerweile in aller Munde. Damit auch die Frage der brauchbarkeit verschiedener Stromerzeuger.
Für empfindliche Elekrtonische Verbraucher sind Generatoren mit Invertertechnologie die erste Wahl! Diese erzeugen aber nur Einphasenwechselstrom.
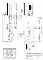
Ich selber habe einen 2000W Moppel aus dem billigsegment, der ist eigentlich nur für Ohmsche Lasten und unepfindliche Elektrowerkzeuge geeignet, der Strom und Spannungsverlauf hat fast nix mit einer Sinuswelle zu tun. Die Erregung findet da ohne Schleifringe und AVR statt. Da wird mit einer Hilfswickung im Stator mit Kondesator, und einer Erregerwicklung mit Diode im Läufer die Erregeung vorgenommen. Im Anhgang mal eine Beispielschaltung wie das Innenleben in etwa aussehen könnte.
Beim Test im Feld habe ich feststellen müssen das die steilen anstiege starke Oberwellen erzeugen die sich auch als Funkstörungen auf Kurzwelle bemerkbar machen, einige Tests mit verschiedenen Netzfiltern hat bei einer aufwändigen Variante zu 100% zum erfolg gefüht. Das Netzteil war ein Robustes Trafonetzteil was den Gerät nichts anhaben konnte.
Mein Gedanke ist es zu versuchen einen Paralelschwingkreis (eine große Drossel + C mit einer Resonanzfrequenz von 50Hz) zu bauen um die Strom und Spannungsverläufe etwas mehr an die Sinuskurve anzugleichen.
In Abhängigkeit von verschiedenen Arten von Lasten wäre das Resultat interessant.
Hat sich schon mal jemand verucht mit dem Problem theoretisch und eventuell auch praktisch auseinanderzusetzen?
Gruß, Krake11
|
BID = 1106353
Mr.Ed Moderator
      
Beiträge: 36336 Wohnort: Recklinghausen
|
Bitte eröffne einen neuen Thread für deinen Gedanken.
Mit dem hier behandelten Gerät Geko hat das doch nicht viel zu tun und es ist äußerst unhöflich einen fremden Thread einfach zu kapern.
_________________
-=MR.ED=-
Anfragen bitte ins Forum, nicht per PM, Mail ICQ o.ä. So haben alle was davon und alle können helfen. Entsprechende Anfragen werden ignoriert.
Für Schäden und Folgeschäden an Geräten und/oder Personen übernehme ich keine Haftung.
Die Sicherheits- sowie die VDE Vorschriften sind zu beachten, im Zweifelsfalle grundsätzlich einen Fachmann fragen bzw. die Arbeiten von einer Fachfirma ausführen lassen.
|