| Autor |
|
Spannungsnulldurchgang wird nicht richtig erkannt |
|
|
|
|
BID = 377916
strohmas Gelegenheitsposter
  Beiträge: 66 Wohnort: Dresden
|
|
Hallo,
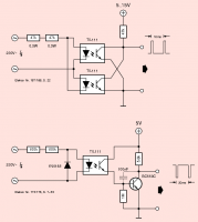
ich habe die Spannungsnulldurchgangserkennung, welche sich auf dieser befindet nachgebaut:
Keine Links zu Werbeschleudern - Um die Grafik passend zu verkleinern > paint verwenden! - imageshack.us
Weiss jemand von euch an was es liegen kann, die Diode und den Optokoppler habe ich schon gewechselt.
Gruss strohmas
[ Diese Nachricht wurde geändert von: strohmas am 15 Okt 2006 14:50 ] |
|
BID = 377941
Dombrowski Stammposter
   
Beiträge: 450
|
|
Moin.
Wenn Umpolen des Netzsteckers Auswirkungen hat...., zeigst du am besten einen Gesamtplan deines Aufbaus: wo es Verbindungen zum PE/Schutzleiter und auch zu L1 u. N gibt. Alles berücksichtigen, auch z.B. Netzfilter.
Die Schaltung zur Nulldurchgangserkennung selber ist im Prinzip bekannt und in Ordnung.
D. |
|
BID = 377973
strohmas Gelegenheitsposter
  Beiträge: 66 Wohnort: Dresden
|
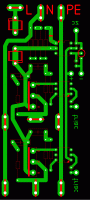
So sieht die Leiterplatte aus, wo alles drauf ist, das ist gleich ne Kombination aus Triacschaltung und Nulldurchgangserkennung, bis jetzt habe ich bloß eine Triacschaltung eingelötet.
gruss strohmas
_________________
|
BID = 377995
Onra Schreibmaschine
    
Beiträge: 2520
|
Hallo,
du hast da eine sehr eigenwillige Leitungsführung mit zu geringen Abständen. Hast du die ZC auch auf diesem Print aufgebaut? Probier mal ohne PE, vielleicht koppelt der ein.
Und die Abstände der netzspannungsführenden Leiterbahnen müssen vergrössert werden! Stichwort Kriech- und Luftstrecken.
O.
|
BID = 378020
strohmas Gelegenheitsposter
  Beiträge: 66 Wohnort: Dresden
|
Ja, die Nulldurchgangserkennung habe ich auch darauf aufgebaut, wie du oben rechts sehen kannst
_________________
|