| Autor |
|
Problem mit Differenziererschaltung zwischen 2 NE555 |
|
|
|
|
BID = 652878
sebastian_1983 Gerade angekommen
Beiträge: 4 Wohnort: Essen
|
|
Hallo zusammen,
ich versuche für die Arbeit einen einfachen Impulsgenerator mit NE555-ICs zu bauen. Die Einzelschaltungen funktionieren auch. Ich habe als erstes eine astabile Stufe für die Periodendauer von bis zu 1sec. Dann folgen drei monostabile. Die negative Flanke des einen steuert den Eingang des folgenden.
Damit ich nicht ein Dauer-LOW am Eingang anliegen habe verwende ich eine Differenzierer-Schaltung mit Kondensator und 2 Widerständen gegen Versorgungsspannung. Die zieht mir die Spannung am Eingang (hinter dem Kondensator) wieder schnell nach oben. Ist auch im Datenblatt des NE555 von Philips auf Seite 7 zu sehen.
Zwischen Stufe 1 und 2 funktioniert die Schaltung, zwischen Stufe 2 und 3 nicht.
Die Dauer der Pulse ist zunächst mal geringer, hier habe ich nur eine Dauer von etwa 3µs (weiß aber nicht ob es damit was zu tun hat). Auf dem Oszi sehe ich dass die Spannung nach dem Kondensator nicht unter die Triggerschwelle von 1/3 VCC kommt (zwischen Stufe 1 und 2 schon).
Habe darauf hin mit den Widerständen und dem Kondensator gespielt. Bin bei C=2,2n, R=200 Ohm (vor dem C) und R=500 Ohm (nach dem C). Hab aber schon vergrößert und verkleinert, aber die Spannung sinkt einfach nicht unter die Schwelle.
Woran kann das liegen? Über dem Kondensator steht ja großteils die Versorgungsspannung. Die Ladung muß erst weggeschafft werden, damit die Spannung dahinter auch gegen GND gehen kann, richtig? Aber wie?
Danke für jeden Rat.
Gruß
Sebastian |
|
BID = 652900
dl2jas Inventar
     
Beiträge: 9913 Wohnort: Kreis Siegburg
|
|
Willkommen im Forum!
Erstelle mal einen Schaltplan. Ein Bild sagt mehr als 1000 Worte.
DL2JAS
_________________
mir haben lehrer den unterschied zwischen groß und kleinschreibung und die bedeutung der interpunktion zb punkt und komma beigebracht die das lesen eines textes gerade wenn er komplizierter ist und mehrere verschachtelungen enthält wesentlich erleichtert |
|
BID = 652908
sebastian_1983 Gerade angekommen
Beiträge: 4 Wohnort: Essen
|
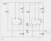
Ich entschuldige mich schon mal für die schlechte Zeichnung auf die Schnelle;-)
Also links ist der IC mit dem Ausgang , dieser ist überwiegend auf LOW mit einem sehr kurzen Rechteckimpuls, auf dessen fallende Flanke soll der rechte IC reagieren, tut er aber nicht, weil der Eingang des zweiten IC nicht weit genug heruntergezogen wird.
R1=200 Ohm
R2=500 Ohm
C=2,2 nF
Damit die Spannung bei der steigenden Flanke nicht weit über die 5V geht hab ich noch ne Schottky-Diode parallel zu R2, aber ich denke nicht, dass es damit was zu tun hat, hab die schon ausgelötet und wieder reingemacht, hat keinen wesentlichen Einfluss.
|
BID = 652981
Otiffany Urgestein
     
Beiträge: 13779 Wohnort: 37081 Göttingen
|
Vielleicht bringt dich das weiter.
Gruß
Peter
|
BID = 653053
sebastian_1983 Gerade angekommen
Beiträge: 4 Wohnort: Essen
|
Hallo,
danke für die Vorschläge,kanns leider erst am Montag ausprobieren. Habs aber schon mal mit kleineren Kondensatoren probiert wodurch der Spannungseinbruch hinterm Kondensator bei der negativen Flanke noch kleiner wurde.
Mit einem größeren Kondensator hatte ich das Problem, dass der Rechteckimpuls des ersten IC nicht mehr 5V hoch war sondern nur etwa 4V (Spannungseinbruch auch nicht größer).
Kann mir das nur so erklären, dass sich der Kondensator durch den kurzen Impuls gar nicht vollständig entladen kann, deshalb sollten auch die Widerstände nicht zu groß sein.
Hat irgendjemand ne Idee, was bei der steigenden und der fallenden Flanke passiert? Also wie sich Spannungen verhalten und worüber Ströme fließen? Und wie sich was auf den Spannungseinbruch auswirkt?
Gruß Sebastian
|
BID = 653071
Otiffany Urgestein
     
Beiträge: 13779 Wohnort: 37081 Göttingen
|
Ich hatte mal eine Schaltung, wo 100pF am Triggereingang ausreichten um den NE555 zu triggern.
Gruß
Peter
|
BID = 653105
Onra Schreibmaschine
    
Beiträge: 2515
|
Zu deiner Schaltung:
die Widerstände sind zu niederohmig. Lass R1 ganz weg und setz R2 auf min 10k. Oder probiere ein 100k-Poti aus.
Allgemein:
installiere LTSpice und EAGLE bzw äquivalente Prg auf deinem Rechner. Dann kannst du vernünftige Schaltpläne zeichnen und deine Schaltungen auch simulieren.
Onra
|
BID = 653111
sebastian_1983 Gerade angekommen
Beiträge: 4 Wohnort: Essen
|
Hallo,
ich habs auf der Arbeit schon mit LTSpice simuliert, habs nur auf dem Rechner wo ich grad bin nicht drauf.
Bei der Simulation zeigte sich, dass die Werte schon recht gut waren, hab auf jeden Fall kein besseres Ergebnis erzielt. Spice sagt aber, dass die Spannung hinterm Kondensator auf fast Null absinken soll, in der Realität erhalte ich aber mit den Werten nur einen Einbruch bis auf 2V (Versorgungsspannung=5V). Deswegen weiß ich nicht was ich von der Simulation halten soll.
R1 sollte ich nehmen, ohne den kam der Rechteckimpuls nicht wirklich auf die 5V, da blieb immer ne Differenz, die über dem Kondensator abfallen müßte.
Ich hatte auch schon wesentlich größere R2 drin, da wars auch nicht besser. Kann mir jemand sagen, warum ein größerer besser sein müßte oder sonst einen der Effekte erklären?
|