| Autor |
|
Kontaktlose Zündung Volvo Penta |
|
|
|
|
BID = 76145
rt1970 Gelegenheitsposter
 
Beiträge: 56
|
|
Hallo!
Ich habe ein Problem mit meinem Bootsmotor Volvo Penta 3 Zylinder, 2 Takt.
Habe ausversehen die Elektronik für die Zündung zerschossen und habe nun nach Ersatz gesucht.
Leider ist es Original eine Kondensatorzündung.
Idee: Wartburg-Zündung!
Soweit so gut. Nach Anpassung des Eingangs bin ich jetzt am Problem gescheitert, daß die Zündspulen (3) nach Masse gehen.
Hat jemand eine Schaltung der Endstufe bei der die Zündspule nach Masse geht?
Gruß, René |
|
BID = 76151
perl Ehrenmitglied
       
Beiträge: 11110,1 Wohnort: Rheinbach
|
|
Das dürfte folgendermaßen aussehen:
Die Kathode des Thyristors liegt ebenfalls an Masse, sodaß auch das Gate mit der Steuerelektronik in der Nähe von Masse liegt und auch während der Entladung dort bleibt.
Zwischen Zündspule und Anode des Thyristors liegt der Speicherkondensator, der über einen Spannungswandler, dessen Ausgang ebenfalls an der Thyristoranode liegt, aufgeladen wird.
Möglicherweise liegt antiparallel zum Thyristor auch noch eine Diode.
_________________
Haftungsausschluß:
Bei obigem Beitrag handelt es sich um meine private Meinung.
Rechtsansprüche dürfen aus deren Anwendung nicht abgeleitet werden.
Besonders VDE0100; VDE0550/0551; VDE0700; VDE0711; VDE0860 beachten ! |
|
BID = 76254
rt1970 Gelegenheitsposter
 
Beiträge: 56
|
Hallo Perl!
Danke für Deine schnelle Antwort!
Was Du beschrieben hast, ist die Original Kondensatorzündung.
Da ich diese "Black Box" leider nicht geöffnet bekomme, mußte ich eine Transistorzündung einsetzen (Wartburg).
Nur bei der geht die Zündspule nach Plus und meine nach Masse. Das ist momentan mein Problem.
Als Endstufe wurde eine Darlington Schaltung eingesetzt - Beide Kollektoren zur Zündspule, emitter vom ersten zur Basis vom 2. und ein R wie auch der Emitter nach Masse. Parallel zum 2. C-E sind ein 100nF und eine Diode.
Nun mein Plan: Kollektoren und 100nF mit Diode nach Plus, und den Emitter mit R nach Zündspule gegen Masse.
Aber: kein Funken!
Originalschaltung findest Du bei www.wartburgpeter.de unter Techniktips, Elektronik, EZBA.
oder direkt unter http://www.wartburgpeter.de/download/ebza51.zip
Gruß, René
|
BID = 76255
rt1970 Gelegenheitsposter
 
Beiträge: 56
|
achso, vielleicht hast Du ja eine Originalschaltung einer Kondensatorzündung für mich?
Habe da das Problem, daß die Erregerwicklung zwar 3 Ausgänge hat, aber keiner der 3 hat einen Wiederstand nach Masse... Merkwürdig! Und: Wenn man diese 3 untereinander kurz schließt, geht der Motor aus (Originalbeschaltung)
|
BID = 76262
perl Ehrenmitglied
       
Beiträge: 11110,1 Wohnort: Rheinbach
|
Hast du die Zündspulen auch gewechselt ?
Falls nicht, dürften folgende Probleme auftreten:
Bei der Kondensatorzündung dient ja ein Folienkondensator als Energiespeicher. Die Zündspule selbst ist nur ein Transformator.
Die Transistorzündung funktioniert ja nicht viel anders als ein Unterbrecherkontakt.
Dabei wird also die zur Zündung erforderliche Energie in der Zündspule gespeichert.
Diese ist deshalb anders konstruiert, der Eisenkern muß einen Luftspalt besitzen.
Bei der Kondensatorzündung ist das nicht der Fall, die Zündspule braucht und kann keine Energie speichern, und kann im Gegenzug kleiner gebaut werden.
Weil die zur Kondensatorzündung gehörende Zündspule keine nennenwerte Energie speichern kann, bekommst du auch keinen vernünftigen Hochspannungsimpuls.
Dabei dürfte es auch eine Rolle spielen, daß die Induktivität dieser Spule niedriger ist und die Spannung dadurch zu schnell ansteigt. Das bischen gespeicherte Energie wird dann auf dem noch nicht vollständig gesperrten Transistor verheizt.
Weiter stimmt die Polarität des Spannungsimpulses nicht.
Bei der Transistorzündung entsteht beim Abschalten ein hoher positiver Spannungsimpuls, die Kondensatorzündung aber prägt der Zündspule einen etwa gleich großen negativen Impuls auf.
Dadurch wird sicher die Überschlagspannung an der Kerze unnötig hoch.
Vermutlich habe ich irgendwo uralte Schaltungen für Kondensatorzündungen, aber ich glaube, du findest schneller im Internet etwas passendes.
_________________
Haftungsausschluß:
Bei obigem Beitrag handelt es sich um meine private Meinung.
Rechtsansprüche dürfen aus deren Anwendung nicht abgeleitet werden.
Besonders VDE0100; VDE0550/0551; VDE0700; VDE0711; VDE0860 beachten !
|
BID = 76268
tixiv Schreibmaschine
    
Beiträge: 1492 Wohnort: Gelsenkirchen
|
Außerdem ist die Collectorschaltung eines Transistor ungeeignet, um damit einen Flyback Wandler zu bauen (keine Ahnung wie das auf Deutsch heisst). Im Moment des Zündens müsste nämlich der Transistor ganz öffnen, wodurch sich dann eine zur vorherigen Spannung entgegengesetzt gepolte Zündspannung ergibt. Der Transistor in Collectorschaltung schließt aber diesen Zündimpuls gnadenlos kurz, da wenn der Emitter negativer als die Basis wird der Transistor wieder beginnt zu leiten.
|
BID = 76276
rt1970 Gelegenheitsposter
 
Beiträge: 56
|
Ok, ok, ok...
Habs verstanden....
Glaube es liegt an der Problematik, die tixiv beschrieb.
Hab da ne Schaltung gefunden, die der Beschreibung von Perl entspricht.
Wenn mir jetzt noch einer von Euch erklären könnte, warum die Spulen (Alternator) nur untereinander Durchgang haben und nicht nach Masse, wäre mir schon sehr geholfen!
Woher bekommt das dumme Ding seine Spannung?
Beschaltung ist folgende:
Drei Spulen in Reihe, jeweils eine Anzapfung, gehen jeweils in diese besagte "black Box" und da sind 2x Geber, 1x Ausgang Zündspule und Gehäuse (Masse). Woher kommt der nötige Gegenpol für den entsprechenden Zylinder?
|
BID = 76278
perl Ehrenmitglied
       
Beiträge: 11110,1 Wohnort: Rheinbach
|
Zitat :
| Woher bekommt das dumme Ding seine Spannung?
Beschaltung ist folgende:
Drei Spulen in Reihe, jeweils eine Anzapfung, gehen jeweils in diese besagte "black Box" und da sind 2x Geber, 1x Ausgang Zündspule und Gehäuse (Masse). Woher kommt der nötige Gegenpol für den entsprechenden Zylinder? |
Nun weiß ich nicht wie ich das verstehen soll. Wenn Masse vorhanden ist, was fehlt dir dann ?
Einen Verteiler wird es doch wohl geben.
Wenn der Motor keine Batterie braucht, arbeiten diese Kondensatorzündungen gerne mit entsprechenden Hochspannungswicklungen auf der Lichtmaschine und sparen sich dadurch den Wandler 12V-->300V.
Kannst dir die Wicklungen ja mal mit dem Ohmmeter ansehen.
@tixiv: Flyback Wandler heißen auf deutsch Sperrwandler.
_________________
Haftungsausschluß:
Bei obigem Beitrag handelt es sich um meine private Meinung.
Rechtsansprüche dürfen aus deren Anwendung nicht abgeleitet werden.
Besonders VDE0100; VDE0550/0551; VDE0700; VDE0711; VDE0860 beachten !
[ Diese Nachricht wurde geändert von: perl am 19 Jun 2004 23:00 ]
|
BID = 76282
rt1970 Gelegenheitsposter
 
Beiträge: 56
|
Mein Problem ist, daß ich 3x diese besagte Black Box und 2 Zyndspulen habe (jeder Zylinder 1x).
Verteiler gibt es nicht.
Jede Spule erzeugt doch nur Spannung, wenn ein Ende auf Masse ist und das andere über ne Diode gleichgerichtet wird.
Was ich mir vorstellen könnte ist, daß der Gegenpol (masse) über die Diode und dem Thyristor des 2. bzw. 3. Zylinders bezogen wird.
Könnte ich da richtig liegen? Mich verwirrt, daß durch den Thyristor die Spulen kurz geschlossen werden und das andere Ende der Spule in die nächste Elektronik verschwindet. Gegen Masse messe ich keinen Wiederstand.
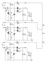
Hab mal die gefundene Schaltung angehangen...
Werd sie noch für 3 Zylinder modifizieren.
|
BID = 76289
rt1970 Gelegenheitsposter
 
Beiträge: 56
|
Habs mal komplettiert...
Kann es so funzen???
|
BID = 76292
perl Ehrenmitglied
       
Beiträge: 11110,1 Wohnort: Rheinbach
|
Soll das heißen, daß du zwar drei Steuerungen hast, aber nur zwei Zündspulen ?
Dann hat man dir wohl eine geklaut.
Ansonsten ist diese Schaltung doch sonnenklar.
_________________
Haftungsausschluß:
Bei obigem Beitrag handelt es sich um meine private Meinung.
Rechtsansprüche dürfen aus deren Anwendung nicht abgeleitet werden.
Besonders VDE0100; VDE0550/0551; VDE0700; VDE0711; VDE0860 beachten !
|
BID = 76295
rt1970 Gelegenheitsposter
 
Beiträge: 56
|
Wieso 2 Zündspulen???
hab doch 3 "gemalt"!?
Nee und jeklaut ham se mir ooch keene! Hab meinen großen Bruder zum zählen geholt und der meinte, es sind 3 Stück!!!
Nee im ernst: die Masse kommt über den Thyristor und Diode der anderen Steuerteile?
Das ist mit nämlich nicht so sonnenklar.
Mir fehlt der Gegenpol zu den 300V (?) an D10, D13 und D16
|
BID = 76301
perl Ehrenmitglied
       
Beiträge: 11110,1 Wohnort: Rheinbach
|
Mein Kommentar bezog sich noch auf deinen vorigen Beitrag mit der einfachen Scahltung und "daß ich 3x diese besagte Black Box und 2 Zyndspulen habe".
Jetzt ist es klarer.
Die Zeichnung wird nicht ganz korrekt sein, sondern die drei Wicklungen sind vermutlich zu einem Dreieck zusammengeschaltet und speisen eine Art Drehstrombrückengleichrichter.
Drei der sechs dafür eforderlichen Dioden hast du in den Blackboxen gefunden, die anderen drei gehen direkt an Masse und können irgendwo anders versteckt sein.
Mit dem Ohmmeter findest du sie nicht, da dessen Meßspannung zu gering ist.
Wenn du aber mit dem Diodentest-Bereich - Minus an Wicklung, Plus an Masse - nachschaust, wirst du die Anwesenheit dieser Dioden wohl nachweisen können.
_________________
Haftungsausschluß:
Bei obigem Beitrag handelt es sich um meine private Meinung.
Rechtsansprüche dürfen aus deren Anwendung nicht abgeleitet werden.
Besonders VDE0100; VDE0550/0551; VDE0700; VDE0711; VDE0860 beachten !
|
BID = 76305
rt1970 Gelegenheitsposter
 
Beiträge: 56
|
Das ist die Idee...
Das hab ich noch nicht gemessen, ob unter der Schwungmasse eine Diode versteckt ist!
Dann wirds klarer und die Sternschaltung dürfte dann auch alles erklären!
Wieso noch 3 Dioden? Eine von der Mitte des Sterns nach Masse reicht doch!? Kann mir sonst nicht die Meßwerte erklären?
Werds morgen mal prüfen!
Vielen Dank nochmals!!!!!
Hast echt was auf dem Kasten!
Und flink bist Du auch noch!
Hut ab!!! RESPEKT!
|
BID = 76307
perl Ehrenmitglied
       
Beiträge: 11110,1 Wohnort: Rheinbach
|
Zitat :
| | Wieso noch 3 Dioden? Eine von der Mitte des Sterns nach Masse reicht doch!? |
Das macht keinen Sinn. Dann könnte man den Sternpunkt auch gleich an Masse legen.
Falls es ein Stern ist, ist der Mittelpunkt wahrscheinlich nicht angeschlossen.
Die Wicklungen sind entweder zum Stern oder zum Dreieck zusammengeschaltet, und die drei fehlenden Dioden liegen von den Ecken nach Masse. Dadurch fällt die Gleichspannung um das 1,7-fache höher aus.
_________________
Haftungsausschluß:
Bei obigem Beitrag handelt es sich um meine private Meinung.
Rechtsansprüche dürfen aus deren Anwendung nicht abgeleitet werden.
Besonders VDE0100; VDE0550/0551; VDE0700; VDE0711; VDE0860 beachten !
|