Katzenklappe: Durchgangs / Richtungsanzeige

Im Unterforum Alle anderen elektronischen Probleme - Beschreibung: Was sonst nirgendwo hinpasst

Elektronik Forum Nicht eingeloggt       Einloggen       Registrieren




[Registrieren]      --     [FAQ]      --     [ Einen Link auf Ihrer Homepage zum Forum]      --     [ Themen kostenlos per RSS in ihre Homepage einbauen]      --     [Einloggen]

Suchen


Serverzeit: 25 12 2025  12:12:03      TV   VCR Aufnahme   TFT   CRT-Monitor   Netzteile   LED-FAQ   Oszilloskop-Schirmbilder            


Elektronik- und Elektroforum Forum Index   >>   Alle anderen elektronischen Probleme        Alle anderen elektronischen Probleme : Was sonst nirgendwo hinpasst

Gehe zu Seite ( Vorherige Seite 1 | 2 | 3 | 4 | 5 Nächste Seite )      


Autor
Katzenklappe: Durchgangs / Richtungsanzeige

    







BID = 617863

Topsurfer

Gesprächig



Beiträge: 189
 

  



Zitat :
der mit den kurzen Armen hat am 30 Jun 2009 13:37 geschrieben :

so schlimm isses gar nicht
Taster a setzt RS Flip Flop 1 (led a leuchtet)
Taster b Setzt RS Flip Flop 2 (Led b leuchtet
RS 1 setzt gleichzeitig RS2 zurück
RS 2 setzt RS 1 zurück
Taster c setzt beide RS zurück (keine led leuchtet)
den Rest wirste wohl selber zusammenbasteln können
Gruß Bernd

Edit : Taster c muss über 2 Dioden entkoppelt werden

[ Diese Nachricht wurde geändert von: der mit den kurzen Armen am 30 Jun 2009 13:40 ]

Das mit dem Taster entkoppeln über zwei Dioden bekomme ich hin, aber der Rest ...
Welches Bauteil (78xxx ?) wäre empfehlenswert, aber ohne Schaltplan

BID = 617867

Murray

Inventar



Beiträge: 5227

 

  

Das mit dem FlipFlop war ja auch schon genannt.
IC CD4043/4044
schau mal hier
http://www.sn.schule.de/~gyfloeha/rt/lex07/lex0702.html
oder hier
http://www.elektronik-kompendium.de/sites/dig/0209302.htm


Zitat :
Topsurfer hat am 30 Jun 2009 11:36 geschrieben :

Halloooo!
Die Klappe haben wir jetzt zwei Jahre, noch NIE war eine andere Katze bei uns in ds haus gekommen!
Liegt auch daran, das auf beiden Seite des "Durchgangstunnels" (l=50cm) eine Klappe ist, das traut sich keine andere Katze, ist sie doch für einen kurzem Moment wie eingesperrt im Tunnel.


Also meine Mutter hat so eine Klappe seit ca. 5 Jahren und seit einem Monat benutzt die Nachts auch eine fremde Katze Davor ist auch noch mal ein kleines "Häuschen", also auch ein Tunnel. Denkst du noch eine Klappe draussen dran würde da helfen? Glaube ich fast nicht wenn die schon mal den Weg kennen.

BID = 617868

der mit den kurzen Armen

Urgestein



Beiträge: 17437


Zitat :
Lötfix hat am 29 Jun 2009 17:41 geschrieben :

Hallo!

Das gesuchte Teil nennt sich RS-Flipflop und kann einfach aufgebaut werden. Z.B. mit CMos-Logik geht das auch mit 9V recht einfach:
CD4011B oder HEF4011B wenn die Schaltung mit NAND-Gatter aufgebaut werden soll, mit NOR-Gatter CD4001B oder HEF4001B. An die Ausgänge dann je eine sparsame LED.

mfg lötfix


7400 ist TTL Nand (5V) 7402 ist TTL Nor

Edit: egal ob du Nand oder Nor verwendest die Eingäng werden immer auf definiertes Potential mittels Widerstände gelegt.
Beide sind möglich sie unterscheiden sich nur nach der Ansteuerung L oder 0 aktiv.
Am Ausgang Vorwiderstand zur LED nicht vergessen !!!





[ Diese Nachricht wurde geändert von: der mit den kurzen Armen am 30 Jun 2009 14:27 ]

BID = 617895

Ltof

Inventar



Beiträge: 9386
Wohnort: Hommingberg


Zitat :
Topsurfer hat am 30 Jun 2009 10:11 geschrieben :

...erstens schwingt die Klappe nach Durchgang etwas hin und her

Nach dem Umbau nicht mehr.

Zitat :
und zweitens ist die Klappe in einer Ecke, wo man nicht hinsehen kann ...

Das erschwert das Ablesen enorm.

_________________
„Schreibe nichts der Böswilligkeit zu, was durch Dummheit hinreichend erklärbar ist.“
(Hanlon’s Razor)

BID = 617941

Topsurfer

Gesprächig



Beiträge: 189

Die Klappe schwingt, das läßt sich auch nicht ändern.
Und Sichtverbindung zur Klappe besthet keine, also scheidet eine (reine) mechanische Erkennung der letzten Durchgangsrichtung aus.

Die digitale Schaltung mit 3 Eingängen und 3 LED's mit gegenseitigem "löschen" scheint zwar technisch möglich, aber die schaltungstechnische Umsetzung wohl doch etwas schwierig, weil keiner eine solche Schaltung skizzieren kann.

BID = 617947

der mit den kurzen Armen

Urgestein



Beiträge: 17437

Hallo Wie wärs mal damit wenn du mal deinen Kopf gebrauchst ?
Der Taster setzt das RS Flip Flop am S Eingang
und rückgesetzt wird es am R Eingang. Das ein RS flip flop auch einen negierten Ausgang hat ist Hier völlig wurscht den brauchst du nicht.
Gruß Bernd
Edit: wenn du ein Kochrezept hast musste auch selber kochen oder denkst du der Rezeptschreiber tut das für dich ?

[ Diese Nachricht wurde geändert von: der mit den kurzen Armen am 30 Jun 2009 18:58 ]

BID = 617982

Topsurfer

Gesprächig



Beiträge: 189


Zitat :
der mit den kurzen Armen hat am 30 Jun 2009 18:56 geschrieben :

Hallo Wie wärs mal damit wenn du mal deinen Kopf gebrauchst ?
Der Taster setzt das RS Flip Flop am S Eingang
und rückgesetzt wird es am R Eingang. Das ein RS flip flop auch einen negierten Ausgang hat ist Hier völlig wurscht den brauchst du nicht.
Gruß Bernd
Edit: wenn du ein Kochrezept hast musste auch selber kochen oder denkst du der Rezeptschreiber tut das für dich ?

Hi,
glaube mir, ich habe viele Fachkenntnisse, ich kann in vielen Bereichen sehr viel und sehr gut!

Aber ich werde wegen dieser einmaligen Digitalschaltung mich nicht in die Materie so tief einarbeiten, das ich so eine Schaltung entwerfen kann!
Wenn ich die Schaltung sehen würde, traue ich mir zu, das Prinzip zu verstehen.
Aber eine Schaltung zu erstellen für meine geschilderte Aufgabe, nee, ...

Schade, das niemand eine solche Schaltung kurz skizzieren will
Mit entsprechender SW kann man das wohl recht einfach skizzieren und sogar simulieren ...

BID = 617990

DonComi

Inventar



Beiträge: 8604
Wohnort: Amerika

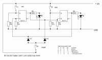
Sollte so gehen, habs aber nebenbei gemacht.
Logik: Jeder RS-Eingang löscht die anderen beiden Setzeingänge. Die ODER-Funktion wurde mit Dioden erledigt, man kann auch ein ODER-Gatter nehmen. Dioden gehen hier, weil das Low-Potential über einen Widerstand kommt, sonst musst man ODER-Gatter nutzen!

Taster zieht jeweils den Eingang auf High, Low kommt von den Pulldown-Widerständen.
Enable muss auf High, an Qn hast du dein Signal. Kannst direkt eine Low-Current-LED anschließen (mit Vorwiderstand).


Edit: Gna...
Das dritte FF kannst du weglassen, die Dioden müssen bleiben, um beide anderen FFs zu löschen. Sind also nur noch vier Dioden:

Eine von FF1 S nach FF2 R
Eine von FF2 S nach FF1 R

Je eine von RESET nach FF1 R und FF2 R.

(im Plan oben alle Dioden weglassen, die das dritte, völlig überflüssige Flipflop zurücksetzen.)

Ich habe zuwenig geschlafen. Genaugenommen nur einige Stunden...




_________________


[ Diese Nachricht wurde geändert von: DonComi am 30 Jun 2009 21:44 ]

BID = 618006

der mit den kurzen Armen

Urgestein



Beiträge: 17437

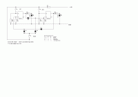
So gehts mit Nor Gattern als RS flip flop
Gruß Bernd




Edit: evl in + us noch nen 1k R einschleifen vor die Taster (Strombegrenzung)

[ Diese Nachricht wurde geändert von: der mit den kurzen Armen am 30 Jun 2009 22:23 ]

BID = 618050

DonComi

Inventar



Beiträge: 8604
Wohnort: Amerika

Hallo,

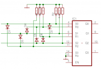
das wird u.U. nicht klappen, denn die Dioden D1 und D2 werden beim Druck mindestens ein FF, dessen Ausgang auf Masse liegt, mit +Ub kurzschließen. Wenn du eine Strombegrenzung von 1kΩ hast, wird es nicht reichen, einen High-Pegel zu erzeugen, der CMOS-Ausgang würgt dort nämlich Low-Potential durch.

Daher: zwei Dioden mehr und man verhindert das Parallelschalten deiner Dioden und der Flipflops.

Zudem: Da +us nicht bekannt ist, die Widerstände im Schaltplan am besten undimensioniert lassen - 1/10kΩ sind ein bischen optimistisch, sowohl für die LED als auch den Logikausgang .



P.S.: Ich habe in meinem Plan z.B. die Ausgänge nicht beschaltet, da kommen natürlich noch die LED und ihr jeweiliger Widerstand hin bzw. ordentlicher ein Treibertransistor und die LED.

_________________


[ Diese Nachricht wurde geändert von: DonComi am 30 Jun 2009 23:40 ]

BID = 618056

der mit den kurzen Armen

Urgestein



Beiträge: 17437

So besser?

Gruß Bernd



BID = 618084

bluebyte

Schriftsteller



Beiträge: 710
Wohnort: Unterfranken


Zitat :
der mit den kurzen Armen hat am 30 Jun 2009 23:50 geschrieben :

So besser?

Gruß Bernd


Hi,
wenn in Deiner Schaltung z.B. FF1 gesetzt ist, und S2 wird gedrückt, sind beide Eingänge von FF2 High !!!

Ich würde die Schaltung von DonComi vorziehen.

_________________
Gruß
bluebyte

BID = 618086

der mit den kurzen Armen

Urgestein



Beiträge: 17437

Blubyte erst denken, klar aber nur solange bis FF1 zurücksetzt
und so schnell wie das erfolgt ist keine Katze , damit setzt sich das Setzsignal durch .
Gruß Bernd

BID = 618087

bluebyte

Schriftsteller



Beiträge: 710
Wohnort: Unterfranken


Zitat :
der mit den kurzen Armen hat am  1 Jul 2009 01:35 geschrieben :

Blubyte erst denken, klar aber nur solange bis FF1 zurücksetzt
und so schnell wie das erfolgt ist keine Katze , damit setzt sich das Setzsignal durch .
Gruß Bernd


ach, und warum sollte FF1 zurücksetzen ?
Bist Du Dir sicher, daß FF2 gesetzt wird, wenn an den Eingängen ein unzulässiger Zustand anliegt ???

_________________
Gruß
bluebyte

[ Diese Nachricht wurde geändert von: bluebyte am  1 Jul 2009  1:59 ]

BID = 618091

DonComi

Inventar



Beiträge: 8604
Wohnort: Amerika

Hallo,

< Posting gelöscht da überflüssig >


_________________


[ Diese Nachricht wurde geändert von: DonComi am  1 Jul 2009  2:06 ]


Vorherige Seite       Nächste Seite
Gehe zu Seite ( Vorherige Seite 1 | 2 | 3 | 4 | 5 Nächste Seite )
Zurück zur Seite 0 im Unterforum          Vorheriges Thema Nächstes Thema 


Zum Ersatzteileshop


Bezeichnungen von Produkten, Abbildungen und Logos , die in diesem Forum oder im Shop verwendet werden, sind Eigentum des entsprechenden Herstellers oder Besitzers. Diese dienen lediglich zur Identifikation!
Impressum       Datenschutz       Copyright © Baldur Brock Fernsehtechnik und Versand Ersatzteile in Heilbronn Deutschland       

gerechnet auf die letzten 30 Tage haben wir 18 Beiträge im Durchschnitt pro Tag       heute wurden bisher 4 Beiträge verfasst
© x sparkkelsputz        Besucher : 187931964   Heute : 9063    Gestern : 17227    Online : 252        25.12.2025    12:12
15 Besucher in den letzten 60 Sekunden        alle 4.00 Sekunden ein neuer Besucher ---- logout ----viewtopic ---- logout ----
xcvb ycvb
0.0576829910278