| Autor |
|
|
|
BID = 2916
Gast Nichtregistrierter Benutzer |
|
Wer kann mit weiterhelfen, möchte folgendes Projekt verwirklichen:
Ziel ist es, über eine Tastatur mit ca. 20 Tasten die entsrechenden Werte in einem Display zu summieren.
Aufbau:
1. Gehäuse mit Tastatur, LCD-Anzeige und RS232-Anschluß.
2. Über die RS232 kann pro Taste ein Zahlenwert zugewiesen werden (VB+RS232-Ansteuerung ist für mich soweit kein Prblem).
3. Wir diese Taste auf dem Geräte danach betätigt, wird im Display der jeweilige Zahlenwert aufsummiert.
4. Über eine fix definierte Taste wird die Anzeige wieder auf Null zurückgesetzt.
Da meine Elektronikkenntnisse leider nicht so groß sind (vor allem was Speicherbausteine, IC's usw. angeht) wäre ich über jede Hilfe bzw. Information sehr dankbar...
Wer könnte mit unter Umständen gegen Bezahlung einen Schaltplan hierfür entwerfen?
Danke
Heli
heli äht raglitz.at (automatisch editiert wegen spamgefahr) |
|
BID = 2917
perl Ehrenmitglied
       
Beiträge: 11110,1 Wohnort: Rheinbach
|
|
"VB" heißt Visual Basic ? Du hast also einen PC dran hängen?
Dann kannst Du den ja die Tastenzuordung und Rechnerei erledigen lassen.
Im neuesten Conrad Katalog stehen solche Controller für verschiedene Displays unter den
Bestellnummern 183660, 183172, 183687, 183903 und 185191geweils mit angehängtem -77
[ Diese Nachricht wurde geändert von: perl am 2002-08-29 15:49 ] |
|
BID = 2923
Gast Nichtregistrierter Benutzer |
Über die RS232 möchte ich nur die Zahlenwerte pro Taste programmieren (über Visual Basic 6), danach sollte das Ding 'stand aolone' ohne PC-Anschluß laufen.
Das ganze ist für unsere Feuerwehr beim Zeltfest gedacht:
Kommte der Kellner zur Schank, so braucht der Kassier nur auf die dementsprechenden Tasten drücken und er sieht sofort den Betrag den er kassieren muß.
Gruß Heli
heli äht raglitz.at (automatisch editiert wegen spamgefahr)
|
BID = 2928
perl Ehrenmitglied
       
Beiträge: 11110,1 Wohnort: Rheinbach
|
Also ich glaube, dafür wäre ein Uralt PC unter DOS mit einem Qbasic Progrämmchen und Uralt Monitor die bessere Lösung.
Das kostet nix und ist sicher besser abzulesen als die LCDs.
Wen Du Lust hast, kannst Du Dir auch große Zeichen programmieren.
Die einzige Bastelei wäre wohl ein Kiste um den Monitor, damit der nicht mittrinkt. 
|
BID = 2930
Gast Nichtregistrierter Benutzer |
Funkt nicht!
1. soll das ganze handlich sein, ein PC wäre viel zu platzraubend...
2. brauchen wir im Zelt für jede Kasse so ein Ding (3x Schank, 1x Kaffee, 3x Bar, 1x Cocktailbar, 1 Weinkost, 1x Eintritt = 10 Stück!)
Kann mir keiner weiterhelfen, wie ich so einen Kassazähler bauen könnte? Der Ordnung halber möchte ich nochmal erwähnen, dass ich natürlich bereit bin, die Kosten hierfür zu übernehmen!
Heli
heli äht raglitz.at (automatisch editiert wegen spamgefahr)
|
BID = 2932
Electronicfox Schreibmaschine
    
Beiträge: 1634 Wohnort: hamburg
|
Schon mal überlegt, ob man das ganze nicht mit LED-Display, Zähler, Oszillator und Schieberegistern regeln kann. Anders hat der ENIAC auch nicht gearbeitet. Dies wäre dann ein URALT-PC. Einfach den Wert einer Taste zuschreiben die dann in einer hohe Frequenz bis zum erwünschten Wert zählt. Ein Zähler kann dann den nächsten Wert abziehen oder da´zu zählen. War jetzt nur eine Überlegung, weil da kein Mikroconteroller oder PC benötigt wird.
_________________
Warum kompliziert, wenns einfach geht.
ICQ#:137223135
[ Diese Nachricht wurde geändert von: Electronicfox am 2002-08-29 17:05 ]
|
BID = 2934
Gast Nichtregistrierter Benutzer |
... kenn mich leider in der Elektronik nicht so gut aus, ich hoffe ich habe mein Anliegen so halbwegs rübergebracht und würde wirklich jemanden suchen, der mir hierfür einen Schaltplan entwerfen könnte...
|
BID = 2935
perl Ehrenmitglied
       
Beiträge: 11110,1 Wohnort: Rheinbach
|
Der Eniac war aber nicht gerade ein PC.
Vom Prinzip her kann man die gesamte Logik sogar ausschliesslich aus (7400) NAND Gattern aufbauen.
Nur wird das in diesem Jahrzehnt nicht mehr fertig.
Es führt also wohl kein Weg an einem Mikroprozessor vorbei, und da wir wissen, das rund 20 Tasten angeschlossen werden, wäre die nächste Frage:
Was für ein Display soll denn drankommen?
|
BID = 2953
Gast Nichtregistrierter Benutzer |
Eigentlich brauche ich eine Displayanzeige im Format 3.2 (d.h., der maximale Wert wäre mit 999,99 ausreichend).
Ob es sich nun um eine LCD-Anzeige oder eine LED-Anzeige handelt, wäre eigentlich egal...
Heli
|
BID = 2956
perl Ehrenmitglied
       
Beiträge: 11110,1 Wohnort: Rheinbach
|
Strom genug für LEDs hast Du?
Ich finde sie optisch viel besser.
Ich habe 7-Segment+DP -Anzeigen im Katalog gesehen: LTS547AG, grün, gemeinsame Anode, 13,2mm Zifferhöhe, 2,2mCd bei 10mA / Segment.
50 Stück für etwa 27 Euro plus Steuern.
Dazu brauchtest Du noch einen Sack voll Ansteuertransistoren, oder vielleicht gibts auch ein passendes IC (ist mir momentan nicht geläufig).
Natürlich kannst Du auch ein Multiplex machen. das spart ICs und Drähte und kostet dafür Nerven.
Die Digitansteuerung würde ich mit Schieberegistern z.B 74HC164 machen, dann brauchst Du (bei statischer Ansteuerung)am Micro nur 2-Pins für das gesamte Display.
Als Micro sollte dann ein Microchip PIC16F84 oder Atmel AT90S1200 reichen. Die haben zwar zu wenig RAM oder EEPROM für die Preisliste, aber die kannst Du auch als Konstanten im Programmspeicher unterbringen, den Du oft genug Flashen kannst.
Simple Programmierschaltungen für diese Chips gibts im Netz.
Wo kommen denn Deine Tasten her ?
|
BID = 2964
Jornbyte Moderator
      
Beiträge: 7427
|
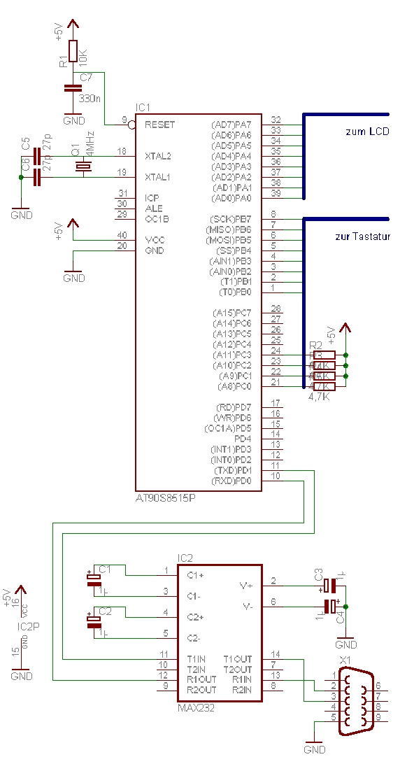
Hatte ich dir schon geschrieben.
Dafür eignet sich ein Atmel µC (z.B. 90S8515)
Benötigt wird der µController, das LCD-Display, die Tastatur und noch ein MAX232. Noch ein paar C's und R's und ein Quartz.
Ein kleines Progi für den µC ist auch noch erforderlich.
Also mit 2 IC's geht das zu Realisieren.
|
BID = 2966
Jornbyte Moderator
      
Beiträge: 7427
|
Ach ja, die Schaltung.
Uploaded Image: Kasse.jpg
|