FET-Treiber - Kann das so funktionieren? Im Unterforum Alle anderen elektronischen Probleme - Beschreibung: Was sonst nirgendwo hinpasst
| Autor |
|
FET-Treiber - Kann das so funktionieren? |
Problem gelöst
|
|
|
|
BID = 370006
DonComi Inventar
     
Beiträge: 8604 Wohnort: Amerika
|
|
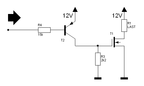
Hallo,
Wollte mir Leistungsschalter für eine µC-Schaltung bauen, und habe dann mal zu FETs gegriffen. Hab auch gestern schon geschafft, hohe Ströme zu schalten und habe viele neue positive Seiten der FETs entdeckt.
Nun zu folgender Schaltung. Kann der NPN-Transistor als FET-Treiber funktionieren?
Es soll fast mit 12V am Gate geschaltet werden (Naja, 12V-0.7V über die CE-Strecke) und mit dem Pull-up-Widerstand soll im hochohmigen Zustand des Bipolaren das Gate einen definierten Zustand erreichen.
Der FET soll später eine Last schalten, die 12V benötigt. Der µC gibt aber nur 5V-Pegel raus.
Frage also: Geht unten-angehängte Schaltung, wenn ja, was kann man verbessern, wenn nein, vielen mir folgende Möglichkeiten ein:
* FET mit PNP-Transistor ansteuern, der übernimmt auch die Pegelwandlung von 5V auf 11.3V.
* P-Kanal-FET benutzen (Sind aber seltener und ich habe sie nicht da.)
Den BC847 (SMD) habe ich hier zuhundert liegen, deshalb würde ich den gern verwenden. Ich sehe im Schaltplan eigentlich keinen Fehler und meine, dass es so gehen müsste, aber ich bin mir nicht 100%-sicher, mache sowas mit unipolaren Transistoren zum 1. Mal...
Möchte dafür keine Bipolaren verwenden, da ich dann noch einen Verstärker für den doch kräftig-werdenden Basisstrom bräuchte. (z.B. Darlington)
PS: Es sollen keine hohen Frequenzen geschaltet werden, also werden auch keine hohen Gateströme fließen (wg. der Kapazität vom Gate zur SD-Strecke [parasitäre Kapazität]).
Ströme liegen bei 2A-12A (gut gekühlt).
Ich bedanke mich,
mfg
_________________
[ Diese Nachricht wurde geändert von: DonComi am 16 Sep 2006 16:49 ] |
|
BID = 370019
Ltof Inventar
     
Beiträge: 9386 Wohnort: Hommingberg
|
|
So funzt das nicht. Es kommen nur 4,3V am Gate an und nicht die gewünschten 12V. Da wäre es sogar besser, das Gate direkt mit dem µC zu treiben.
Andersrum wird ein Schuh draus. Da nicht schnell geschaltet werden soll, kann man folgendes machen: Lege einen Pull-Up-Widerstand vom Gate zu 12V. Am Gate sitzt der Kollektor des Transistors (Emitter an Masse), der dem FET bei Bedarf den Saft am Gate abwürgt. Das hat allerdings den Nachteil, dass, wenn der µC ohne Versorgung ist, der FET angesteuert bleibt. Falls das verboten ist, brauchst Du zusätzlich einen PNP.
Gruß,
Ltof
_________________
„Schreibe nichts der Böswilligkeit zu, was durch Dummheit hinreichend erklärbar ist.“
(Hanlon’s Razor) |
|
BID = 370022
high_speed Schreibmaschine
    
Beiträge: 2073
|
Hallo DonComi
T2 ist ein Emitter-Spannungsfolger.
Das Bedeutet, das die Spannung am Emitter um ca. 0,7V kleiner
ist als die Spannung an der Basis. Groschen gefallen?
Des weiterem rechne dir mal die Zeitkonstante aus, wenn du das
Gate über einen 100-kOhm-Widerstand entladen willst.
Zu dem Schaltzeichen von MOSFET sage ich mal nichts.
http://pdf1.alldatasheet.com/datash......html
--------------------------------------------------------------
--------------------------------------------------------------
Edit:
Oder du nimmst Leistungshalbleiter aus dem KFZ-Bereich.
http://www.sprut.de/electronic/switch/protfet/protfet.html
Da ist auch gleich ein Überstromschutz mit integriert.
Suche bei Angelika zum Beispiel mal nach "BTS“.
http://www.alldatasheet.com/view.jsp?Searchword=BTS141
MfG
Holger
_________________
George Orwell 1984 ist nichts gegen heute.
Der Überwachungsstaat ist schon da!
Leider lernen die Menschen nicht aus der Geschichte,
ansonsten würde sie sich nicht andauernd wiederholen.
[ Diese Nachricht wurde geändert von: high_speed am 16 Sep 2006 18:41 ]
[ Diese Nachricht wurde geändert von: high_speed am 16 Sep 2006 18:44 ]
|
BID = 370024
Benedikt Inventar
      Beiträge: 6241
|
Bei der Schaltung ist eigentlich fast alles falsch:
- R4 ist zu hochohmig, wenige kOhm sind da besser
- T2 verringert die Spannung noch weiter auf etwa 4,4V, das reicht nicht.
- R2 ist überflüssig.
- der Mosfet ist falsch gezeichnet
Was gehen würde:
1-10k Pullup vom Gate an 12V und den Transistor zwischen Gate und Source. Das wäre dann zwar invertierend, aber der Mosfet bekommt dann immerhin 12V am Gate.
Mist, andere waren schneller.
[ Diese Nachricht wurde geändert von: Benedikt am 16 Sep 2006 18:28 ]
|
BID = 370051
DonComi Inventar
     
Beiträge: 8604 Wohnort: Amerika
|
Zitat :
|
Bei der Schaltung ist eigentlich fast alles falsch:
|
Mist  .
Danke für die Hilfe!
Da macht man was neues und macht gleich alles falsch  .
Naja, aber danke jedenfalls für die Tipps.
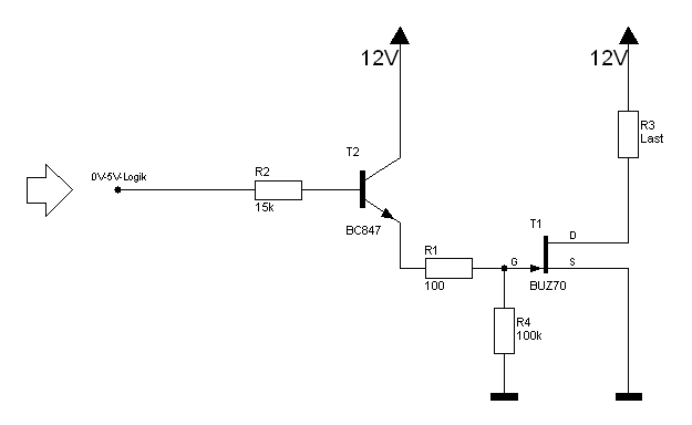
Das Schaltzeichen ist das eines normalen FETs, hatte keins für ein MOSFET (, wo ja noch das Bulk-Dingsda angedeutet wird.)
Ich schätze, ihr meintet, dass der BUZ70 ein MOSFET ist, dann habe ich natürlich voll daneben gehauen  .
Hatte nur ein Datenblatt mit den technischen Daten, aber keiner Beschreibung.
Ich werde den Plan nochmal neuzeichnen.
_________________
|
BID = 370070
DonComi Inventar
     
Beiträge: 8604 Wohnort: Amerika
|
So, neues Posting, neues Glück.
So, nun habe ich auch das richtige Schaltbild für einen MOSFET drin. Der Widerstand, der das Gate (also den paras. Kondensator eigentlich) entlädt, ist jetzt bedeutend kleiner.
Dadurch sollten sich die Schaltzeiten abkürzen. Aber wie ich sagte, es ist nicht sooo wichtig, denn ich schalte vllt. alle paar Minuten mal ein oder aus.
Aber ich habe euch um Tipps gebeten und so nehme ich auch diesbezgl. alles entgegen, will ja kein Mist bauen, soll ja auch gut laufen  .
Diesmal habe ich nen PNP drin, der wird halt mit 0V angesprochen. Einen Basisvorwiderstand habe ich auch, der fließende Strom wird sowieso sehr klein sein. (Außer im Moment, wo der Gatekondensator aufgeladen wird.)
Nun habe ich auch mal ins Datenblatt geschaut (gründlicher  ) und gesehen, dass die Schwellspannung bei max. 4V liegt, der würde also grade so angehen, wenn ich es so gemacht hätte, wie oben...
---
Der FET ist ein normalleitender. Durch den Widerstand 2k2 wird er permanent auf 0-Pot. gehalten, dann wie oben so schön gesagt wurde, abgewürgt  (also auf 12V-0.7V-Pot. gebracht.)
Ich hoffe, es stimmt diesmal... werde mich gleich erstmal ins Bett legen, bin ziemlich fertig...
_________________
|
BID = 370107
high_speed Schreibmaschine
    
Beiträge: 2073
|
Hallo DonComi
Der BUZ70 ist aber ein Anreicherungs-Typ und kein
Verarmungs-Typ. Es wird schon schwerer sein, einen
Leistungs-MOSFET als Verarmungs-Typ zu finden.
Die Bulk ist im MOSFET meist schon mit der Source verbunden.
http://de.wikipedia.org/wiki/MOSFET
Deine jetzige Schaltung ist nicht gerade besser.
µC (Mikrocontroller) 5V:
-> Der Transistor ist noch in der Sättigung.
U_CE = -0,2V
MfG
Holger
_________________
George Orwell 1984 ist nichts gegen heute.
Der Überwachungsstaat ist schon da!
Leider lernen die Menschen nicht aus der Geschichte,
ansonsten würde sie sich nicht andauernd wiederholen.
|
BID = 370110
DonComi Inventar
     
Beiträge: 8604 Wohnort: Amerika
|
Hallo Holger,
Ich mache hier erstmal Schluss, brauche dringend Schlaf...
---
Danke für die Rechnung und die Tipps, was ein µC ist, weiß ich aber noch  .
_________________
|
BID = 370608
ElektroNicki Inventar
     
Beiträge: 6424 Wohnort: Ugobangowangohousen
|
in siemens autotelefonen findest oft nen bts mosfet in der stromversorgung.
_________________
|
BID = 370711
Onra Schreibmaschine
    
Beiträge: 2512
|
Hallo,
wie gut wird der µC-Ausgang mit der dort anstehenden Spannung fertig, die sich über die BE-Diode des PNP-Transistors und seinen Basiswiderstand aufbaut.
Ist der Strom gering genug, dass der PNP sperrt und somit auch der FET (schlecht wenn die Schutzdioden den Ausgang auf 5,7V halten)?
Ein Pegelwandler muss her, z.B. ein NPN mit Emitter am µC-Ausgang, Kollektor an den 15K Basiswiderstand des PNP (ev. anpassen) und die Basis über 2k2 an +5V.
O.
|
BID = 370780
Corny gesperrt
|
Lieber Don Cormi.
Zu deinen Schaltplänen kann man nur eines sagen LOLLOLOLOLOL ROTFL. Lange nicht mehr so gelacht.
Und jemand wie du, der solchen Murks zusammenzeichnet, und eine so popelige Schaltung nicht zu wege bringt, nimmt sich die Frechheit heraus, die Vorschläge anderer ins Lächerliche zu ziehen?
Toll Don Cormi, ganz toll. Du bist ein Held unter Helden.
Eigne dir ein paar Grundlagen an, bevor du dir anmaßt, andere Leute auszulachen.
Die Leute die du großmäulig auslachst haben mehr drauf, als du.
@onra
Da braucht es keinen Pegelwandler. Eine Zenerdiode und ein Widerstand an passender Stelle tun es auch.
Aber da Don Cormi ja so schlau ist, wird er selbst darauf kommen. Bin schon auf den nächsten Witz von ihm gespannt.
|
BID = 370800
Peda Schriftsteller
    
Beiträge: 891
|
Zitat :
| Zu deinen Schaltplänen kann man nur eines sagen LOLLOLOLOLOL ROTFL. Lange nicht mehr so gelacht.
Und jemand wie du, der solchen Murks zusammenzeichnet, und eine so popelige Schaltung nicht zu wege bringt, nimmt sich die Frechheit heraus, die Vorschläge anderer ins Lächerliche zu ziehen? |
Da tust du ihm unrecht
Der letzte Schaltplan is nicht so übel, aber vertragen die uC's 12V am Eingang ???
_________________
Do you have Math Problems ?? Then call 0049-0800 sin(lg((10^45*tan(56))/(f(0)'->(45x^3/3x^2*3x^7)))
|
BID = 370801
cholertinu Inventar
     
Beiträge: 3754 Wohnort: CH
|
Zitat :
|
Diesmal habe ich nen PNP drin, der wird halt mit 0V angesprochen.
|
Und wie gedenkst du diesen PNP Transistor mit der 0..+5V Steuerspannung wieder auszuschalten?
->P-Kanal MOSFET verwenden und mit NPN das Gate steuern
oder:
nochmals einen NPN zur Ansteuerung des PNP einsetzen.
|
BID = 370819
DonComi Inventar
     
Beiträge: 8604 Wohnort: Amerika
|
Na wunderbar.
Ich werde mal ne Auszeit nehmen. Habe genug andere Dinge zu tun, und ich helfe lieber Leuten, die mir dann auch dankbar sind, und sich nich über (zugegeben blöde) Fehler lustig machen.
Schade, find dieses Forum eigentlich sehr nett, seinen Admin und die Mods und viele User auch, aber so dann doch auch wieder nicht. Das reicht mir dann an Pöbeleien für die nächsten Tage.
@Peda
Zitat :
|
Da tust du ihm unrecht
|
Danke!!
@All.
Werde die Schaltung nochmal durchrechnen, hatte oben natürlich die Differenz zw. aktiven µC-Ausgang (5V) und Emitter (12V) nicht beachtet
Natürlich ist der Transistor dann noch durchgeschaltet, das ist es egal, ob der µC ne 1 oder ne 0 ausgibt.
Nun, ist ja im Moment nicht so wichtig, ich wünsch euch hier noch viel Spaß, vllt. noch andere die sich über mich lustig machen wollen?
(Mein Gott, ich habe ein LOL über ne andere Schaltung abgelassen, meinte das nicht mal böse und dann so eine sch****. Sowas versaut einem echt den Tag!)
Edit:
Zitat :
|
Die Leute die du großmäulig auslachst haben mehr drauf, als du.
|
Ich lache prinzipiell nicht über Leute, sowas gehört sich nicht und ich finds schon übel, was man mir hier vorwirft. Ich bin eher respektvoll gegenüber Leuten, die ein Wissen haben, welches mein popeliges um Meilen übertrifft.
Ich hab ja nichtmal einen User mit meinem LOL gemeint, ich verstehe es einfach nicht...
Und natürlich haben die Leute mehr drauf als ich.
_________________
[ Diese Nachricht wurde geändert von: DonComi am 19 Sep 2006 15:54 ]
|
BID = 370844
DonComi Inventar
     
Beiträge: 8604 Wohnort: Amerika
|
Na, habe mich wieder beruhigt  .
Also, danke für die kritischen Hinweise und das nächste mal werde ich mir mehr Gedanken machen, wenn ich eine Schaltung entwerfe...
Außerdem werde ich keine anderen Schaltungen mehr belächeln, so wie ich es (was ja leider oft falschverstanden wurde) hier getan habe und dafür ja auch sehr niedergemacht wurde.
Also in diesem Sinne (auch die richtigen Profis können sich mal irren, siehe z.b. Elektroinstallationsforum  )
_________________
|
|
Das Thema ist erledigt und geschlossen. Es kann nicht mehr geantwortet werden !
Zum Ersatzteileshop
Bezeichnungen von Produkten, Abbildungen und Logos , die in diesem Forum oder im Shop verwendet werden, sind Eigentum des entsprechenden Herstellers oder Besitzers. Diese dienen lediglich zur Identifikation!
Impressum
Datenschutz
Copyright © Baldur Brock Fernsehtechnik und Versand Ersatzteile in Heilbronn Deutschland
gerechnet auf die letzten 30 Tage haben wir 15 Beiträge im Durchschnitt pro Tag heute wurden bisher 5 Beiträge verfasst © x sparkkelsputz Besucher : 186325342 Heute : 12392 Gestern : 32252 Online : 154 5.11.2025 12:36 4 Besucher in den letzten 60 Sekunden alle 15.00 Sekunden ein neuer Besucher ---- logout ----viewtopic ---- logout ----
|
xcvb
ycvb
0.0609090328217
|