Fehlerkorektur - brauche Hilfestellung bei Formelerstellung Im Unterforum Alle anderen elektronischen Probleme - Beschreibung: Was sonst nirgendwo hinpasst
| Autor |
|
Fehlerkorektur - brauche Hilfestellung bei Formelerstellung |
Problem gelöst
|
|
|
|
BID = 477258
Peingebrecks Neu hier

Beiträge: 47
|
|
Mahlzeit alle zusammen,
ich werte derzeit einen Sensor aus welcher über eine aktive Brückenschalten mit einem OPV aus. Meine Ausgangsspannung verhält sich jedoch nicht exakt linear, es addiert sich immer ein bekannter Fehler auf.
Bsp:
Messgröße / Ua / Fehler
1,0 / 1,0
2,0 / 2,1 / 0,1
3,0 / 3,2 / 0,1
4,0 / 4,3 / 0,1
5,0 / 5,4 / 0,1
.
.
Nun möchte ich diesen korriegieren weis aber nicht wie den Fehler ausdrücken kann :-?. Könnt ihr mir helfen?
Grüße Peingebrecks
|
|
BID = 477266
Ltof Inventar
     
Beiträge: 9386 Wohnort: Hommingberg
|
|
Öööh - wie meinen?
Die Tabelle ist etwas konfus. Zeig man die zugehörige Schaltung. Vielleicht schwingt da etwas?
Gruß,
Ltof
_________________
„Schreibe nichts der Böswilligkeit zu, was durch Dummheit hinreichend erklärbar ist.“
(Hanlon’s Razor) |
|
BID = 477271
Otiffany Urgestein
     
Beiträge: 13782 Wohnort: 37081 Göttingen
|
Ltof, ist deine Glaskugel auch gerade zur Reparatur?
Gruß
Peter
|
BID = 477282
Peingebrecks Neu hier

Beiträge: 47
|
hehe, ^^. ja manchmal ist die Sicht nicht gerade gut.
Bei dem Sensor handelt es sich um einen PT100 (Rm). Wenn nun 0 Grad sind erhalte ich eine Ausgangsspannung von 4,500 V.
Bsp.:
10 Grad 4,480432 V Differenz:
20 Grad 4,460807 V / -0,019625 V Anstieg bei deltaT= 10K Fehler:
30 Grad 4,441124 V / -0,019683 V " -0,000058 V
40 Grad 4,421383 V / -0,019741 V " -0,000058 V
50 Grad 4,401585 V / -0,019798 V " -0,000058 V
Der Spannungsanstieg bei einer Temperaturänderung von 10 Grad steigt von -19,51 mv auf -22,67 mV an in einem Temperaturbereich von 0 bis 550 Grad!
Diesen Fehler von 58µV möchte ich korrigieren. Dazu müsste ich jedoch ihn erst einmal definieren können ^^. Ich hoffe das jetzt etwas Licht ins Dunkel gekommen ist.
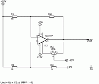
Im Anhang gibts Schaltplan.
Grüße Pein
[ Diese Nachricht wurde geändert von: Peingebrecks am 30 Nov 2007 14:44 ]
|
BID = 477284
cholertinu Inventar
     
Beiträge: 3754 Wohnort: CH
|
Boah! Einen PT100 Sensor auf 7 Hauptziffern genau auswerten:
|
BID = 477285
Peingebrecks Neu hier

Beiträge: 47
|
Bitte nicht so vor eilig  ich bin mir dessen bewusst, leider erfordert es der Einsatzbereich. Es geht mir hauptsächlich um die Fehler korrektur, das messen von µV ist das kleinere Problem.
Könnte zum Beispiel einen PT1000 verwenden & eine guten Instrumenten Verstärker. Eine linearisierung mit parallel geschaltetem Präzisionwiderstand ist leider ungenauer als die aktive Brückenschaltung bei diesem Messbereich.
Ich benötige eine Messgenauigkeit von 1,5-2 Grad bei 550 Grad
min. , nicht mit Auflösung verwechseln.
Gruß Pein
[ Diese Nachricht wurde geändert von: Peingebrecks am 30 Nov 2007 14:51 ]
|
BID = 477300
Benedikt Inventar
      Beiträge: 6241
|
Wenn ich das ganze richtig verstehe, dann passt die Verstärkung nicht. Ich würde also mal an R1 drehen.
|
BID = 477315
photonic Schreibmaschine
    
Beiträge: 1301 Wohnort: Zürich, Schweiz
|
Zitat :
| | Der Spannungsanstieg bei einer Temperaturänderung von 10 Grad steigt von -19,51 mv auf -22,67 mV an in einem Temperaturbereich von 0 bis 550 Grad! |
Wenn ich das richtig interpretiere hast du einen Einfluss 2.Ordnung, d.h. der Messwert ist nicht linear zur Temperatur sondern hat noch einen Koeffizienten der quadratisch von der Temperatur abhängt.
Deine Daten lassen sich also durch eine Funktion y=a 1*T 2+a 2*T+a 3 beschreiben
y = gemessene Spannung
a 1 = Nichtlinearität (-0.28857 µV/°C 2)
a 2 = linearer Teil (-1953.87 µV/°C)
a 3 = Offset (4.50000 V )
Die Zahlen habe ich aus deinem Beispiel gewonnen, per Polynomfit 2. Ordnung in Excel. Um genauere Daten zu bekommen solltest du ein grösseres Temperaturintervall auswerten. Die obenstehenden Koeffizienten beschreiben aber den Verlauf deiner Beispieldaten mit weniger als 1 µV Abweichung.
Wie man nun einer Messbrücke eine Nichtlinearität 2.Ordnung abgewöhnt weiss ich nicht so direkt, aber vielleicht jemand anders hier?
[ Diese Nachricht wurde geändert von: photonic am 30 Nov 2007 17:54 ]
|
BID = 477326
photonic Schreibmaschine
    
Beiträge: 1301 Wohnort: Zürich, Schweiz
|
Pt100 sind ja in der von dir erwarteten Genauigkeit auch nicht mehr linear, wie weit ist deine Messung vom erwarteten Wert weg wenn du eine Sensorkennlinie mit quadratischem Term verwendest?
Zitat :
|
Im Bereich über 100 °C oder bei höheren Anforderungen an die Genauigkeit auch im Bereich zwischen 0 und 100 °C verwendet man ein Polynom 2. Grades:
R = R0 · (1 + a · T + b · T2)
a = 3,9083 · 10-3 / K
b = -5,775 · 10-7 / K2
|
http://de.wikipedia.org/wiki/Pt100
|
BID = 477531
TAB Schriftsteller
    
Beiträge: 571 Wohnort: rot-grünes Irrenhaus an der Weser
|
Moin,
bei 550 °C hast Du die Schaltung ja vermutlich ein paar Meter weiter weg vom Pt100, oder? Möglicherweise liegt das Problem im thermischen Widerstand des Kupferkabels, der zwar nur 10% von dem des Platins beträgt, dafür aber auch noch durch eine allmähliche Abkühlung entlang der Leitung den quadratischen Effekt ins Spiel bringen könnte.
Ein Delta T von 10 °C bewirkt ja am Pt100 ein Delta Omega von ca. 3 Öhmern.
Gruß
TAB
|
BID = 477569
photonic Schreibmaschine
    
Beiträge: 1301 Wohnort: Zürich, Schweiz
|
Das ist natürlich auch noch ein wichtiger Punkt, ist mir zuerst gar nciht aufgefallen  ...
Für so hohe Genauigkeiten wie gefordert sollte man wahrscheinlich die Schaltung mit der Messbrücke beerdigen  , und auf eine 4-Leiter Messung mit Konstantstromquelle ausweichen.
|
BID = 477943
Peingebrecks Neu hier

Beiträge: 47
|
Ich danke euch schon mal für die bisherige Hilfestellung. Ich habe am Wochende mal Exel mit daten und Formeln gefüllt und hab folgende interessante Ergebnisse.
Ich habe hierbei einen PT100 (Klasse A) nach DIN IEC60751-2:1995 für meine Berechnungen verwendet.
Bei der Klasse A besitzt der PT100 schon einmal eine Toleranz von 1,25 Grad bei 550 Grad Endmesswert.
-> Somit ist eine Genauigkeit von 1 Grad bei 550 Grad Messbereich maximal bis 400 Grad allein von der Herstellung gegeben.
D.h. ich müsste mindestens die Klasse 1/3(1,02 Grad bei 550 Grad Toleranz) und um sicher zugehen die Klasse 1/5 (0,61 Grad bei 550 Grad Toleranz) verwenden.
---
Dann habe ich mir mal den relativen Fehler (nur PT100 allein) für den Messbereich von 0-550 Grad ausgerechnet.
Dieser beträgt 8,075% d.h. das bei 550 Grad eine Temperatur von 505,6 Grad gemessen werden, sprich 44,4 Grad Messfehler auftreten.
Man kann den PT100 mit einem paralell geschalteten Widerstand linearisieren. Ok, neue Berechnung ^^.
Vormerkung: Um bei 550 Grad eine Abweichung von 1 Grad zu erreichen muss der relative Messfehler mind. 0,182% betragen.
Meine Berechnungen haben ergeben das ich einen 2,7 Ohm Widerstand paralell schalten müsste um auf einen relativen Messfehler von ca. 0,182% ~0,183% zukommen.
---
Wenn man diesen nun über eine Konstromquelle (1mA) in Vierleitertechnik (Kelvin-Messung) betreiben & Messen würde hat man 2 Varianten.
1. ohne Linearisierung:
------------------------
100mV bis 297,458mV
2. mit Linearisierung:
-----------------------
2,812µV bis 268 nV
---
2. Variante fällt definitiv weg, eine µV-Messung traue ich mir noch zu aber "nV" auf keinen Fall.
---
So, nun komme ich wieder auf die Messbrücke zurück.
Diese besitzt einen relativen Messfehler von 8,0% (44 Grad Abweichung bei 550 Grad) wie der PT100 allein. Das ist eigentlich auch logisch, da diese keine Linearisierung des Messwiderstandes (PT100) durchführt sondern nur sehr exakt & linear verstärkt.
---
PS: Leitungswiderstände wurden nicht berücksichtigt !!!
---
Fazit:
------
Wie sich gezeigt hat, hab ich ein nicht gerade kleines Problem ^^.
Meine Idee wäre jetzt, wie schon angesprochen eine Kelvin-Messung (nur PT100 & 4 Leitertechnik) + eine Korektrur per Software über einen Mikrocontroller.
Leider weis ich nicht wie wie man mit Polynomen arbeitet bzw. wie Berechnungen zum Fitten von Kennlinien angewendet werden.
@"Photonic",würdest du für mich die Formelaufstellung und Werteanpssung machen wenn ich dir die zu messende PT100-Spannung (Exel-Tabelle) geben würde.
---
Edit: Nachtrag: Der Leitungswiderstand einer Leitung beträgt theoretisch ca. 0,2 Ohm (0,5 Ohm würde ich annehmen) bei 550 Grad.
Daten: A=0,2mm² ; l=0,5m ; rho= (0,0178 ohm * mm²) / m
alpha=0,0038 1/K ; deltaT=530K
Grüße Peingebrecks
[ Diese Nachricht wurde geändert von: Peingebrecks am 3 Dez 2007 13:00 ]
|
BID = 477976
Peingebrecks Neu hier

Beiträge: 47
|
So es ist theoretisch geschaft ^^. Der entscheidende Tipp mit der Linearisierung über ein Polynomfit 2. Ordnung bring spitzen erfolge ^^.
Mir ist dann etwas später jemand eingefallen der mir da auch helfen kann und hat mir das dann fix in Exel gezeigt. Nun habe ich bei einem Polynomfit 2. Ordnung einen maximalen relativen Messfehler von sagenhaften 0,4 Grad bei 550 Grad, was in der Praxis dann in der Kelvin-Messung das 1 Gradabweichung locker aufweisen sollte.
Naja, erst aufbauen und kalibrieren, ausmessen ;).
Also nochmals vielen dank, für den Tipp, der Rest sollte nun kein Problem sein.
MFG Peingebrecks
|
|
Das Thema ist erledigt und geschlossen. Es kann nicht mehr geantwortet werden !
Zum Ersatzteileshop
Bezeichnungen von Produkten, Abbildungen und Logos , die in diesem Forum oder im Shop verwendet werden, sind Eigentum des entsprechenden Herstellers oder Besitzers. Diese dienen lediglich zur Identifikation!
Impressum
Datenschutz
Copyright © Baldur Brock Fernsehtechnik und Versand Ersatzteile in Heilbronn Deutschland
gerechnet auf die letzten 30 Tage haben wir 13 Beiträge im Durchschnitt pro Tag heute wurden bisher 5 Beiträge verfasst © x sparkkelsputz Besucher : 189618588 Heute : 7558 Gestern : 16450 Online : 132 26.2.2026 13:07 6 Besucher in den letzten 60 Sekunden alle 10.00 Sekunden ein neuer Besucher ---- logout ----viewtopic ---- logout ----
|
xcvb
ycvb
0.0924708843231
|