Entladegerät 30 NiCd-Zellen

Im Unterforum Alle anderen elektronischen Probleme - Beschreibung: Was sonst nirgendwo hinpasst

Elektronik Forum Nicht eingeloggt       Einloggen       Registrieren




[Registrieren]      --     [FAQ]      --     [ Einen Link auf Ihrer Homepage zum Forum]      --     [ Themen kostenlos per RSS in ihre Homepage einbauen]      --     [Einloggen]

Suchen


Serverzeit: 25 10 2025  03:16:44      TV   VCR Aufnahme   TFT   CRT-Monitor   Netzteile   LED-FAQ   Oszilloskop-Schirmbilder            


Elektronik- und Elektroforum Forum Index   >>   Alle anderen elektronischen Probleme        Alle anderen elektronischen Probleme : Was sonst nirgendwo hinpasst


Autor
Entladegerät 30 NiCd-Zellen

    







BID = 51093

Klimbim

Gerade angekommen


Beiträge: 2
 

  


Hallo
Zur Überwinterung meiner 30-Zellen Akkupacks suche ich eine preiswerte Möglichkeit der überwachten Entladung.
(hochwertiges Ladegerät vorhanden).Einfach 3 Stk.Autolampen
verwenden haut nicht hin--man vergisst unweigerlich auf die
Kontrolle und es ist mehr Schaden als Nutzen durch Tiefentladung.--Das Gerät (oder Bausatz)sollte bei Ca.27V
(-möglichst einstellbar)-abschalten.Nützlich ,aber nicht unbedingt notwendig,wäre eine Strommengenmessung der entnommenen Energie.Die Entladestromstärke kann man ja durch
verschiedenstarke Autolampen regeln.
Vielen Dank im Voraus
Mit freundlichem Gruss an Alle
H.Klimt

BID = 51185

mattl911

Gerade angekommen


Beiträge: 12
Wohnort: Chemnitz

 

  

Hallo,
Ich hatte das gleiche Problem mit meinen Flugakkus (10Zellen) und habe das ziemlich simpel gelöst:
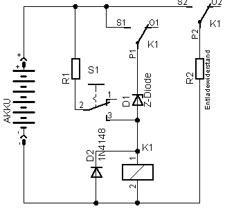
Mit einem Relais, z.B. 6V, das die Entladewiderstände über einen Schliesser zuschaltet und dessen Wicklung aus dem Akku gespeist wird. In reihe zur Wicklung wird eine oder mehrere Z-Dioden geschaltet, so das das Relais bei der gewünschten Entladespannung abfällt (mit regelbarem Netzteil testen). Zum Starten des Entladevorgangs werden die Z-Dioden einfach mit einem Taster und Widerstand überbrückt, damit das Relais sicher anzieht (überwindung der Hysterse). Ist die Entladeschlussspannung erreicht fällt das Relais ab und trennt damit die Entladewiderstände ab. Dadurch steigt zwar die Akkuspannung und damit auch die Spannung am Relais wieder an, aber das Relais schaltet aufgrund der Hysterese nicht wieder ein und der noch fliessende Strom ist zu vernachlässigen (es sei denn Du hast einen 300A Schütz verwendet). Hast Du ein Relais mit zwei Schliessern kann die Wicklung auch über den 2. Kontakt sich selbst abschalten, dann bleibt es auf jeden Fall ausgeschaltet (bei zu kleiner Hysterese).
Ich habe leider kein Programm zum Schaltplan erstellen, aber ich hoffe ich habe die Schaltung halbwegs verständlich erklärt.

Eine Messung der Kapazität ist nicht ganz einfach, setzt bei simpler Zeitmessung einen konstanten Entladestrom voraus.

Um die Abschaltspannung einstellbar zu machen kann man die Z-Dioden zum Teil durch normale Siliziumdioden (0,5V Spannungsabfall in Flussrichtung) ersetzen, dann mit Stufenschalter oder Jumperleiste in 0,5 oder 1V-Schritten einstellen.

Ich weiss das das einigermassen primitiv ist, aber bei mir funktioniert das ganze seit fast 10 Jahren 1A, und die Bauteile finden sich in jeder gut sortierten Bastelkiste.


MfG
André

[ Diese Nachricht wurde geändert von: mattl911 am 25 Jan 2004 23:52 ]

[ Diese Nachricht wurde geändert von: mattl911 am 26 Jan 2004  8:37 ]

BID = 51249

mattl911

Gerade angekommen


Beiträge: 12
Wohnort: Chemnitz

So, nun noch das Schaltbild, die Bauteilwerte müssen entsprechend der Zellenzahl angepasst werden.




[ Diese Nachricht wurde geändert von: mattl911 am 26 Jan 2004 15:39 ]

BID = 51385

Klimbim

Gerade angekommen


Beiträge: 2

Hallo mattl911
Vielen Dank für Deine prompte Hilfe u. den Schaltplan.
Werde die Sache gleich mal durchstudieren und dann mit
dem Aufbau beginnen.
Bei Schwierigkeiten melde ich mich hier wieder.

BID = 52727

mattl911

Gerade angekommen


Beiträge: 12
Wohnort: Chemnitz

Dieses Posting existiert leider nicht mehr. Bitte ein neues Thema öffnen.


Zurück zur Seite 0 im Unterforum          Vorheriges Thema Nächstes Thema 


Zum Ersatzteileshop


Bezeichnungen von Produkten, Abbildungen und Logos , die in diesem Forum oder im Shop verwendet werden, sind Eigentum des entsprechenden Herstellers oder Besitzers. Diese dienen lediglich zur Identifikation!
Impressum       Datenschutz       Copyright © Baldur Brock Fernsehtechnik und Versand Ersatzteile in Heilbronn Deutschland       

gerechnet auf die letzten 30 Tage haben wir 12 Beiträge im Durchschnitt pro Tag       heute wurden bisher 1 Beiträge verfasst
© x sparkkelsputz        Besucher : 185994110   Heute : 1333    Gestern : 12637    Online : 210        25.10.2025    3:16
5 Besucher in den letzten 60 Sekunden        alle 12.00 Sekunden ein neuer Besucher ---- logout ----viewtopic ---- logout ----
xcvb ycvb
0.0653479099274