| Autor |
|
Drei Ausgabegeraete auf eine Soundkarte anhaengen |
|
|
|
|
BID = 457267
1GENNADIY1 Gesprächig
  
Beiträge: 127 Wohnort: Mönchengladbach
|
|
Hallo!
Ich versuche zu meiner on-board Sound-Karte drei Ausgabegeräte anzuschliessen, das heisst 1. Headset, 2.ein Verstaeker und 3. Aktiv-Lautsprecher. Headset und Aktiv-Lautsprecher brauche ich fuer Scype-Benutzung, ueber mein Sound-System hoere ich Stream-Radio. Wenn ich versuche diese Aufgabe mit Hilfe kleinen Adapter "zwei Klinkenbuchsen auf ein Klinkenstecker" zu loesen, gelingt das mir nur schlecht. Das geht bestimmt mit einem kleinen Verstaerker. Eigentlich brauche ich einen Kauf- oder Bastelltip. Die Loetkolbe habe ich.
Danke!
Tschuess! |
|
BID = 457273
sam2 Urgestein
     
Beiträge: 35321 Wohnort: Franken (bairisch besetzte Zone)
|
|
Entweder einen Umschalter verwenden (wenn kein Simultanbetrieb erforderlich ist) oder nen NF-Verteilverstärker.
Evtl. genügt auch eine Widerstandsentkopplung, aber da könnte es mit dem Pegel knapp werden.
_________________
"Das Gerät habe ich vor soundsoviel Jahren bei Ihnen gekauft! Immer ist es gegangen, immer. Aber seit gestern früh geht es plötzlich nicht mehr. Sagen Sie mal, DA STIMMT DOCH WAS NICHT???" |
|
BID = 457383
1GENNADIY1 Gesprächig
  
Beiträge: 127 Wohnort: Mönchengladbach
|
Hallo!
@ sam2
Zitat :
| | Evtl. genügt auch eine Widerstandsentkopplung, aber da könnte es mit dem Pegel knapp werden. |
Ich haette gerne so machen, weiss aber nicht welche Wiederstaende drauf muessen. Habe einbisshen gegoogelt, aber es richtig zu machen ist Aufwand zu gross (Elektronikbauteile, Buchsen; GeGehäuseVersand,...).
Da es nicht fuer mich gebastelt wird, faellt Umschalter auch raus.
Danke fuer die Hilfe!
Tschuess!
|
BID = 457453
Fidget Achtung Dieser user postet unter verschiedenen Namen
|
Zitat :
| | aber es richtig zu machen ist Aufwand zu gross (Elektronikbauteile, Buchsen; GeGehäuseVersand,...). |
Wenn dir der Aufwand zu groß ist, meinst du nicht, dass uns dann der Aufwand dir zu helfen auch zu groß sein könnte? Immerhin stehen die Chancen nicht schlecht, dass du jegliche von uns vorgeschlagene Lösung für "zu aufwendig" hältst.
Wer nicht gewillt ist, einen gewissen Aufwand für die Lösung seines Problems zu betreiben, kann auch keine Lösungsvorschläge erwarten. Von Nichts kommt nichts.
|
BID = 457472
Mr.Ed Moderator
      
Beiträge: 36322 Wohnort: Recklinghausen
|
Das Problem dürfte das niederohmige Headset sein. Ohne Verstärker ist da nichts zu machen.
Da sich der aber nicht aus nichts aufbauen lässt und zwei Widerstände schon zuviel Aufwand sind, hat sich das ganze dann wohl erledigt.
Dann heißt es halt weiterhin, kletter hinter den PC und steck um.
_________________
-=MR.ED=-
Anfragen bitte ins Forum, nicht per PM, Mail ICQ o.ä. So haben alle was davon und alle können helfen. Entsprechende Anfragen werden ignoriert.
Für Schäden und Folgeschäden an Geräten und/oder Personen übernehme ich keine Haftung.
Die Sicherheits- sowie die VDE Vorschriften sind zu beachten, im Zweifelsfalle grundsätzlich einen Fachmann fragen bzw. die Arbeiten von einer Fachfirma ausführen lassen.
|
BID = 457500
1GENNADIY1 Gesprächig
  
Beiträge: 127 Wohnort: Mönchengladbach
|
Hallo!
@ Fidget
Tschuldigung, sollte besser aufpassen.
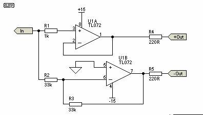
Ich sehe vor, ein Verteiler zu bauen, da einen zu kaufen geht nicht (nicht gefunden). Ich habe folgendes Schaltplan rausgesucht:
(Datei angehängt).
Die Bauteile für Verstärker lassen sich in conrad kaufen. Wie ich verstanden habe, um drei Ausgänge zu haben, werden einfach zwei komplette Stufen aufgebaut und Eingang einer auf den ausgang anderer drangehängt. Was mich in Verzweifeln treibt, ist die Aufbau Netzteiles.
So, wie ich verstanden habe, es soll mit dem Trafo mit mittlerer Abzapfung aufgebaut werden (dazu noch Gleichrichter- und Stabilisierungsschaltung). Ich habe leider nichts passendes gefunden (ich meine Trafo).
Was mir noch vorsteht ist Anschaffung einen Oska. Ich habe hier einige angeschaut.
http://cgi.ebay.de/Oszilloskop-RFT-.....wItem
http://cgi.ebay.de/Hameg-HM-312-Osz.....wItem
Was hältst Du davon?
In dem System, das ich aufbaue tritt noch ein Problem auf. Es brummt, wenn ich meine Graka mit dem Fernseher verbinde. Ich habe in Deinem Forum eine Einweisung bekommen. Übrigens, ein guter Link dafür ist auch hier:
http://www.technikservice24.de/8025.....-DE-p
Als Lösung dafür sehe ich ein Trenntrafo. Guck hier:
http://cgi.ebay.de/ENGEL-Trenntrans.....wItem
ich habe vor, an das alle meine A/V-Geräte anzuschließen.
Ich bin auf Deine Hilfe angewiesen!
Danke!
Tschüss!
|
BID = 457505
Mr.Ed Moderator
      
Beiträge: 36322 Wohnort: Recklinghausen
|
Zitat :
|
Wie ich verstanden habe, um drei Ausgänge zu haben, werden einfach zwei komplette Stufen aufgebaut und Eingang einer auf den ausgang anderer drangehängt. |
Nein, du hängst die Stufen an den Ausgang der Soundkarte.
Scheinbar hast du dein Grundproblem aber noch nicht erkannt. Das Headset ist niederohmig, daher bricht die AUsgangsspannung der Soundkarte zusammen. Du brauchst nur einen Verstärker für das Headset. Kauf dir billige Aktivlautsprecher mit Kopfhöreranschluss und nutze die als Verstärker für den Kopfhörer. Alternativ einen richtigen Kopfhörerverstärker. http://www.thomann.de/de/cat.html?gf=kopfhoererverstaerker&oa=pra
Den könntest du übrigens auch anstatt deines Eigenbauverteilers verwenden. An einem Anschluss dein Headset, an den anderen deine Anlage und die Aktivlautsprecher.
Zitat :
| | Was mir noch vorsteht ist Anschaffung einen Oska. |
Nicht alles in einem Thread. Dafür gibt es extra Rubriken hier im Forum. Bitte da einen extra Thread für eröffnen, das hat mit dem Thema nichts zu tun und macht das ganze nur unübersichtlich.
Zitat :
| | Ich habe vor, an das alle meine A/V-Geräte anzuschließen. |
Um dann festzustellen das es immer noch brummt weil die Ursache in einer Brummschleife liegt.
Zieh mal das Antennenkabel raus, dann hört es auf. Lösung ist ein Mantelstromfilter in den Antennenleitungen oder ein Übertrager in der Audioleitung. Das nutzen der Forensuche hätte da auch geholfen, das Thema kommt einmal pro Woche!
_________________
-=MR.ED=-
Anfragen bitte ins Forum, nicht per PM, Mail ICQ o.ä. So haben alle was davon und alle können helfen. Entsprechende Anfragen werden ignoriert.
Für Schäden und Folgeschäden an Geräten und/oder Personen übernehme ich keine Haftung.
Die Sicherheits- sowie die VDE Vorschriften sind zu beachten, im Zweifelsfalle grundsätzlich einen Fachmann fragen bzw. die Arbeiten von einer Fachfirma ausführen lassen.
|
BID = 457511
1GENNADIY1 Gesprächig
  
Beiträge: 127 Wohnort: Mönchengladbach
|
Hallo!
@ Mr. Ed
Zitat :
| Um dann festzustellen das es immer noch brummt weil die Ursache in einer Brummschleife liegt.
Zieh mal das Antennenkabel raus, dann hört es auf. Lösung ist ein Mantelstromfilter in den Antennenleitungen oder ein Übertrager in der Audioleitung. |
Es brummt nicht, nur wenn ich die Scart-Verbindung von meinem DVD-Player trenne! Antenne darf angeschloßen sein.
Ich habe mich fündig gemacht in dem Shop, den Du mir rätst, und siehe da - die Übertrager. Was hältst Du von billigstem?
http://www.thomann.de/de/search_dir.....;y=11
Mit Oska habe ich verstanden - ich begebe mich in andere Rubrik.
Danke!
Tschuess!
[ Diese Nachricht wurde geändert von: 1GENNADIY1 am 15 Sep 2007 13:34 ]
|
BID = 457518
Makersting Schriftsteller
    
Beiträge: 612 Wohnort: Ostfriesland
|
Ich habs per Umschalter gemacht und diesen mit 3 Buchsen ins Gehäuse vom Rechner eingebaut.
Ein Klinkenstecker kommt in den Soundkartenausgang, das Kabel führt ins Gehäuse zum Drehschalter. Dort wird dann auf die drei Buchsen verteilt.
Schnell zu basteln und der Sound kommt immer nur an einem Endgerät an - du wirst ja kaum Kopfhörerhören und die Anlage gleichzeitig laufen haben wollen, nehme ich an.
|
BID = 457519
1GENNADIY1 Gesprächig
  
Beiträge: 127 Wohnort: Mönchengladbach
|
Hallo!
Ich habe anscheinend mein Problem mit drei Ausgängen gelöst. Also, ich hatte von Anfang an die Aktivlautsprecher, die einen Ausgang haben. An den schließe ich mein Headset. An dem Ausgang meiner Soundkarte ist Y-Förmige 3,5mm Klinken-Adapter angeschlossen, an den ich meine Aktiv-Boxen und mein Verstärker anschließe.
Auf jeden Fall waren Deine Anweisungen hilfreich. Die Anschaffung eines Übertragers steht hervor.
Danke!
Tschüss!
|