| Autor |
|
|
|
BID = 394508
Rahmenantenne Schriftsteller
    
Beiträge: 552 Wohnort: Kiel
|
|
Hallo,
ich hab auch zwei Bleiakkus mit 7 Ah, kostenlos von jemanden bekommen. Der kam an die Dinger Kartonweise umsonst heran. Hätte ich bloß noch vier mehr abgenommen, bei Conrad o. ä. kosten die ja auch einiges.....
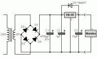
Ladegerät hab ich mir dann selber gebaut. Wie? Trenntrafo mit 15 V, Gleichrichter und Elko; das übliche Programm erstmal. Dann einen Regler PB 137 (gibts bei Conrad). Dessen Ausgangspannung entspricht exakt der Ladeschlußspannung von Bleiakkus: 13,8 V. Der Strom wird auf etwa 1,5 A begrenzt. Wird die Ladeschlußspannung von 13,8 V erreicht, geht der Strom auf Null zurück. Und weil ich auch Hobbybastler bin und was machen wollte, kam auch gleich noch'n Volt- und Amperemeter ins Kunststoffgehäuse. So kann man den Ladevorgang kontrollieren!
So sieht der Schaltplan aus:
Die Diode D5 ist eine Freilaufdiode. Eines können diese Festspannungsregler gar nicht ab: Wenn die Ausgangsspannung mal größer wie die Eingangsspannung ist. Dann wird die Diode D5 leitend und überbrückt den Regler so.
OK, 1,5 A Ladestrom ist für'n 7 Ah-Akku schon recht viel. Normal sagt man ja Ladestrom gleich 1/10 der Akkukapazität; wären also 0.7 A. Hab einfach einen 11 W Keramikwiderstand mit 3 Ohm in Reihe zum Akku geschaltet und der Strom ging über die Hälfte zurück. Der genaue Widerstandswert hängt mit vom Innenwiderstand des Akkus ab, man muß schon verschiedene Werte probieren und den Strom messen bis es in etwa hinkommt.
Schöne Grüsse
[ Diese Nachricht wurde geändert von: Rahmenantenne am 23 Dez 2006 22:30 ] |
|
BID = 394524
Luke Skylöter Schriftsteller
    
Beiträge: 665 Wohnort: Waldeck Netze
|
|
so, mein ladegerät ist fertig, jetzt brauch ich nur noch ein gehäuse...mal sehen was sich findet... danke nochma für die tipps und frohe weihnachten!
_________________
Murphys Law:
Alle angenehmen Dinge sind entweder unmoralisch, illegal oder machen dick. |
|
BID = 394602
Luke Skylöter Schriftsteller
    
Beiträge: 665 Wohnort: Waldeck Netze
|
ist das normal wenn ich mit 1A strombegrenzung lade mein kühlkörper 80°C heiß wird?? (na super heißkleber kann ich wieder ab machen)
_________________
Murphys Law:
Alle angenehmen Dinge sind entweder unmoralisch, illegal oder machen dick.
|
BID = 394618
Primus von Quack Unser Primus :) nehmt ihn nicht so ernst
  
Beiträge: 7474
|
Zitat :
Luke Skylöter hat am 24 Dez 2006 14:59 geschrieben :
|
ist das normal wenn ich mit 1A strombegrenzung lade mein kühlkörper 80°C heiß wird?? |
...wie gross ist der Kühlkörper
...ist Wärmeleitpaste dazwischen
...welchen Regler hast du verwendet
...Schaltplan
......  .....
Zitat :
Luke Skylöter hat am 24 Dez 2006 14:59 geschrieben :
|
(na super heißkleber kann ich wieder ab machen) |
...Heisskleber  wozu Heisskleber
_________________
...geguckt wird mit den Augen, nicht mit den Fingern!
|
BID = 394620
Luke Skylöter Schriftsteller
    
Beiträge: 665 Wohnort: Waldeck Netze
|
hab diesen schaltplan in die tat umgesetzt: https://forum.electronicwerkstatt.d.....r.pdf
kühlkörper ist ca. 24cm² groß und ich verwende wärmeleitpads.
mit dem heißkleber hab ich den kühlkörper an die platine zusätzlich geklebt, aber das kann ich wohl vergessen...
_________________
Murphys Law:
Alle angenehmen Dinge sind entweder unmoralisch, illegal oder machen dick.
[ Diese Nachricht wurde geändert von: Luke Skylöter am 24 Dez 2006 16:11 ]
|
BID = 394625
Primus von Quack Unser Primus :) nehmt ihn nicht so ernst
  
Beiträge: 7474
|
...als Bausatz oder Eigennachbau
_________________
...geguckt wird mit den Augen, nicht mit den Fingern!
|
BID = 394628
Luke Skylöter Schriftsteller
    
Beiträge: 665 Wohnort: Waldeck Netze
|
eigenbau
_________________
Murphys Law:
Alle angenehmen Dinge sind entweder unmoralisch, illegal oder machen dick.
|
BID = 394634
Primus von Quack Unser Primus :) nehmt ihn nicht so ernst
  
Beiträge: 7474
|
...oh oh  Bilder
_________________
...geguckt wird mit den Augen, nicht mit den Fingern!
|
BID = 394638
Luke Skylöter Schriftsteller
    
Beiträge: 665 Wohnort: Waldeck Netze
|
eher schlecht, kamera ist im weihnachtsdienst mit mienem vater unterwegs...
_________________
Murphys Law:
Alle angenehmen Dinge sind entweder unmoralisch, illegal oder machen dick.
|
BID = 394644
Primus von Quack Unser Primus :) nehmt ihn nicht so ernst
  
Beiträge: 7474
|
...jetzt sag aber nicht dein Vater ist der Weihnachtsmann
_________________
...geguckt wird mit den Augen, nicht mit den Fingern!
|
BID = 394655
Luke Skylöter Schriftsteller
    
Beiträge: 665 Wohnort: Waldeck Netze
|
pssst das darf keiner wissen
hab einen größeren kühlkörper dran gemacht, jetzt bleibt der stabil (seit 3 stunden) bei 60°C, scheint normal zu funktionieren...muss ja keiner an den kühlkörper packen und da der lm317 bis 125°C heizen darf... würd mir da gern noch ein drehspulinstrument rein metzgern um zu sehen wie hoch der ladestrom ist (wie weit die ladung fortgeschritten ist), wo müsste dieser dann hin??
_________________
Murphys Law:
Alle angenehmen Dinge sind entweder unmoralisch, illegal oder machen dick.
[ Diese Nachricht wurde geändert von: Luke Skylöter am 24 Dez 2006 21:31 ]
|
BID = 394660
Primus von Quack Unser Primus :) nehmt ihn nicht so ernst
  
Beiträge: 7474
|
...ich würde das A-Meter zwischen Gleichrichter und Regler setzen (also vor den Regler)
_________________
...geguckt wird mit den Augen, nicht mit den Fingern!
|
BID = 394662
Luke Skylöter Schriftsteller
    
Beiträge: 665 Wohnort: Waldeck Netze
|
ja aber durch den widerstand (56kOhm) wird doch der strom begrenzt, sodass mein regler nicht genügend saft bekommt
_________________
Murphys Law:
Alle angenehmen Dinge sind entweder unmoralisch, illegal oder machen dick.
|
BID = 394664
Lötfix Schreibmaschine
    
Beiträge: 2328 Wohnort: Wien
|
Ist 56kOhm nicht etwas hochohmig für ein Amperemeter?
Welcher Skalenendwert?
mfg lötfix
_________________
Haftungsausschluß:
Bei obigem Beitrag handelt es sich um meine private Meinung. Rechtsansprüche dürfen daraus nicht abgeleitet werden. Sicherheitsvorschriften beachten!
|
BID = 394672
Luke Skylöter Schriftsteller
    
Beiträge: 665 Wohnort: Waldeck Netze
|
ich hab irgendein drehspulinstrument genommen! ist aus einer hifi anlage...
_________________
Murphys Law:
Alle angenehmen Dinge sind entweder unmoralisch, illegal oder machen dick.
|