| Autor |
|
2 Fragen zu einem früheren Thema (NE555) |
Problem gelöst
|
|
|
|
BID = 1019110
elko64 Schriftsteller
    
Beiträge: 627
|
|
Hallo zusammen, Ich habe heute untenstehende Schaltung (respektive den rechten Teil) nochmal nachgebaut.
Nun meine erste Frage: Müsste der Ausgang "2" des NE555 nicht unterhalb des Widerstands R6 gehen. also im Prinzip mit dem Ausgang "6" verbunden sein.
Die 2 Frage: Wie wir damals besprochen habe habe ich denn T4 mit einem IRF 3708 ersetzt. Das funktionierte in meinem ersten "Projekt" auch perfekt. Nun bei diesem neuen Aufbau muss der Motor etwas mehr leisten und der IRF 3708 wird sehr heiss. Gibt es da noch eine stärkere Variante.
Die ganze Schaltung wird nun durch so ein PIR-Bewegungsmelder angesteuert. Dh. ich steuer mit dem Ausgangssignal des PIR-BM einen weiteren 3708 an der dann die NE555 Schaltung ansteuert. (siehe Abb2)
Und hier wird der IRf3708 auch schön heiss!
Wäre froh um euere Hilfe.
elko64
[ Diese Nachricht wurde geändert von: elko64 am 5 Mai 2017 21:38 ] |
|
BID = 1019112
elko64 Schriftsteller
    
Beiträge: 627
|
|
[ Diese Nachricht wurde geändert von: elko64 am 5 Mai 2017 21:44 ] |
|
BID = 1019113
elko64 Schriftsteller
    
Beiträge: 627
|
|
BID = 1019118
perl Ehrenmitglied
       
Beiträge: 11110,1 Wohnort: Rheinbach
|
Zitat :
| Müsste der Ausgang "2" des NE555 nicht unterhalb des Widerstands R6 gehen. also im Prinzip mit dem Ausgang "6" verbunden sein.
|
Wovon redetst du?
Weder Pin2 noch Pin6 sind Ausgänge.
Zitat :
| Nun bei diesem neuen Aufbau muss der Motor etwas mehr leisten und der IRF 3708 wird sehr heiss. Gibt es da noch eine stärkere Variante.
|
Natürlich.
Kannst du "etwas" auch in Zahlen ausdrücken?
Zitat :
| Dh. ich steuer mit dem Ausgangssignal des PIR-BM einen weiteren 3708 an der dann die NE555 Schaltung ansteuert. (siehe Abb2)
Und hier wird der IRf3708 auch schön heiss! |
Gut möglich, dass dies der eigentliche Fehler ist.
Zeig mal die gesamte Schaltung, also einschliesslich des BM und der Versorgung!
|
BID = 1019119
elko64 Schriftsteller
    
Beiträge: 627
|
ok, dann mein ich pin 2 und pin 6 sollten verbunden sein und nicht so wie in der zeichnung.
nein Zahlen habe ich leider nicht. Der Elektromotor ist aber so ein Typ welcher im Modelbau verwendet wird (siehe Abb.)
vom Pir-bewegungs melder habe ich keinen Schaltplan. es ist aber in etwa der in Abb2.
Mit dem Ausgang (Pin2) würde ich dann den IRF3708 ansteuern.
|
BID = 1019120
elko64 Schriftsteller
    
Beiträge: 627
|
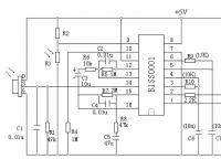
hier ist noch der Original Schaltplan des PIR-BM.
|
BID = 1019123
der mit den kurzen Armen Urgestein
     
Beiträge: 17437
|
Sorry dein erstes Projekt hat mit diesem rein gar nichts zu tun!
Und von einem 555 ist da auch keine Rede !
_________________
Tippfehler sind vom Umtausch ausgeschlossen.
Arbeiten an Verteilern gehören in fachkundige Hände!
Sei Dir immer bewusst, dass von Deiner Arbeit das Leben und die Gesundheit anderer abhängen!
[ Diese Nachricht wurde geändert von: der mit den kurzen Armen am 5 Mai 2017 23:32 ]
|
BID = 1019125
Kleinspannung Urgestein
     
Beiträge: 13393 Wohnort: Tal der Ahnungslosen
|
Zitat :
elko64 hat am 5 Mai 2017 23:08 geschrieben :
|
Mit dem Ausgang (Pin2) würde ich dann
|
Also bei den NE555 die ich besitze, ist der Ausgang Pin 3...
Hast du deine selbst gebaut?
_________________
Manche Männer bemühen sich lebenslang, das Wesen einer Frau zu verstehen. Andere befassen sich mit weniger schwierigen Dingen z.B. der Relativitätstheorie.
(Albert Einstein)
|
BID = 1019127
elko64 Schriftsteller
    
Beiträge: 627
|
Ausgang 3 bezieht sich auf die PIR-Schaltung (IC), also auf den linken Teil des ganzen.
Beim Rechten Teil ich nenn ihn mal "Pulsgeber" des Motors ist der Ausgang am NE555 natürlich Pin 3.
[ Diese Nachricht wurde geändert von: elko64 am 5 Mai 2017 23:47 ]
|
BID = 1019128
elko64 Schriftsteller
    
Beiträge: 627
|
|
BID = 1019129
perl Ehrenmitglied
       
Beiträge: 11110,1 Wohnort: Rheinbach
|
Zitat :
| | Zahlen habe ich leider nicht. Der Elektromotor ist aber so ein Typ welcher im Modelbau verwendet wird |
Das ist zwar immer noch keine präzise Angabe, denn im Modellbau werden auch Motoren mit einigen hundert Watt Leistungsaufnahme verwendet, aber dieser hier wiegt wohl keine 100g.
Von solch einem kleinen Motor kann der MOSFET normaler Weise nicht heiß werden, es sei denn er wird unzureichend angesteuert.
Du solltest prüfen ob für die Ansteuerung wenigstens 4V zur Verfügung stehen. Zwischen S und G messen!
Vermutlich liegt der Ärger daran, dass der vom Bewegungsmelder angesteuerte MOSFET zu wenig Steuerspannung bekommt.
Schuld daran ist die Belastung des Ausgangs des BISS00001 durch den Relaistreiber.
Wenn du das Relais des BM nicht benutzt, solltest du den Treibertransistor entfernen.
Oder du lässt den BM, wie er ist, und benutzt den Relaiskontakt zur Ansteuerung des MOSFET.
Nicht vergessen, dass du dann einen Entladewiderstand zwischen S und G brauchst (10k..100k), denn ein einmal aufgeladenes Gate behält seine Spannung über etliche Minuten. Einfach nur den Kontakt zu öffnen reicht also nicht.
Woher stammen die +5V für den Motor, woher die +12V für den BM?
|
BID = 1019130
elko64 Schriftsteller
    
Beiträge: 627
|
die 5V kommen von einem USB-Netzteil
Der rechte Teil der Pir-Schaltung ist bei mir nicht vorhanden. nur so wie auf der Abb. also der Motor soll auch mit den 5v betrieben werden.
|
BID = 1019131
elko64 Schriftsteller
    
Beiträge: 627
|
"........Vermutlich liegt der Ärger daran, dass der vom Bewegungsmelder angesteuerte MOSFET zu wenig Steuerspannung bekommt. "
Die Ausgangsspannung des BISS001 am Pin 2 beträgt etwa 2V.
[ Diese Nachricht wurde geändert von: elko64 am 5 Mai 2017 23:59 ]
|
BID = 1019133
der mit den kurzen Armen Urgestein
     
Beiträge: 17437
|
Dann verwende einen PNP -Transistor zur Ansteuerung des Mosfet! Und beantworte mal die Frage wofür der 555 sein soll!
_________________
Tippfehler sind vom Umtausch ausgeschlossen.
Arbeiten an Verteilern gehören in fachkundige Hände!
Sei Dir immer bewusst, dass von Deiner Arbeit das Leben und die Gesundheit anderer abhängen!
|
BID = 1019135
elko64 Schriftsteller
    
Beiträge: 627
|
Zitat :
der mit den kurzen Armen hat am 6 Mai 2017 00:00 geschrieben :
|
Dann verwende einen PNP -Transistor zur Ansteuerung des Mosfet! Und beantworte mal die Frage wofür der 555 sein soll!
|
Wie gesagt das ist der Herzschrittmacher für den Motor. Der Motor soll nur in kurzen Impulsen gehen.
|