inverterschaltung -dtl -rtl was auch immer

Im Unterforum Bauteile - Beschreibung: Vergleichstypen, Leistungsdaten, Anschlußbelegungen .....

Elektronik Forum Nicht eingeloggt       Einloggen       Registrieren




[Registrieren]      --     [FAQ]      --     [ Einen Link auf Ihrer Homepage zum Forum]      --     [ Themen kostenlos per RSS in ihre Homepage einbauen]      --     [Einloggen]

Suchen


Serverzeit: 29 12 2025  07:47:54      TV   VCR Aufnahme   TFT   CRT-Monitor   Netzteile   LED-FAQ   Oszilloskop-Schirmbilder            


Elektronik- und Elektroforum Forum Index   >>   Bauteile        Bauteile : Vergleichstypen, Leistungsdaten, Anschlußbelegungen .....

Autor
inverterschaltung -dtl -rtl was auch immer

    







BID = 202564

pascal01

Gerade angekommen


Beiträge: 1
 

  



hallo,
ich bastle gerade an einer kleinen anzeige (7segment).
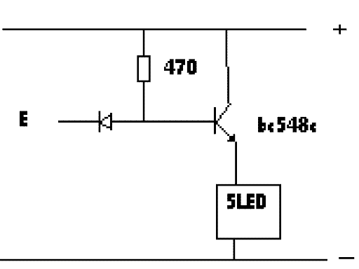
ich habe einen sn74ls47n - baustein angesteuert und habe zuspät bemerkt, dass er mir bei HIGH ein 0V - Signal liefert! Ich wollte die Ausgänge an ein npn transistor anschließen, damit er dann leitet oder sperrt. Da ich demnächst weder an pnp-transen noch an inverter-gatter rankomme, muss ich das Signal mittels dtl / rtl / ??? invertieren! Kann mir irgendjemand helfen?
ich hab ne schaltung entworfen, die es erstmal möglich macht den npn-trans zu benutzen. Jetzt muss dieses signal nur noch umgekehrt werden...
Ich hab pro segment 5 leds x 20 mA macht 100 mA pro segment. Deswegen kann ich das Segment auch nicht direkt an den Ausgang des ICs hängen.
Oder mach ich da was grundsätzlich falsch
Danke im Voraus





Zurück zur Seite 0 im Unterforum          Vorheriges Thema Nächstes Thema 


Zum Ersatzteileshop


Bezeichnungen von Produkten, Abbildungen und Logos , die in diesem Forum oder im Shop verwendet werden, sind Eigentum des entsprechenden Herstellers oder Besitzers. Diese dienen lediglich zur Identifikation!
Impressum       Datenschutz       Copyright © Baldur Brock Fernsehtechnik und Versand Ersatzteile in Heilbronn Deutschland       

gerechnet auf die letzten 30 Tage haben wir 17 Beiträge im Durchschnitt pro Tag       heute wurden bisher 1 Beiträge verfasst
© x sparkkelsputz        Besucher : 187998040   Heute : 2055    Gestern : 15227    Online : 465        29.12.2025    7:47
3 Besucher in den letzten 60 Sekunden        alle 20.00 Sekunden ein neuer Besucher ---- logout ----viewtopic ---- logout ----
xcvb ycvb
0.0978209972382